РЕМКОМПЛЕКТ
эксплуатация, техническое обслуживание, ремонт автомобиля Москвич 2140, 2140SL "Люкс"
Москвич 2140, 2140SL "Люкс"







Контроль основных параметров кожуха с нажимным диском в сборе

Рис. 57. Нажимной диск сцепления с кожухом в сборе: 1 - кожух сцепления; 2 - нажимной диск сцепления; 3 - заклепка; 4 - соединительное звено; 5 - нажимная пружина; 6 - опорное кольцо; 7 - опорная пята; 8 - стяжной палец; 9 - заклепка крепления балансировочного грузика; 10 - балансировочный грузик; 11 - центральная втулка; 12 - пружинное коническое кольцо; 13 - соединительная пластина; E - отверстия для установки балансировочных грузиков

После установки и при надежном закреплении кожуха с нажимным диском в сборе (узел 412-1601090) на плоской плите, заменяющей маховик двигателя, с подложенной под нажимной диск проставкой-кольцом [Вместо проставки-колъца используйте три распорные шайбы толщиной 7,35 мм, равнорасположенные по окружности.] толщиной "Г" - 7,35 мм (рис. 57), проверьте следующее:

1. Радиальное биение рабочей поверхности "Н" опорной пяты, замеренное на диаметре 50 мм, не должно быть более 0,38 мм общих показаний индикатора. В случае необходимости для уменьшения биения пяты допускается нажатие или удар в районе одной из трех площадок "Л" кожуха сцепления.

2. Размер "М" должен быть в пределах 46,5-49,5 мм.

3. При перемещении поверхности "Н" опорной пяты в направлении стрелки "К" на 7,1 мм, отход поверхности "Н1" нажимного диска в направлении стрелки "Ж" должен быть не менее 1,27 мм.

4. При приложении к поверхности "Н" опорной пяты нагрузки в направлении стрелки "К" и отходе поверхности "Н1" нажимного диска от поверхности "Н2" на 7,9 мм биение поверхности "Н1" не должно превышать 0,25 мм. Замер биения и отхода нажимного диска производите с помощью индикаторов, штифты которых установлены на головки заклепок в местах крепления к нажимному диску соединительных звеньев, как показано на рис. 58.

Рис. 58. Замер биения и отхода нажимного диска

5. Усилие, необходимое для перемещения поверхности "Н" пяты в направлении стрелки "К" (см. рис. 57) на величину 7,1 мм, должно быть не более 804 Н (82 кгс).

При замере рабочего усилия на нажимном диске закрепите его на плоской плите, как показано на рис. 59.

Рис. 59. Замер рабочего усилия на нажимном диске

Усилие, необходимое для перемещения поверхности "Н1" (см. рис. 57) нажимного диска в направлении стрелки "Ж" до положения, определяемого размером "Г", не должно быть менее 3330 Н (340 кгс).

При определении рабочего усилия на нажимном диске необходимо, чтобы шток пресса опускался до тех пор, пока усилие перестанет уменьшаться, а потом начнет повышаться. Затем, снижая нагрузку, приподнимите шток пресса до положения нажимного диска, соответствующего размеру "Г" = 7,35 мм (см. рис. 57), и зафиксируйте при этом действительную нагрузку. Ход нажимного диска замеряется индикатором.

Если полученные при контроле значения проверяемых параметров не соответствуют указанным нормам, то замените кожух сцепления в сборе.

ЗАМЕНА ОПОРНОЙ ПЯТЫ

Опорная пята 7 (см. рис. 57) с нажимной пружиной 5 удерживается в собранном положении при помощи пружинного конического кольца 12 и центральной втулки 11. Втулка 11 после установки опорной пяты в прорези нажимной пружины вставлена до упора в буртик на внутреннем диаметре пяты и закернена в шести местах путем вдавливания центральной втулки 11 в радиальном направлении в канавку на внутренней поверхности пяты, как показано в выноске 1 (см. рис. 57). Пружинное коническое кольцо 12 за счет своей упругости выбирает осевые зазоры после сборки пяты с нажимной пружиной, а также компенсирует в определенных пределах износы контактных поверхностей этих деталей в процессе эксплуатации. При появлении значительных износов, которые уже не компенсируются упругостью пружинного конического кольца, либо при отпуске последнего по причине значительного нагрева рабочей поверхности пяты из-за нарушения правил эксплуатации автомобиля, происходит ослабление крепления пяты. Появление стука и дребезжания в сцеплении служит характерным признаком этого дефекта, который проявляется при работе сцепления как во время трогания с места, так и на ходу автомобиля.

Рис. 60. Удаление центральной втулки крепления опорной пяты: 1 - центральная втулка; 2 - пружинное кольцо; 3 - зубило

Для замены изношенной опорной пяты 7 и кольца 12 удалите центральную втулку крепления пяты, как показано на рис. 60, деформировав фланец центральной втулки 1 с помощью молотка и зубила 3. Для предупреждения повреждения во время удаления втулки опорной пяты и других деталей сцепления поместите опорную пяту в фиксирующую оправку ремонтного инструмента подобно тому, как показано на рис. 61. При наличии токарного станка срежьте упорный фланец центральной втулки 11 (см. рис. 57) резцом.

Рис. 61. Крепление в тисках основания ремонтного инструмента с фиксирующей оправкой

После снятия изношенной пяты осмотрите опорные поверхности рычажков нажимной пружины в местах контакта с пятой. Если после зачистки поверхностей изношенных концов рычажков нажимной пружины размеры не превышают указанных на рис. 62, то пружину используйте для сборки с новой опорной пятой. Проверьте также высоту пружинного конического кольца 12 (см. рис. 57), которая в свободном состоянии должна быть в пределах 2,5-2,8 мм. При меньшей высоте замените кольцо новым.

Рис. 62. Допустимая величина износа концов рычажков диафрагменной пружины

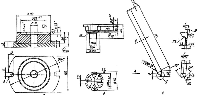
Для установки новой опорной пяты применяйте комплект ремонтного инструмента (рис. 63) (9480-2786; 9487-1545).

Размеры и данные по материалу и термообработке деталей, входящих в комплект вышеуказанного инструмента, приведены на рис. 64.

Рис. 63. Общий вид комплекта ремонтного инструмента для установки опорной пяты: 1 - основание; 2 - направляющая; 3 - керн

Рис. 64. Детали ремонтного инструмента для монтажа опорной пяты: а - основание; б - направляющая для закернивания; в - керн

Установку опорной пяты производите в следующем порядке:

- зажмите в тисках основание ремонтного инструмента с фиксирующей оправкой (см. рис. 61);

- поместите опорную пяту плоским рабочим торцом вниз в фиксирующую оправку ремонтного инструмента. Смажьте тонким слоем смазки ЛСЦ-15 рабочие поверхности кончиков рычажков нажимной пружины и установите механизм сцепления на опорную пяту так, чтобы рабочая поверхность нажимного диска была обращена вверх, как показано на рис. 61. При этом обеспечьте, чтобы рычажки нажимной пружины располагались между выступами на радиусной поверхности пяты;

- установите пружинное коническое кольцо 2 (рис. 65) вогнутой стороной к нажимной пружине и накройте его фланцем центральной втулки 1, вставив последнюю в отверстие нажимной пружины;

- вверните направляющую 1 (рис. 66) для закернивания в основание приспособления до отказа, прижав центральную втулку 2 до упора в торец фланца опорной пяты;

- с помощью керна 1 (рис. 67) закерните центральную втулку 2 в канавку на внутренней поверхности опорной пяты 5 в шести равномерно расположенных по окружности местах. Керн держите как можно точнее под углом 30° к горизонтали, как показано на рис. 67. Плоская часть керна при этом должна опираться на площадку направляющей.

Рис. 65. Установка центральной втулки крепления опорной пяты и пружинного кольца: 1 - центральная втулка; 2 - пружинное коническое кольцо

Рис. 66. Установка приспособления для закернивания центральной втулки при сборке: 1 - направляющая для закернивания; 2 - центральная втулка

Рис. 67. Кернение центральной втулки при сборке: 1 - керн; 2 - центральная втулка; 3 - пружинное кольцо; 4 - диафрагменная пружина; 5 - опорная пята; 6 - фиксирующая оправка