РЕМКОМПЛЕКТ
эксплуатация, техническое обслуживание, ремонт автомобиля ВАЗ 1111
ВАЗ 1111







Генератор

Техническая характеристика

Максимальная сила тока отдачи (при 13 В и 5000 мин-1), А

55

Пределы регулируемого напряжения, В

14,1+0,5

Максимальная частота вращения ротора, мин-1

13000

Передаточное отношение двигатель/генератор

1:2,04

Генератор типа 37.3701 - переменного тока, трехфазный, со встроенным выпрямительным блоком и электронным регулятором напряжения, правого вращения (со стороны привода).

Статор 21 (рис. 7-2) и крышки 1 и 19 стянуты четырьмя болтами. Вал 8 ротора вращается в подшипниках 6 и 18, которые установлены в крышках. Питание к обмотке ротора (обмотке возбуждения) подводится через щетки и контактные кольца 5.

Трехфазный переменный ток, индуктируемый в обмотке статора, преобразуется в постоянный выпрямительным блоком 2, закрепленным на крышке 1. Электронный регулятор 12 объединен в один блок со щеткодержателем и также крепится на крышке 1.

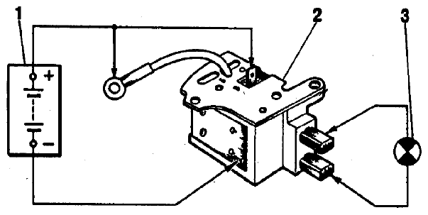
Схема соединений генератора показана на рис. 7-3. Напряжение для возбуждения генератора при включении зажигания подводится к клемме "В" регулятора через контрольную лампу 4.

Рис. 7-3. Схема соединений генератора: 1 - аккумуляторная батарея; 2 - стартер; 3 - генератор; 4 - контрольная лампа разряда аккумуляторной батареи; 5 - блок предохранителей: 6 - реле выключателя зажигания; 7 - выключатель зажигания

После пуска двигателя обмотка возбуждения генератора питается от трех дополнительных диодов, установленных на выпрямительном блоке. При этом ток через контрольную лампу не проходит и она не горит. Управляющее напряжение подается на вывод "Б" регулятора напряжения непосредственно от клеммы "30" генератора. Вывод "Ш" регулятора маркировки не имеет. С ним соединяется щетка 13 (см. рис. 7-2).

С 1996 г. у генератора 37.3701 изменено устройство регулятора напряжения и щеткодержателя. Теперь регулятор напряжения размещен в металлическом корпусе и приклепан к щеткодержателю (см. рис. 7-2), т. е. образует с ним неразборный узел. У нового регулятора напряжения отсутствует вывод "Б" и напряжение подается только к выводу "В". По своим характеристикам прежний и новый регуляторы напряжения одинаковы и в сборе со щеткодержателем взаимозаменяемы.

ПРЕДУПРЕЖДЕНИЯ

"Минус" аккумуляторной батареи всегда должен соединяться с "массой", а "плюс" - подключаться к зажиму "30" генератора. Ошибочное обратное включение батареи немедленно вызовет повышенный ток через вентили генератора и они выйдут из строя. Запрещена работа генератора с отсоединенной аккумуляторной батареей. Это вызовет возникновение кратковременных перенапряжений на зажиме "30" генератора; которые могут повредить регулятор напряжения генератора и электронные устройства в бортовой сети автомобиля. Запрещается проверка работоспособности генератора "на искру" даже кратковременным соединением зажима "30" генератора с "массой". При этом через вентили протекает значительный ток и они выйдут из строя. Проверять генератор можно только с помощью амперметра и вольтметра.

Вентили генератора нельзя проверять напряжением более 12В или мегомметром. Последний имеет слишком высокое для вентилей напряжение и при проверке они будут пробиты (произойдет короткое замыкание). Запрещается проверка электропроводки автомобиля мегомметром или лампой с напряжением более 12 В. Если такая проверка необходима - предварительно следует отсоединить провода от генератора. Проверять сопротивление изоляции обмотки статора повышенным напряжением следует только на стенде и обязательно с отсоединенными от вентилей вы водам и фазных обмоток.

При электросварке узлов и деталей кузова автомобиля следует отсоединять провода от всех клемм генератора и аккумуляторной батареи.

ВОЗМОЖНЫЕ НЕИСПРАВНОСТИ, ИХ ПРИЧИНЫ И МЕТОДЫ УСТРАНЕНИЯ

Причина неисправности

Метод устранения

Контрольная лампа не загорается при включении зажигания. Контрольные приборы работают

1. Перегорела контрольная лампа

1 . Замените контрольную лампу

2. Недостаточный прижим контактов патрона лампы к печатной плате комбинации приборов

2. Подогните контакты патрона лампы или замените его

3. Обрыв в цепи питания контрольной лампы

3. Проверьте провод "КБ" и его соединения от генератора до комбинации приборов

Контрольная лампа не загорается при включении зажигания. Контрольные приборы не работают

1. Перегорел предохранитель № 2 в блоке предохранителей

1. Замените предохранитель

2. Обрыв в проводах питания комбинации приборов:

2. Проверьте:

- не подается напряжение от штекера "Б" блока предохранителей к комбинации приборов;

- провод "О" и его соединения от блока предохранителей до комбинации приборов;

- не подается напряжение от выключателя зажигания к штекеру "Б" блока предохранителей

- провод "ГЧ" и его соединения от блока предохранителей до комбинации приборов

3. Не срабатывает выключатель или реле зажигания

3. Замените неисправную контактную часть выключателя или реле зажигания

Контрольная лампа горит при работе двигателя. Аккумуляторная батарея разряжена

1. Проскальзывание ремня привода генератора

1. Отрегулируйте натяжение ремня

2. Обрыв или короткое замыкание в диодах питания обмотки возбуждения

2. Замените поврежденные диоды

3. Поврежден регулятор напряжения (короткое замыкание между выводами "В" и "Ш")

3. Замените регулятор напряжения

4. Обрыв в одном или нескольких вентилях генератора, короткое замыкание в отрицательных вентилях

4. Замените выпрямительный блок

5. Обрыв или межвитковое замыкание в обмотке статора, замыкание ее на "массу"

5. Замените статор генератора

6. Короткое замыкание на массу выводов обмотки возбуждения генератора

6. Устраните замыкание или замените ротор генератора

Контрольная лампа не горит при работе двигателя. Аккумуляторная батарея разряжена

1. Нет контакта между выводами "В" и "Ш" регулятора напряжения и выводами щеток

1. Зачистите выводы "В" и "Ш" регулятора напряжения и щеток

2. Износ или зависание щеток, окисление контактных колец

2. Замените щеткодержатель со щетками, протрите кольца салфеткой, смоченной в бензине

3. Поврежден регулятор напряжения (обрыв между выводом "Ш" и "массой")

3. Замените регулятор напряжения

4. Отсоединился провод от вывода "В" щеткодержателя

4. Присоедините провод

5. Короткое замыкание в положительных вентилях

5. Замените выпрямительный блок

6. Отрыв выводов обмотки возбуждения от контактных колец

6. Припаяйте выводы или замените ротор генератора

Аккумуляторная батарея перезаряжается

Поврежден регулятор напряжения (короткое замыкание между выводом "Ш" и "массой")

Замените регулятор напряжения

Повышенная шумность генератора

1. Ослаблена гайка шкива генератора

1. Подтяните гайку

2. Повреждены подшипники генератора

2. Замените подшипники

3. Межвитковое замыкание или замыкание на "массу" обмотки статора (вой генератора)

3. Замените статор

4. Короткое замыкание в одном из вентилей генератора

4. Замените выпрямительный блок

5. Скрип щеток

5. Протрите щетки и контактные кольца салфеткой, смоченной в бензине

КОНТРОЛЬНЫЕ ПРОВЕРКИ ГЕНЕРАТОРА

Проверка генератора на стенде

Проверка на стенде позволяет определить исправность генератора и соответствие его характеристик номинальным. У проверяемого генератора щетки должны быть хорошо притерты к контактным кольцам коллектора, а сами кольца чистыми.

Установите генератор на стенд и выполните соединения как указано на рис. 7-4. Включите электродвигатель стенда, реостатом 4. установите напряжение на выходе генератора 13 В и доведите частоту вращения ротора до 5000 мин-1. Дайте генератору поработать на этом режиме не менее 10 мин, а затем замерьте силу тока отдачи. У исправного генератора она должна быть не менее 55 А.

Рис. 7-4. Схема соединений для проверки генератора на стенде: 1 - контрольная лампа 12 В, 3 Вт; 2 - генератор;

3 - вольтметр; 4 - реостат; 5 - амперметр; 6 - выключатель; 7 - аккумуляторная батарея

Если замеренная величина отдаваемого тока меньше, то это говорит о неисправностях в обмотках статора и ротора, а также повреждении вентилей. В этом случае необходима тщательная проверка обмоток и вентилей, чтобы определить место неисправности.

Напряжение на выходе генератора проверяется при частоте вращения ротора 5000 мин-1. Реостатом 4 установите ток отдачи 15 А и замерьте напряжение на выходе генератора, которое должно быть 14,1+0,5 В при температуре окружающего воздуха (и генератора) 25+10°С.

Если напряжение не укладывается в указанные пределы, то замените регулятор напряжения другим, заведомо исправным, после чего повторите проверку. Если напряжение будет нормальным - старый регулятор напряжения поврежден и его необходимо заменить. Если напряжение по-прежнему не будет укладываться в указанные выше пределы - необходимо проверить обмотки и вентили генератора.

Проверка генератора электронным осциллографом

Осциллограф позволяет по форме кривой выпрямленного напряжения точно и быстро проверить исправность генератора, а также определить характер повреждения.

Рис. 7-5. Схема соединении для проверки генератора осциллографом: 1 - контрольная лампа 12 В, 3 Вт; 2 - генератор; 3 - вольтметр; 4 - реостат; 5 - амперметр; 6 - выключатель; 7 - аккумуляторная батарея

Для проверки соберите схему, показанную на рис. 7-5. Отсоедините провод общего вывода трех дополнительных диодов от штекера "В" регулятора напряжения и примите меры, чтобы наконечник отсоединенного провода не замкнулся с массой генератора. К штекеру "В" регулятора через контрольную лампу 1 присоедините провод от аккумуляторной батареи. Таким образом, обмотка возбуждения будет питаться только от аккумуляторной батареи.

Включите электродвигатель стенда и доведите частоту вращения ротора до 1500-2000 мин-1. Выключателем 6 отключите аккумуляторную батарею от клеммы "30" генератора и реостатом 4 установите ток отдачи 10 А.

Проверьте по осциллографу напряжение на клемме "30" генератора. При исправных вентилях и обмотке статора кривая выпрямленного напряжения имеет пилообразную форму с равномерными зубцами (рис. 7-6, I). Если имеется обрыв в обмотке статора, либо обрыв или короткое замыкание в вентилях выпрямительного блока - форма кривой резко меняется: нарушается равномерность зубцов и появляются глубокие впадины (рис. 7-6, II и III).

Рис. 7-6. Форма кривой выпрямленного напряжения генератора: I - генератор исправен; II - вентиль пробит; III - обрыв в цепи вентиля (обмотке статора)

Проверив форму кривой напряжения на клемме "30" генератора и убедившись, что она имеет нормальный вид, затем проверяют напряжение на штекере "61 " или на наконечнике провода, отсоединенного от штекера "В" регулятора напряжения. Эти точки являются общим выводом трех дополнительных диодов (см. рис. 7-3), питающих обмотку возбуждения при работе генератора. Форма кривой напряжения здесь тоже должна иметь правильную пилообразную форму. Искаженная форма кривой свидетельствует о повреждении дополнительных диодов.

Проверка обмотки возбуждения ротора

Обмотку возбуждения можно проверить без демонтажа генератора - только сняв регулятор напряжения вместе с щеткодержателем. Зачистив при необходимости шлифовальной шкуркой контактные кольца, омметром или контрольной лампой проверяют возможность обрыва или замыкания на "массу" в обмотке возбуждения.

Проверка статора

Статор проверяется отдельно, после разборки генератора. Выводы его обмотки должны быть отсоединены от вентилей выпрямителя.

В первую очередь проверьте омметром или с помощью контрольной лампы и аккумуляторной батареи наличие обрывов в обмотке статора и замыкание её витков на массу.

Изоляция проводов обмотки должна быть без следов перегрева, который происходит при коротком замыкании в вентилях выпрямительного блока. Статор с такой поврежденной обмоткой замените. И наконец, специальным дефектоскопом проверьте наличие короткозамкнутых витков в обмотке статора.

Проверка вентилей выпрямительного блока

Исправный вентиль пропускает ток только в одном направлении. Неисправный - вообще не пропускает ток (обрыв цепи), или пропускает его в обоих направлениях (короткое замыкание).

В случае повреждения одного из вентилей выпрямителя - заменяется целиком выпрямительный блок.

Короткое замыкание вентилей выпрямительного блока можно проверить без демонтажа генератора с автомобиля, лишь предварительно отсоединив провода от аккумуляторной батареи и генератора. Также отсоединяется вывод "Б" регулятора от клеммы "30" генератора и провод от вывода "В" регулятора напряжения. Проверить можно омметром или с помощью лампы (1-5 Вт, 12 В) и аккумуляторной батареи, как показано на рис. 7-7.

Рис. 7-7. Схемы для проверки вентилей выпрямителя: 1 - аккумуляторном батарея; 2 - контрольная лампа; 3 - генератор; I - проверка одновременно положительных" и отрицательных вентилей; II - проверка отрицательных" вентилей; III - проверка положительных" вентилей

Примечание. С целью упрощения монтажа деталей выпрямителя три вентиля (с красной маркировкой) имеют на корпусе "плюс" выпрямленного напряжения. Эти вентили "положительные и запрессованы в одну пластину выпрямительного блока, соединенную с выводом "30" генератора. Другие три вентиля ("отрицательные", с черной маркировкой) имеют на корпусе "минус" выпрямленного напряжения. Они запрессованы в другую пластину выпрямительного блока, соединенную с "массой".

Сначала проверьте возможность замыкания одновременно в "положительных" и "отрицательных" вентилях. Для этого "плюс" батареи через лампу подсоедините к зажиму "30" генератора, а "минус" - к корпусу генератора (рис. 7-7, I). Если лампа горит - "отрицательные" и "положительные" вентили имеют короткое замыкание.

Короткое замыкание "отрицательных" вентилей можно проверить, соединив "плюс" батареи через лампу с одним из болтов крепления выпрямительного блока, а "минус" - с корпусом генератора (рис. 7-7, II). Горение лампы означает короткое замыкание в одном или нескольких "отрицательных" вентилях, а также может быть следствием замыкания витков обмотки статора на корпус генератора. Однако последняя неисправность встречается реже, чем короткое замыкание вентилей.

Для проверки короткого замыкания в "положительных" вентилях "плюс" батареи через лампу соединяют с зажимом "30" генератора, а "минус" - с одним из болтов крепления выпрямительного блока (рис. 7-7, III). Горение лампы укажет на короткое замыкание одного или нескольких "положительных" вентилей.

Обрыв в вентилях без разборки генератора можно обнаружить как осциллографом, так и при проверке генератора на стенде по значительному снижению (на 20-30%) величины отдаваемого тока по сравнению с номинальным. Если обмотки, дополнительные диоды и регулятор напряжения генератора исправны, а в вентилях нет короткого замыкания, то причиной уменьшения отдаваемого тока является обрыв в вентилях.

Проверка дополнительных диодов

Короткое замыкание дополнительных диодов можно проверить без снятия и разборки генератора по схеме, приведенной на рис. 7-8.

Рис. 7-8. Схема для проверки дополнительных диодов: 1 - аккумуляторная батарея; 2 - контрольная лампа; 3 - генератор

Так же, как и для проверки вентилей выпрямительного блока, при этом необходимо отсоединить провода от аккумуляторной батареи, генератора и провод от вывода "В" регулятора напряжения, "Плюс" батареи через лампу (1-3 Вт, 12 В) присоедините к выводу "61" генератора, а "минус" - к одному из болтов крепления выпрямительного блока.

Если лампа загорится - в каком-то из дополнительных диодов имеется короткое замыкание. Найти поврежденный диод можно, только сняв выпрямительный блок и проверяя каждый диод в отдельности.

Обрыв в дополнительных диодах можно обнаружить осциллографом по искажению кривой напряжения на штекере "61", а также по низкому напряжению (ниже 14 В) на штекере "61" при средней частоте вращения ротора генератора.

Проверка регулятора напряжения

Работа регулятора напряжения заключается в непрерывном и автоматическом изменении силы тока возбуждения генератора таким образом, чтобы напряжение генератора поддерживалось в заданных пределах при изменении частоты вращения и тока нагрузки генератора.

Проверка на автомобиле. Для проверки необходимо иметь вольтметр постоянного тока со шкалой до 15-30 В класса точности не хуже 1,0.

После 15 мин работы двигателя на средних оборотах при включенных фарах замерьте напряжение между клеммой "30" и "массой" генератора, которое должно находится в пределах 13,6-14,6 В. Если наблюдается систематический недозаряд или перезаряд аккумуляторной батареи, регулируемое напряжение не укладывается в указанные пределы - регулятор напряжения необходимо заменить.

Проверка снятого регулятора. Регулятор, снятый с генератора, проверяется по схеме, приведенной на рис. 7-9.

Рис. 7-9. Схема для проверки регулятора напряжения: 1 - аккумуляторная батарея; 2 - регулятор напряжения; 3 - контрольная лампа

Его желательно проверять в сборе со щеткодержателем, так как при этом можно обнаружить обрывы выводов щеток и плохой контакт между выводами регулятора напряжения и щеткодержателя. Между щетками включите лампу 1-3 Вт, 12 В. К выводам "Б", "В" и к "массе" регулятора присоедините источник питания - сначала напряжением 12 В, а затем и 15-16 В.

Если регулятор исправен, то в первом случае лампа должна гореть, а во втором - гаснуть.

Если лампа горит в обоих случаях - в регуляторе пробой. Если не горит в обоих случаях - в регуляторе имеется обрыв или нет контакта между щетками и выводами регулятора напряжения.

Проверка конденсатора

Конденсатор служит для защиты электронного оборудования автомобиля от импульсов напряжения в системе зажигания и для снижения помех радиоприему.

Повреждение конденсатора или ослабление его крепления на генераторе (ухудшение контакта с массой) обнаруживается по увеличению помех радиоприему при работающем двигателе.

Ориентировочно исправность конденсатора можно проверить мегомметром или тестером (по шкале 1-10 МОм). Если в конденсаторе нет обрыва, то в момент присоединения щупов прибора к выводам конденсатора стрелка должна отклонится в сторону уменьшения сопротивления, а затем постепенно вернуться обратно.

Емкость конденсатора, замеренная специальным прибором, должна быть 2,2 мкф+20%.

РЕМОНТ ГЕНЕРАТОРА

Разборка и сборка генератора

Отсоедините провод от штекера "В" регулятора напряжения. Отсоедините провода регулятора и конденсатора от клеммы "30" генератора и отверните винты крепления регулятора напряжения. Чтобы не сломать щетки при снятии щеткодержателя, вставьте лезвие отвертки между корпусом регулятора 1 (рис. 7-10) и щеткодержателем 2, затем частично выдвиньте регулятор из генератора, оставив на месте щеткодержатель. После этого наклоните генератор и извлеките регулятор совместно со щеткодержателем. Снимите конденсатор 20, отвернув винт крепления.

Рис. 7-10. Детали генератора: 1 - регулятор напряжения; 2 - щеткодержатель; 3 - колодка вывода дополнительных диодов; 4 - изолирующие втулки; 5 - выпрямительный блок; 6 - контактный болт; 7 - статор; 8 - ротор; 9 - дистанционная втулка; 10 - внутренняя шайба крепления подшипника; 11 - крышка со стороны привода; 12 - шкив; 13 - наружная шайба крепления подшипника; 14 - стяжной болт; 15 - передний шарикоподшипник ротора; 16 - втулка; 17 - крышка со стороны контактных колец; 18 - буферная втулка; 19 - поджимная втулка; 20 - конденсатор

Отверните гайки стяжных болтов 14 и снимите крышку 11 генератора вместе с ротором и шкивом.

Зажмите ротор в тисках, отверните гайку шкива и съемником 02.7823.9504 снимите шкив с вала ротора. Выньте из паза на валу сегментную шпонку и снимите крышку 11.

Отверните гайки винтов, соединяющих наконечники вентилей с выводами обмотки статора и извлеките статор 7 из крышки 17 генератора. Отверните гайку контактного болта 6, отсоедините от колодки 3 штекер провода дополнительных диодов и снимите выпрямительный блок 5.

Собирается генератор в последовательности, обратной разборке. Во избежание поломки щеток, перед установкой регулятора со щеткодержателем на место необходимо не вставлять полностью щеткодержатель в регулятор, а лишь частично задвинуть и в таком виде вставить в генератор. После установки щеткодержателя на место в крышке генератора легким нажатием на регулятор вдвиньте его в генератор.

Несоосность отверстий в лапах крышек генератора должна быть не более 0,4 мм. Поэтому при сборке необходимо вставлять в эти отверстия специальный калибр.

Коническая пружинная шайба шкива выпуклой стороной должна соприкасаться с гайкой. Гайку шкива затягивайте моментом 38,4-88 H·м (3,9-9,0 кгс·м).

Замена щеткодержателя

Если щетки износились и выступают из щеткодержателя менее, чем на 5 мм - замените щеткодержатель вместе со щетками. Для замены выдвиньте щеткодержатель из корпуса регулятора напряжения, нажав на вывод "В".

У генераторов выпуска с 1996 г. с неразборным узлом регулятор-щеткодержатель заменяется щеткодержатель в сборе с регулятором напряжения.

Перед установкой регулятора напряжения с новым щеткодержателем продуйте и протрите гнездо в генераторе от угольной пыли и масла.

Замена подшипников ротора

Для извлечения неисправного подшипника из крышки со стороны привода отверните гайки винтов, стягивающих шайбы крепления подшипника, снимите шайбы с винтами и на ручном прессе выпрессуйте подшипник. Если гайки винтов не отворачиваются (концы винтов раскернены) - спилите концы винтов.

Устанавливать новый подшипник в крышку генератора можно только в том случае, если отверстие для подшипника не деформировано и диаметр его не более 42 мм. Если это не так - замените крышку новой.

Подшипник в крышку запрессовывается на прессе и зажимается между двумя шайбами, стянутыми винтами с гайками. После затягивания гаек концы винтов раскерните.

При замене подшипника ротора со стороны контактных колец необходимо одновременно заменять и крышку, так как при повреждении подшипника повреждается и гнездо в крышке. Подшипник снимается с ротора съемником и напрессовывается с помощью пресса.

Замена дополнительных диодов

Отпаяйте выводы поврежденного диода и аккуратно извлеките его из пластмассового держателя, не допуская резких ударов по выпрямительному блоку. Затем очистите место установки диода от остатков эпоксидной смолы, установите и припаяйте новый диод. Вывод диода с цветной меткой припаивайте к выводам вентилей. После припайки приклейте корпус диода к держателю эпоксидной смолой.

Натяжение ремня привода генератора

Нормальный прогиб "А" (рис. 7-11) ремня должен быть в пределах 10-15 мм при усилии 98 H (10 кгс).

Рис. 7-11. Проверка натяжения ремня генератора: 1 - гайка; 2 - натяжная планка; 3 - генератор; 4 - ремень; А - прогиб ремня

Для увеличения натяжения ремня необходимо:

- отпустить гайки крепления генератора к кронштейну и натяжной планке 2;

- сместить генератор в сторону от двигателя и вновь затянуть гайки;

- повернуть коленчатый вал на два оборота и проверить натяжение ремня.

Избегайте излишнего натяжения ремня, что вызывает повышенные нагрузки на подшипники генератора.