![]() |
![]() |
![]() |
|||
| РЕМКОМПЛЕКТ эксплуатация, техническое обслуживание, ремонт автомобиля Lada Samara 113, 114 с двигателями 1,5i и 1,6i |
|||||
|
|
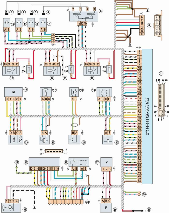
Схема системы управления двигателем 11183 (1,6i)
Схема системы управления двигателем 11183 (1,6i): 1 - свеча зажигания четвертого цилиндра; 2 - свеча зажигания третьего цилиндра; 3 - свеча зажигания второго цилиндра; 4 - свеча зажигания первого цилиндра; 5 - катушка зажигания; 6 - колодка диагностического разъема; 7 - форсунка первого цилиндра; 8 - форсунка второго цилиндра; 9 - форсунка третьего цилиндра; 10 - форсунка четвертого цилиндра; 11 - электронный блок управления (ЭБУ); 12 - реле включения топливного насоса; 13 - к электровентилятору радиатора двигателя; 14 - реле включения электровентилятора радиатора двигателя; 15 - главное реле системы управления двигателем; 16 - датчик массового расхода воздуха; 17 - датчик положения дроссельной заслонки; 18 - датчик температуры охлаждающей жидкости; 19 - регулятор холостого хода; 20 - клапан продувки адсорбера; 21 - датчик положения коленчатого вала; 22 - датчик детонации; 23 - датчик концентрации кислорода; 24 - к выключателю (замку) зажигания; 25 - электронный блок управления иммобилайзером; 26 - датчик иммобилайзера с сигнализатором; 27- датчик скорости автомобиля; 28 - резервная колодка; 29 - к положительному выводу аккумуляторной батареи; 30 - датчик положения распределительного вала; 31 - колодка для соединения с электрической сетью автомобиля; 32 - топливный модуль; F1 - предохранитель ЭБУ и цепей системы управления двигателем; F2 - предохранитель ЭБУ; F3 - предохранитель цепи топливного насоса |
||||