РЕМКОМПЛЕКТ
эксплуатация, техническое обслуживание, ремонт автомобиля ВАЗ 2115, ВАЗ 2115-01, ВАЗ 2115-20, ВАЗ 2114, ВАЗ 2114-20
ВАЗ 2115







Автомобиль ВАЗ-2115-01

Карбюраторный двигатель

Рис. 9-1. Продольный разрез двигателя 21083-60

Рис. 9-2. Поперечный разрез двигателя 21083-60

На части выпускаемых автомобилей ВАЗ-2115 устанавливается карбюраторный двигатель 21083-60 (рис. 9-1 и 9-2). От двигателя с системой впрыска топлива, описанного в разделе "Двигатель", он отличается системой питания, конструкцией впускного трубопровода и выпускного коллектора, системой охлаждения, системой выпуска отработавших газов и применением бесконтактной системы зажигания. Кроме того, на этом двигателе применяются другие генератор и стартер.

В этом разделе приводятся неисправности, характерные для карбюраторного двигателя, описываются особенности снятия и установки, разборки и сборки двигателя, особенности устройства и ремонта его оригинальных систем.

Устройство и ремонт механической части двигателя и системы смазки не отличается от описанного в разделе "Двигатель".

Характеристика двигателя 21083-60

Тип двигателя

четырехцилиндровый, рядный, четырехтактный, бензиновый, карбюраторный

Диаметр цилиндра и ход поршня, мм

82x71

Рабочий объем, л

1,5

Степень сжатия

9,8

Номинальная мощность по ГОСТ, кВт (л.с.)

49 (67,5)

Частота вращения коленчатого вала двигателя при номинальной мощности, мин-1

5600

Минимальная частота вращения коленчатого вала на режиме холостого хода, мин-1

750-800

ВОЗМОЖНЫЕ НЕИСПРАВНОСТИ КАРБЮРАТОРНОГО ДВИГАТЕЛЯ, ИХ ПРИЧИНЫ И МЕТОДЫ УСТРАНЕНИЯ

Неисправности, связанные с механической частью двигателя, а также с системами охлаждения и смазки, см. в разделе "Двигатель".

Причина неисправности

Метод устранения

Двигатель не запускается

1. Нет топлива в карбюраторе:

1. Проделайте следующее:

- засорены топливопроводы или топливный фильтр;

- продуйте топливопроводы, промойте топливный бак, замените топливный фильтр;

- засорены фильтры карбюратора и топливного насоса;

- промойте фильтры;

- неисправен топливный насос

- проверьте работу насоса и замените поврежденные детали

2. Не открывается электромагнитный клапан карбюратора при включении зажигания:

2. Проделайте следующее:

- обрыв в проводах, идущих к блоку управления клапаном и к клапану;

- проверьте провода и их соединения, поврежденные провода замените;

- неисправен блок управления электромагнитным клапаном;

- замените блок управления;

- неисправен электромагнитный клапан

- замените клапан

3. Неисправно пусковое устройство карбюратора

3. Замените поврежденные детали пускового устройства

4. Неисправна система зажигания

4. См. главу "Бесконтактная система зажигания"

Двигатель работает неустойчиво или глохнет на холостом ходу

1. Нарушена регулировка холостого хода двигателя

1. Отрегулируйте холостой ход

2. Неисправна система управления электромагнитным клапаном карбюратора

2. См. неисправность "Двигатель не запускается"

3. Неисправен карбюратор:

3. Проделайте следующее:

- засорены жиклеры или каналы карбюратора;

- продуйте жиклеры и каналы карбюратора;

- вода в карбюраторе;

- удалите воду из карбюратора, слейте отстой из топливного бака;

- нарушена герметичность диафрагмы пускового устройства

- замените диафрагму

4. Подсос воздуха через поврежденный шланг, соединяющий впускную трубу с вакуумным усилителем тормозов

4. Замените поврежденный шланг

5. Подсос воздуха через прокладки в соединениях впускной трубы с карбюратором или с головкой цилиндров

5. Подтяните гайки крепления или замените прокладки; устраните деформацию фланца карбюратора или замените карбюратор

6. Подсос воздуха через поврежденную трубку отбора разрежения к датчику-распределителю зажигания

6. Замените поврежденную трубку

7. Неисправна система зажигания

7. См. главу "Бесконтактная система зажигания"

Двигатель не развивает полной мощности и не обладает достаточной приемистостью

1 . Неполное открытие дроссельных заслонок карбюратора

1 . Отрегулируйте привод дроссельных заслонок

2. Загрязнен фильтрующий элемент воздушного фильтра

2. Замените фильтрующий элемент

3. Неисправна система зажигания

3. См. главу "Бесконтактная система зажигания"

4. Неисправен топливный насос

4. Проверьте работу насоса и замените поврежденные детали

5. Неисправен карбюратор:

5. Проделайте следующее:

- неисправен насос-ускоритель;

- проверьте подачу насоса, замените поврежденные детали;

- засорены главные жиклеры;

- продуйте жиклеры сжатым воздухом;

- не полностью открыта воздушная заслонка;

- отрегулируйте или отремонтируйте автоматическое пусковое устройство карбюратора;

- уровень топлива в поплавковой камере не соответствует норме;

- отрегулируйте установку поплавка;

- нарушена герметичность диафрагмы экономайзера мощностных режимов

- замените диафрагму

6. Засорена вентиляционная трубка топливного бака

6. Продуйте трубку сжатым воздухом

7. Нарушены зазоры в клапанном механизме

7. Отрегулируйте зазоры

8. Не совпадают установочные метки фаз газораспределения

8. Переставьте зубчатый ремень, совместив установочные метки

9. Недостаточная компрессия - ниже 1 МПа (10 кгс/см2):

9. Проделайте следующее:

- поломка или залегание поршневых колец;

- очистите кольца и канавки поршней от нагара, поврежденные детали замените;

- плохое прилегание клапанов к седлам;

- замените поврежденные клапаны, отшлифуйте седла;

- чрезмерный износ цилиндров и поршневых колец

- замените поршни, расточите и отхонингуйте цилиндры

Повышенный расход топлива

1. Не полностью открыта воздушная заслонка карбюратора

1. Отрегулируйте автоматическое пусковое устройство карбюратора

2. Повышенное сопротивление движению автомобиля

2. Проверьте и отрегулируйте давление в шинах, тормозную систему, углы установки колес

3. Неправильная установка момента зажигания

3. Отрегулируйте установку момента зажигания

4. Неисправен вакуумный регулятор датчика-распределителя зажигания

4. Замените вакуумный регулятор или датчик-распределитель зажигания

5. Высокий уровень топлива в карбюраторе:

5. Проделайте следующее:

- нарушена герметичность игольчатого клапана или его прокладки;

- проверьте, нет ли посторонних частиц между иглой и седлом клапана, при необходимости замените клапан или прокладку;

- заедание или повышенное трение, препятствующее нормальному передвижению поплавков

- проверьте и при необходимости замените поплавки

6. Засорены воздушные жиклеры карбюратора

6. Очистите жиклеры

7. Нарушена герметичность диафрагмы экономайзера мощностных режимов карбюратора

7. Замените диафрагму

8 . Электромагнитный клапан карбюратора не перекрывает подачу топлива на принудительном холостом ходу:

8. Проделайте следующее:

- не замыкается с массой подвижный контакт концевого выключателя;

- зачистите контактные поверхности выключателя;

- обрыв в проводе, соединяющем блок управления с концевым выключателем карбюратора;

- проверьте провод и его соединения; замените поврежденный провод;

- неисправен блок управления

- замените блок управления

СНЯТИЕ И УСТАНОВКА СИЛОВОГО АГРЕГАТА

Снятие и установку силового агрегата производите в следующем порядке.

Поставьте автомобиль на подъемник и затормозите его стояночным тормозом. Установите упоры под задние колеса, вывесьте передние колеса и откройте капот.

Поднимите автомобиль на подъемнике и снимите брызговик двигателя, отвернув болты его крепления к кузову.

Слейте охлаждающую жидкость, отвернув сливные пробки блока цилиндров и радиатора при снятой крышке расширительного бачка и открытом кране отопителя.

Слейте масло из коробки передач, отвернув сливную пробку.

Отсоедините провод от минусовой клеммы аккумуляторной батареи. Отсоедините провода от узлов электрооборудования, установленных на силовом агрегате.

Отсоедините провод массы от силового агрегата, отвернув гайку крепления наконечника провода к двигателю.

Снимите воздушный фильтр, отсоединив шланг системы вентиляции картера от крышки головки цилиндров, а шланг подачи теплого воздуха от заборника теплого воздуха. Закройте карбюратор сверху технологической крышкой.

Отсоедините от топливного насоса шланг подачи топлива, а от карбюратора шланг слива топлива (если он имеется на автомобиле). Отсоедините вакуумный шланг от вакуумного усилителя тормозов.

Отсоедините шланги от патрубка головки цилиндров и термостата.

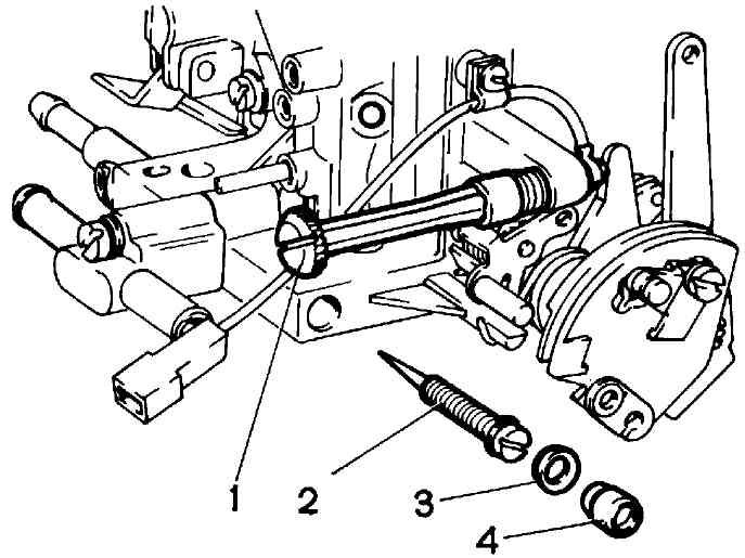
Рис. 9-3. Привод карбюратора: 1 - сектор привода дроссельных заслонок; 2 - возвратная пружина; 3 - кронштейн троса привода дроссельных заслонок; 4 - трос привода дроссельных заслонок

Снимите возвратную пружину 2 (рис. 9-3) и отсоедините от двигателя трос 4 привода дроссельных заслонок карбюратора.

Отсоедините от коробки передач трос привода сцепления.

Дальше операции по снятию силового агрегата выполняются в порядке описанном в разделе "Двигатель".

Устанавливайте силовой агрегат в порядке, обратном снятию. После присоединения привода дроссельных заслонок к карбюратору отрегулируйте его, как описано в главе "Карбюратор". Привод выключения сцепления также отрегулируйте согласно указаниям подраздела "Сцепление" в разделе "Трансмиссия". Проверьте и отрегулируйте углы установки передних колес (см. подраздел "Передняя подвеска" в разделе IV).

ПРЕДУПРЕЖДЕНИЕ. Перед соединением валов привода передних колес с коробкой передач установите новые стопорные кольца на наконечники внутренних шарниров. Повторное использование стопорных колец недопустимо, так как это может привести к самопроизвольному отсоединению валов от коробки передач при движении автомобиля.

РАЗБОРКА ДВИГАТЕЛЯ

Вымытый и очищенный двигатель установите на стенд для разборки и слейте из картера масло. Разборку проводите в следующем порядке.

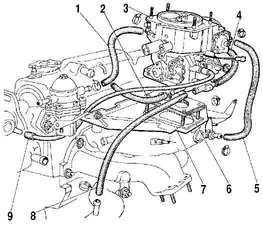
Рис. 9-4. Снятие карбюратора: 1 - шланг подвода топлива; 2 - шланг системы вентиляции картера двигателя; 3 - карбюратор; 4 - шланг отвода жидкости из пускового устройства; 5 - шланг подвода охлаждающей жидкости; 6 - проставка; 7 - теплоизолирующий экран; 8 - шланг отвода охлаждающей жидкости; 9 - шланг вакуумного регулятора датчика-распределителя зажигания

Снимите шланг 1 (рис. 9-4), идущий от топливного насоса к карбюратору, и шланг 2 системы вентиляции картера двигателя; снимите шланги 5 и 8 подвода и отвода жидкости из системы охлаждения к карбюратору и шланг 9 вакуумного регулятора датчика-распределителя зажигания.

Снимите карбюратор 3 с проставкой 6 и теплоизолирующий экран 7.

Снимите провода высокого напряжения и датчик-распределитель 1 (рис. 9-5) зажигания с уплотнительным кольцом 3 и кронштейном 2. Снимите топливный насос 8 с теплоизоляционной проставкой 6, толкателем 7 и прокладками. Снимите корпус 4 вспомогательных агрегатов с уплотнительным кольцом 5.

Рис. 9-5. Снятие топливного насоса и датчика-распределителя зажигания: 1 - датчик-распределитель зажигания; 2 - кронштейн крепления высоковольтных проводов; 3,5 - уплотнительные кольца; 4 - корпус вспомогательных агрегатов; 6 - теплоизоляционная проставка; 7 - толкатель; 8 - топливный насос

Рис. 9-6. Снятие генератора: 1 - натяжная планка; 2 - генератор; 3 - кронштейн крепления генератора; 4 - ремень привода генератора; 5 - шкив привода генератора

Снимите натяжную планку 1 (рис. 9-6) и ремень 4 привода генератора. Снимите генератор и кронштейн 3 его крепления. Заблокируйте маховик фиксатором 67.7820.9526 (см. рис. 2-12), отверните болт крепления шкива 5 (см. рис. 9-6) привода генератора и снимите шкив с коленчатого вала.

Снимите переднюю крышку 1 (см. рис. 2-8) зубчатого ремня. Отверните гайку крепления механизма натяжения. Ослабьте и снимите зубчатый ремень. Снимите натяжной ролик 7 с дистанционной шайбой 6. Придерживая шкив 4 распределительного вала от проворачивания приспособлением 67.7811.9509, отверните болт крепления шкива, снимите шкив и шпонку. Снимите зубчатый шкив 5 с коленчатого вала.

Отверните болты крепления насоса 2 (см. рис. 2-9) охлаждающей жидкости. Отверните болт и гайку крепления задней крышки 1 зубчатого ремня и снимите ее. Выньте из гнезда в блоке цилиндров насос охлаждающей жидкости с прокладкой 3.

Снимите впускную трубу 2 (рис. 9-7) и выпускной коллектор 5 с прокладками 6, заборником 3 теплого воздуха и кронштейном 4. Выверните из головки цилиндров датчик 1 контрольной лампы давления масла.

Примечание. Если полная разборка двигателя не требуется, то можно снять головку цилиндров в сборе с трубопроводами и вспомогательными агрегатами.

Рис. 9-7. Снятие впускной трубы и выпускного коллектора: 1 - датчик контрольной лампы давления масла; 2 - впускная труба; 3 - заборник теплого воздуха; 4 - кронштейн подводящей трубы насоса охлаждающей жидкости; 5 - выпускной коллектор; 6 - прокладка

Снимите шланги 3 и 4 (рис. 2-8) подвода и отвода охлаждающей жидкости к отопителю. Отсоедините шланги от термостата 6 и снимите его. Снимите подводящую трубу 5 насоса охлаждающей жидкости и отводящий патрубок 2 с прокладкой.

Ключом 67.7812.9514 выверните датчик 1 указателя температуры охлаждающей жидкости и свечи зажигания.

Дальше разборка двигателя продолжается в порядке, описанном в разделе "Двигатель".

СБОРКА ДВИГАТЕЛЯ

До установки головки цилиндров операции по сборке двигателя выполняются в порядке описанном в разделе "Двигатель".

После установки головки цилиндров заверните в нее свечи зажигания и датчики указателя температуры охлаждающей жидкости и контрольной лампы давления масла.

Рис. 9-8. Снятие узлов системы охлаждения: 1 - датчик указателя температуры охлаждающей жидкости; 2 - отводящий патрубок охлаждающей рубашки; 3 - шланг подвода жидкости из отопителя; 4 - шланг отвода жидкости к отопителю; 5 - подводящая труба насоса охлаждающей жидкости; 6 - термостат

Установите на головке цилиндров отводящий патрубок 2 (см. рис. 9-8) рубашки охлаждения с прокладкой и закрепите его двумя гайками. Установите прокладку и прикрепите к блоку цилиндров фланец подводящей трубы 5 насоса охлаждающей жидкости. Наденьте на патрубок и подводящую трубу шланги, идущие к термостату, установите термостат 6 и закрепите шланги хомутами.

Установите на головке цилиндров корпус вспомогательных агрегатов с уплотнительным кольцом и закрепите его болтом. При установке корпуса особое внимание обратите на положение уплотнительного кольца в канавке, так как при затяжке гаек возможно его выскакивание из канавки и закусывание между кромками канавки и поверхностью головки цилиндров. Если уплотнительное кольцо имеет следы закусывания, его необходимо заменить на новое.

В соответствии с указаниями главы "Топливный насос" в этом разделе установите теплоизоляционную проставку с прокладками, толкатель и топливный насос.

Смажьте моторным маслом и наденьте уплотнительное кольцо на фланец датчика-распределителя зажигания. Прикрепите датчик-распределитель к корпусу вспомогательных агрегатов в таком положении, чтобы средняя риска на фланце датчика-распределителя находилась против установочного выступа на корпусе вспомогательных агрегатов (рис. 9-9). Одновременно установите под верхнюю гайку крепления кронштейн проводов высокого напряжения.

Рис. 9-9. Установка датчика-распределителя зажигания. Стрелкой показан установочный выступ на корпусе вспомогательных агрегатов

Валик датчика-распределителя зажигания соединяется с хвостовиком распределительного вала только в одном положении. Поэтому перед установкой поверните валик так, чтобы кулачки муфты валика вошли в пазы хвостовика распределительного вала.

Наденьте на шпильки головки цилиндров прокладки, установите выпускной коллектор 1 (рис. 9-10) и затяните центральную гайку его крепления. Затем установите впускную трубу 3, заборник 4 теплого воздуха, кронштейн 2 подводящей трубы насоса охлаждающей жидкости и закрепите их гайками.

Рис. 9-10. Установка впускной трубы и выпускного коллектора: 1 - выпускной коллектор; 2 - кронштейн подводящей трубы насоса охлаждающей жидкости; 3 - впускная труба; 4 - заборник теплого воздуха

Установите шланг вытяжной вентиляции картера и закрепите его хомутами на патрубках блока и крышки головки цилиндров. Установите указатель уровня масла.

Наденьте на коленчатый вал шкив привода генератора и закрепите его болтом с шайбой. Установите натяжную планку 1 (см. рис. 9-6) и генератор. Наденьте ремень на шкивы коленчатого вала и генератора и отрегулируйте его натяжение, как указано в главе "Генератор" в этом разделе.

Установите теплоизолирующий экран карбюратора, проставку и карбюратор. Закрепите его гайками и закройте сверху технологической заглушкой.

ПРЕДУПРЕЖДЕНИЕ. Не допускается крепление (или подтягивание гаек) нагретого карбюратора. Момент затяжки гаек крепления карбюратора см. в Приложении 1.

Установите шланг подачи бензина от топливного насоса к карбюратору и закрепите его хомутами. Установите шланг вакуумного регулятора датчика-распределителя зажигания, а также шланги подвода и отвода жидкости из системы охлаждения к карбюратору.

Установите на отводящем патрубке головки цилиндров и на подводящей трубе насоса охлаждающей жидкости шланги, идущие к отопителю, и закрепите их хомутами.

Подключите провода высокого напряжения к датчику-распределителю зажигания и к свечам зажигания. Закрепите гребенку проводов в кронштейне 2 (см. рис. 9-5).

Залейте масло в двигатель через горловину на крышке головки цилиндров.

СИСТЕМА ОХЛАЖДЕНИЯ

Особенности устройства

Устройство системы охлаждения показано на рис. 9-11.

Рис. 9-11. Система охлаждения: 1 - пробка расширительного бачка; 2 - расширительный бачок; 3 - подводящий шланг радиатора; 4 - шланг от радиатора к расширительному бачку; 5 - отводящий шланг радиатора; 6 - левый бачок радиатора; 7 - алюминиевые трубки радиатора; 8 - датчик включения электровентилятора; 9 - правый бачок радиатора; 10 - сливная пробка; 11 - сердцевина радиатора; 12 - кожух электровентилятора; 13 - крыльчатка электровентилятора; 14 - электродвигатель; 15 - зубчатый шкив насоса; 16 - крыльчатка насоса; 17 - зубчатый ремень привода распределительного вала; 18 - отводящий патрубок радиатора отопителя; 19 - подводящая трубка насоса; 20 - шланг подвода жидкости к пусковому устройству карбюратора; 21 - блок подогрева карбюратора; 22 - выпускной патрубок; 23 - подводящий патрубок отопителя; 24 - шланг отвода жидкости от блока подогрева карбюратора; 25 - термостат; 26 - шланг от расширительного бачка к термостату

Система охлаждения жидкостная, закрытого типа, с принудительной циркуляцией жидкости, с расширительным бачком.

Насос охлаждающей жидкости центробежного типа приводится в действие зубчатым ремнем 17 привода механизма газораспределения.

Электровентилятор имеет пластмассовую четырехлопастную крыльчатку 13, установленную на валу электродвигателя 14, включение и выключение которого осуществляется от датчика 8 включения электровентилятора.

Термостат 25 с твердым термочувствительным наполнителем имеет основной и дополнительный клапаны. Начало открытия основного клапана при температуре охлаждающей жидкости 87+2°С, ход основного клапана при достижении температуры 102°С не менее 8 мм.

Радиатор трубчато-пластинчатый, алюминиевый, с пластмассовыми бачками 6 и 9, двухходовой, с перегородкой в левом бачке. Охлаждающая жидкость заливается через наливную горловину расширительного бачка 2, пробка 1 которого имеет впускной и выпускной клапаны. Давление начала открытия выпускного клапан не менее 110 кПа (1,1 кгс/см2), впускного - 3-13 кПа (0,03-0,13 кгс/см2).

Проверка уровня и плотности охлаждающей жидкости

В полностью заправленной системе охлаждения уровень жидкости в расширительном бачке на холодном двигателе должен быть на 25-30 мм выше метки "MIN", нанесенной на расширительном бачке.

ПРЕДУПРЕЖДЕНИЕ. Уровень охлаждающей жидкости рекомендуется проверять на холодном двигателе, так как при нагревании ее объем увеличивается и у прогретого двигателя уровень жидкости может значительно подняться.

При необходимости проверьте ареометром плотность охлаждающей жидкости, которая должна быть 1,078-1,085 г/см3.

Если уровень в бачке ниже нормы, а плотность жидкости выше указанной, то доливайте дистиллированную воду. Если плотность нормальная, доливайте жидкость той марки, которая находится в системе охлаждения. Если плотность жидкости ниже нормы, доливайте жидкость Тосол-А.

Замена охлаждающей жидкости

Замену производите в следующем порядке.

Отверните пробку 1 (см. рис. 9-11) расширительного бачка 2 и откройте кран отопителя салона кузова.

Снимите брызговик двигателя, вывернув болты крепления его к кузову.

Поставьте под двигатель емкость для слива жидкости, отверните сливные пробки радиатора и блока цилиндров и слейте жидкость. По окончании слива заверните пробки.

Залейте охлаждающую жидкость, предварительно отсоединив шланг 20 от блока 21 подогрева карбюратора. При появлении жидкости в блоке подогрева поставьте шланг на место, долейте жидкость до нормального уровня.

Запустите двигатель и дайте ему поработать 1-2 мин. на холостом ходу для удаления воздушных пробок.

Остановите двигатель, проверьте уровень жидкости. Если уровень ниже нормального, а в системе нет следов подтекания, то долейте охлаждающую жидкость.

Термостат

Рис. 9-12. Термостат: 1 - перепускной клапан; 2 - выходной патрубок (к насосу); 3 - пружина основного клапана; 4 - основной клапан; 5 - патрубок (от расширительного бачка); 6 - поршень; 7 - входной патрубок (от радиатора); 8 - резиновая вставка; 9 - твердый термочувствительный наполнитель; 10 - пружина перепускного клапана; 11 - входной патрубок (от двигателя)

У термостата следует проверять температуру начала открытия основного клапана и ход клапана. Термостат установите на стенде и опустите в бак с техническим глицерином. В основной клапан 9 (рис. 9-12) уприте рычажок кронштейна, связанный с ножкой индикатора.

Начальная температура жидкости в баке должна быть 78-80°С. Температуру жидкости постепенно увеличивайте примерно на 1°С в минуту при постоянном перемешивании, чтобы она во всем объеме глицерина была одинаковой.

За температуру начала открытия клапана принимается та, при которой ход основного клапана составит 0,1 мм.

Термостат необходимо заменять, если температура начала открытия основного клапана не соответствует 87+2°С или в случае, если ход клапана при повышении температуры до 102°С составит менее 8 мм.

Простейшая проверка исправности термостата может быть осуществлена на ощупь непосредственно на автомобиле. После запуска холодного двигателя при исправном термостате нижний патрубок радиатора должен нагреваться, когда температура охлаждающей жидкости достигнет 87-92°С.

Радиатор и расширительный бачок

Снятие и установка их на автомобиль выполняется на холодном двигателе в следующем порядке.

Откройте кран отопителя и отверните пробку расширительного бачка. Отвернув сливные пробки радиатора и блока цилиндров, слейте охлаждающую жидкость.

Отсоедините электрические провода от датчика 8 (рис. 9-11) включения и от электровентилятора. Отсоедините шланги от радиатора 1 и расширительного бачка.

Отверните гайки и болты крепления кожуха 12 вентилятора и скобы верхнего крепления радиатора, снимите скобу и, придерживая радиатор, выньте кожух в сборе с электровентилятором.

При необходимости отверните гайки крепления, снимите вентилятор и электродвигатель вентилятора.

Отведите верх радиатора несколько назад и выньте его из подушек нижнего крепления и моторного отсека (радиатор можно вынуть также и в сборе с электровентилятором).

Снимите ремень крепления и выньте расширительный бачок.

Установку радиатора и расширительного бачка выполняйте в обратном порядке.

СИСТЕМА ПИТАНИЯ

Особенности устройства

Рис. 9-13. Топливный бак и топливопроводы: 1 - фильтр тонкой очистки топлива; 2 - шланг подвода топлива к топливному насосу; 3 - топливный насос; 4 - обратный клапан; 5 - шланг слива топлива от карбюратора; 6 - карбюратор; 7 - трубка слива топлива; 8 - трубка подвода топлива из бака; 9 - датчик уровня топлива в баке; 10 - сепаратор; 11 - кронштейн крепления сепаратора; 12 - пробка топливного бака; 13 - шланг сепаратора; 14 - наливная труба; 15 - шланг наливной трубы; 16 - топливный бак; 17 - хомут крепления бака; 18 - двухходовой клапан

Система питания с обратным сливом части топлива от карбюратора 6 (рис. 9-13) через калиброванное отверстие патрубка карбюратора в топливный бак 16. На шланге 5 крепится обратный клапан 4, не допускающий слива топлива в бак из карбюратора.

Топливный бак устанавливается под полом кузова. Бак шлангом 13 соединяется с неразборным сепаратором 10, в котором пары бензина, конденсируясь, поступают обратно в бак. Для выравнивания давления в топливном баке на вентиляционном шланге сепаратора установлен двухходовой клапан 18.

Воздух в цилиндры двигателя подается через терморегулятор, поддерживающий температуру воздуха на входе в карбюратор в определенных пределах.

Привод управления дроссельными заслонками карбюратора ножной, тросовый.

Воздушный фильтр и терморегулятор

Рис. 9-14. Воздушный фильтр и терморегулятор: 1 - заборник холодного воздуха; 2 - гофрированный шланг заборника подогретого воздуха; 3 - терморегулятор; 4 - корпус; 5 - фильтрующий элемент; 6 - крышка

Снятие и установка. Для снятия воздушного фильтра отожмите пружинные держатели и отверните гайку крепления крышки 6 (рис. 9-14). Снимите крышку и выньте фильтрующий элемент.

Отверните гайки крепления корпуса 4 фильтра к карбюратору. Снимите корпус в сборе с терморегулятором 3 и отсоедините гофрированный шланг 2, ослабив хомут крепления.

Ослабьте стяжной болт и снимите терморегулятор с заборником 1 холодного воздуха.

При установке воздушного фильтра для снижения шума впуска крышка 6 должна ставиться так, чтобы стрелки на приемном патрубке корпуса 4 и самой крышке были направлены навстречу друг другу.

Проверка работы терморегулятора. Проверьте положение заслонки у снятого терморегулятора при температурах 25°С и 35°С. В первом случае заслонка должна полностью перекрывать патрубок подачи холодного воздуха, во втором - патрубок подачи подогретого воздуха. Если этого нет, отрегулируйте ее положение вращением термосилового элемента и повторите проверку. По окончании проверки опломбируйте терморегулятор нанесением эмали на шток термосилового элемента.

Топливный бак

Снятие и установка. Для снятия топливного бака 16 (см. рис. 9-13) отсоедините массовый провод от аккумуляторной батареи.

Поднимите подушку заднего сиденья, коврик пола и снимите крышку люка, расположенного в полу.

Отсоедините электрические провода и шланги от датчика 9 уровня топлива.

Ослабьте хомуты 17 крепления топливного бака, отсоедините шланги 13 и 15, снимите бак. Слейте из бака остатки бензина.

Установку бака выполняйте в обратной последовательности.

Очистка и контроль. Снимите с бака датчик 9 уровня топлива. Для удаления загрязнений и отложений промойте бак моющими средствами ("Лобомид", "МЛ", "MC"). Затем струей горячей воды промойте и пропарьте бак для удаления остатков моющего средства.

Тщательно осмотрите бак по линии стыка и убедитесь в отсутствии течи. Обнаруженные места течи по стыку запаяйте мягким припоем.

ПРЕДУПРЕЖДЕНИЕ. Паять можно только хорошо промытый и пропаренный бак, не содержащий паров бензина, чтобы не было воспламенения и взрыва при пайке.

Топливный насос

Устройство топливного насоса показано на рис. 9-15.

Рис. 9-15. Топливный насос: 1 - нагнетательный патрубок; 2 - фильтр; 3 - верхний корпус; 4 - всасывающий патрубок; 5 - крышка; 6 - всасывающий клапан; 7 - шток; 8 - рычаг ручной подкачки топлива; 9 - пружина; 10 - кулачок; 11 - балансир; 12 - рычаг механической подкачки топлива; 13 - нижний корпус; 14 - внутренняя дистанционная прокладка; 15 - наружная дистанционная прокладка; 16 - нагнетательный клапан

Проверка насоса. Недостаточное поступление топлива в карбюратор может быть вызвано неисправностью топливного насоса, а также засорением или повреждением топливопроводов и топливного фильтра тонкой очистки.

Для определения причины неисправности отсоедините шланг от нагнетательного патрубка 1 и с помощью рычага 8 ручной подкачки топлива проверьте, подается ли топливо. Если топливо не подается, то отсоедините шланг от всасывающего патрубка 4 и проверьте, создается ли разрежение на входе этого патрубка. При наличии разрежения могут быть повреждены или засорены топливопроводы или фильтр тонкой очистки топлива. Если разрежения нет, то неисправен насос.

Топливный насос можно проверить на стенде. Вращая валик привода, имеющего эксцентриситет 1,25 мм, с частотой 2000+40 мин-1, проверьте подачу топлива насосом, которая должна быть не менее 1 л/мин. при 20°С. Давление нагнетания при нулевой подаче топлива должно быть 0,02-0,03 МПа (0,21-0,30 кгс/см2).

При неисправности насоса разберите и проверьте его детали.

Разборка, очистка, проверка и сборка топливного насоса. Для разборки выверните болт крепления крышки 5, снимите крышку и фильтр 2 насоса. Затем выверните винты крепления верхнего корпуса 3 к нижнему корпусу 13, разъедините их, выньте узел диафрагм и пружину.

Промойте бензином все детали и продуйте сжатым воздухом.

Проверьте техническое состояние деталей. Трещины и обломы корпусных деталей, негерметичность всасывающего и нагнетательного клапанов не допустимы. Всасывающий 4 и нагнетательный 1 патрубки не должны проворачиваться в посадочных местах или иметь осевое перемещение. Диафрагмы не должны иметь разрывов, отслоений и затвердеваний, фильтр должен быть чистым, без разрывов и повреждений. Уплотнительная кромка фильтра по периметру должна быть ровной. Клапаны 6 и 16 насоса не должны заедать.

После проверки все изношенные детали замените новыми. Поврежденные прокладки насоса заменяйте новыми и при установке насоса смазывайте тонким слоем смазки.

Установка насоса на двигатель. Схема установки насоса показана на рис. 9-16.

Рис. 9-16. Схема контроля и регулировки выступаю" толкателя привода насоса: А - прокладка толщиной 0,27-0,33 мм; В - прокладка толщиной 0,79-0,80 мм; d - выступание толкателя

Для установки насоса используйте две из трех нижеуказанных прокладок: А - толщиной 0,27-0,33 мм; В - толщиной 0,70-0,80 мм; С - толщиной 1,10-1,30 мм.

Установку выполняйте в следующем порядке.

Установите теплоизоляционную проставку, поставив под нее прокладку А, а на плоскость, соприкасающуюся с насосом, поместите прокладку В.

Приспособлением 67.7834.9506 замерьте расстояние "d" (минимальная величина, на которую выступает толкатель, установленная медленным проворачиванием коленчатого вала). Если размер "d" находится в пределах 0,8-1,3 мм, то закрепите насос на двигателе; если размер "d" меньше 0,8, то прокладку В замените прокладкой А; если "d" больше 1,3 мм, то прокладку В замените прокладкой С.

Еще раз проверьте размер "d" и закрепите насос на двигателе.

КАРБЮРАТОР

Особенности устройства

На автомобиле базовой модели ВАЗ-2115 с бесконтактной системой зажигания горючей смеси устанавливается карбюратор 21083-1107010-31 (рис. 9-17) эмульсионного типа, двухкамерный, с последовательным открытием дроссельных заслонок. Карбюратор имеет сбалансированную поплавковую камеру, систему отсоса картерных газов за дроссельную заслонку, подогрев зоны дроссельной заслонки первой камеры.

Рис. 9-17. Внешний вид карбюратора 21083-1107010-31: 1 - ведущий рычаг привода второй камеры; 2 - регулировочный винт количества смеси холостого хода; 3 - блок подогрева карбюратора; 4 - патрубок вентиляции картера двигателя; 5 - рычаг привода ускорительного насоса; 6 - электромагнитный запорный клапан; 7 - рычаг воздушной заслонки; 8 - крышка карбюратора; 9 - болт крепления жидкостной камеры; 10 - корпус жидкостной камеры; 11 - корпус карбюратора; 12 - рычаг дроссельной заслонки второй камеры; 13 - сектор рычага управления дроссельными заслонками; А - метки для правильной установки биметаллической пружины пускового устройства

В карбюраторе имеются две главные дозирующие системы первой и второй камер, система холостого хода первой камеры с переходной системой, переходная система второй камеры, экономайзер мощностных режимов, эконостат, диафрагменный ускорительный насос, полуавтоматическое пусковое устройство. На принудительном холостом ходу включается экономайзер принудительного холостого хода. На автомобилях, имеющих датчик расхода топлива, устанавливается карбюратор 2114-1107010-31, отличающийся от карбюратора базовой комплектации отсутствием патрубка слива топлива.

Тарировочные данные карбюратора приведены в таблице 9-1.

Таблица 9-1. ТАРИРОВОЧНЫЕ ДАННЫЕ КАРБЮРАТОРА 21083-1107010-31

Параметры

Первая камера

Вторая камера

Диаметр смесительной камеры, мм

32

32

Диаметр диффузора, мм

21

23

Главная дозирующая система:

маркировка* топливного жиклера

95

100

маркировка воздушного жиклера

155

125

Тип эмульсионной трубки

23

ZC

Система холостого хода и переходные системы:

маркировка топливного жиклера

41+3

50

маркировка воздушного жиклера

170

120

Эконостат:

условный расход** топливного жиклера

_

70

Экономайзер мощностных режимов:

маркировка топливного жиклера

40

-

усилие сжатия пружины при длине 9,5 мм, H

1,5+10%

Ускорительный насос:

маркировка распылителя

35

40

маркировка кулачка

7

-

подача топлива за 10 циклов, см3

11,5+1,75

Пусковые зазоры:

воздушной заслонки (зазор А), мм

2,5+0,2

-

дроссельной заслонки (зазор В), мм

1,1+0,05

-

Диаметр отверстия игольчатого клапана, мм

1,8

Диаметр отверстия перепуска топлива в бак, мм

0,70

Диаметр отверстия вентиляции картера двигателя, мм

1,5

Уровень топлива в поплавковой камере, мм

22,5

Диаметр балансировочных отверстий поплавковой камеры, мм

4

4

* Маркировка жиклеров определяется расходом, который замеряется с помощью микроизмерителей. Настройка микроизмерителей осуществляется по эталонным жиклерам.

** Условный расход топливного жиклера определяется по эталонному жиклеру по специальной методике. Контролю в процессе эксплуатации не подлежит.

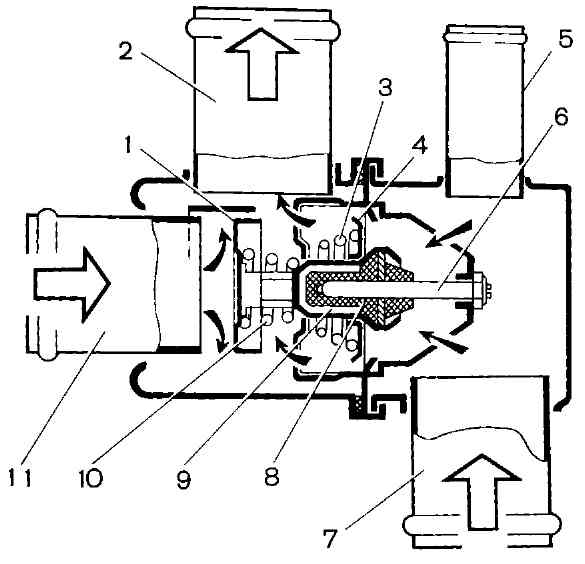
Главная дозирующая система. Топливо через сетчатый фильтр 4 (рис. 9-18) и игольчатый клапан 6 подается в поплавковую камеру. Из поплавковой камеры топливо поступает через главные топливные жиклеры 9 в эмульсионные колодцы и смешивается с воздухом, выходящим из отверстий эмульсионных трубок 1, которые изготовлены заодно с главными воздушными жиклерами. Через распылители 2 топливно-воздушная эмульсия попадает в малые и большие диффузоры карбюратора.

Дроссельные заслонки 8 и 10 соединены между собой таким образом, что вторая камера начинает открываться, когда первая уже открыта на 2/3 величины.

Рис. 9-18. Схема главных дозирующих систем: 1 - главные воздушные жиклеры с эмульсионными трубками; 2 - распылители первой и второй камер; 3 - балансировочное отверстие; 4 - топливный фильтр; 5 - патрубок с калиброванным отверстием слива части топлива в топливный бак; о - игольчатый клапан; 7 - поплавок; 8 - дроссельная заслонка второй камеры; 9 - главные топливные жиклеры; 10 - дроссельная заслонка первой камеры

Система холостого хода забирает топливо из эмульсионного колодца после главного топливного жиклера 7 (рис. 9-19). Топливо подводится к топливному жиклеру 2 с электромагнитным запорным клапаном 1, на выходе из жиклера смешивается с воздухом, поступающим из проточного канала и из расширяющейся части диффузора (для обеспечения нормальной работы карбюратора при переходе на режим холостого хода). Эмульсия выходит под дроссельную заслонку через отверстие, регулируемое винтом 9 содержания окиси углерода (СО) в отработавших газах.

Рис. 9-19. Схема системы холостого хода и переходных систем: 1 - электромагнитный запорный клапан; 2 - топливный жиклер холостого хода; 3 - воздушный жиклер холостого хода; 4 - топливный жиклер переходной системы второй камеры; 5 - воздушный жиклер переходной системы второй камеры; 6 - выходное отверстие переходной системы второй камеры; 7 - главные топливные жиклеры; 8 - щель переходной системы первой камеры; 9 - регулировочный винт качества (состава) смеси

Переходные системы. При открытии дроссельных заслонок карбюратора до включения главных дозирующих систем топливно-воздушная смесь поступает:

- в первую смесительную камеру через жиклер 2 холостого хода и вертикальную щель 8 переходной системы, находящуюся на уровне кромки дроссельной заслонки в закрытом положении;

- во вторую смесительную камеру через выходное отверстие 6, находящееся чуть выше кромки дроссельной заслонки в закрытом положении. Топливо поступает из жиклера 4 через трубку, смешивается с воздухом из жиклера 5, поступающим через проточный канал.

Экономайзер мощностных режимов срабатывает при определенном разрежении за дроссельной заслонкой 5 (рис. 9-20). Топливо забирается из поплавковой камеры через шариковый клапан 8. Клапан закрыт, пока диафрагма удерживается разрежением во впускной трубе. При значительном открытии дроссельной заслонки разрежение несколько падает и пружина диафрагмы 7 открывает клапан. Топливо, проходящее через жиклер 9 экономайзера, добавляется к топливу, которое проходит через главный топливный жиклер 4, обогащая горючую смесь.

Рис. 9-20. Схема эконостата и экономайзера мощностных режимов: 1 - дроссельная заслонка второй камеры; 2 - главный топливный жиклер второй камеры; 3 - топливный жиклер эконостата с трубкой; 4 - главный топливный жиклер первой камеры; 5 - дроссельная заслонка первой камеры; 6 - канал передачи разрежения; 7 - диафрагма экономайзера; 8 - шариковый клапан; 9 - топливный жиклер экономайзера; 10 - топливный канал; 11 - воздушная заслонка; 12 - главные воздушные жиклеры; 13 - впрыскивающая трубка эконостата

Эконостат работает при полной нагрузке двигателя на скоростных режимах, близких к максимальным, при полностью открытых дроссельных заслонках. Топливо из поплавковой камеры через жиклер 3 поступает в топливную трубку и высасывается через впрыскивающую трубку 13 во вторую смесительную камеру, обогащая горючую смесь.

Ускорительный насос диафрагменный, с механическим приводом от кулачка 6 (рис. 9-21) на оси дроссельной заслонки первой камеры. При закрытой дроссельной заслонке пружина отводит диафрагму 3 назад, что приводит к заполнению полости насоса топливом через шариковый клапан 8. При открытии дроссельной заслонки кулачок действует на рычаг 5, а диафрагма 3 нагнетает топливо через шариковый клапан 2 и распылители 1 в смесительные камеры карбюратора, обогащая горючую смесь.

Производительность насоса не регулируется и зависит только от профиля кулачка.

Рис. 9-21. Схема ускорительного насоса: 1 - распылители; 2 - шариковый клапан подачи топлива; 3 - диафрагма насоса; 4 - толкатель; 5 - рычаг привода; 6 - кулачок привода насоса; 7 - дроссельная заслонка первой камеры; 8 - обратный шариковый клапан; 9 - дроссельная заслонка второй камеры

Полуавтоматическое пусковое устройство (рис. 9-22) улучшает управление автомобилем и снижает токсичность отработавших газов в режимах запуска и прогрева двигателя.

Рис. 9-22. Схема полуавтоматического пускового устройства карбюратора 21083-1107010-31: 1 - дроссельная заслонка первой камеры; 2 - рычаг привода второй камеры; 3 - пружина диафрагмы; 4 - диафрагменная полость; 5 - воздушный канал из задроссельного пространства карбюратора; 6 - диафрагма пускового устройства; 7 - воздушная заслонка; 8 - тяга привода воздушной заслонки; 9 - ось пускового устройства; 10 - кулачок; 11 - регулировочный винт пускового зазора воздушной заслонки; 12 - шток диафрагмы пускового устройства; 13 - крючок блокировки второй камеры; 14 - рычаг упора; 15 - регулировочный винт приоткрывания дроссельной заслонки первой камеры; 16 - рычаг приоткрывания дроссельной заслонки; 17 - тяга приоткрывания дроссельной заслонки; 18 - рычаг управления дроссельными заслонками; А - упор блокировки второй камеры; В - пусковой зазор у воздушной заслонки; С - пусковой зазор у дроссельной заслонки

При запуске холодного двигателя биметаллическая пружина пускового устройства (на рис. 9-22 не показана) с помощью рычагов и тяги 8 удерживает воздушную заслонку 7 закрытой. После запуска двигателя заслонка при помощи диафрагмы 6 приоткрывается на зазор В, который регулируется винтом 11 штока 12 диафрагмы 6 пускового устройства.

По мере прогрева двигателя охлаждающей жидкостью, циркулирующей через жидкостную камеру 4 (рис. 9-23) пускового устройства, нагревается и биметаллическая пружина, которая обеспечивает открытие воздушной заслонки через рычаги привода пускового устройства и тягу 8 (см. рис. 9-22). На прогретом двигателе воздушная заслонка открыта биметаллической пружиной полностью.

Рис. 9-23. Схема подсоединения шлангов полуавтоматического пускового устройства карбюратора 21083-1107010-31: 1 - терморегулятор; 2 - термосиловой элемент терморегулятора; 3 - воздушная заслонка; 4 - жидкостная камера; 5 - карбюратор; 6 - дроссельная заслонка второй камеры; 7 - двигатель; 8 - впускная труба; 9 - дроссельная заслонка первой камеры; 10 - блок подогрева карбюратора; 11 - шланги охлаждающей жидкости; 12 - воздушный фильтр

Экономайзер принудительного холостого хода отключает систему холостого хода на принудительном холостом ходу (во время торможения автомобиля двигателем, при движении под уклон, при переключении передач), снижая расход топлива и выброс углеводородов в атмосферу.

На режиме принудительного холостого хода при частоте вращения коленчатого вала более 2100 мин-1 и при замкнутом на "массу" концевом выключателе карбюратора (педаль отпущена) запорный электромагнитный клапан выключается, подача топлива прерывается.

При снижении частоты вращения коленчатого вала на принудительном холостом ходу до 1900 мин-1 блок управления включает электромагнитный запорный клапан (хотя концевой выключатель и включен на "массу"), начинается подача топлива через жиклер холостого хода, двигатель постепенно выходит на режим холостого хода.

Снятие и установка карбюратора на автомобиле

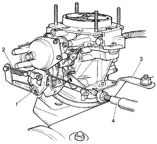
Рис. 9-24. Привод управления карбюратором: 1 - педаль управления дроссельными заслонками; 2 - возвратная пружина; 3 - прокладка упора педали; 4 - кронштейн; 5 - втулка; 6 - стопорная скоба; 7 - наконечник троса; 8 - оболочка троса; 9 - кронштейн регулирующего наконечника; 10 - регулировочные гайки; 11 - сектор с рычагом управления дроссельными заслонками; 12 - возвратная пружина

Снятие и установку выполняйте только на холодном двигателе. Для этого снимите воздушный фильтр. Отсоедините от сектора 11 (рис. 9-24) рычага управления дроссельными заслонками трос и возвратную пружину 12. Выверните винт крепления и снимите блок 3 (см. рис.9-17) подогрева карбюратора.

Отсоедините от карбюратора электрические провода экономайзера принудительного холостого хода и шланги полуавтоматического пускового устройства.

Отверните гайки крепления карбюратора, снимите карбюратор и закройте заглушкой входное отверстие впускной трубы.

Установку карбюратора выполняйте в обратном порядке. Перед установкой проверьте состояние проставки карбюратора и плоскостей соединения впускной трубы с карбюратором.

Не допускается крепление и подтягивание гаек крепления нагретого карбюратора.

После установки отрегулируйте привод управления карбюратором, а также холостой ход двигателя.

Привод управления карбюратором должен работать без заеданий.

Разборка карбюратора. Выверните винты крепления крышки карбюратора, отсоедините тягу 17 (см. рис. 9-22) приоткрывания дроссельной заслонки первой камеры и осторожно снимите крышку, чтобы не повредить прокладку, поплавок и трубки эконостата и переходной системы второй камеры.

Рис. 9-25. Детали крышки карбюратора 21083-1107010-31: 1 - ось поплавка; 2 - игольчатый клапан; 3 - поплавок; 4 - прокладка крышки карбюратора; 5 - крышка пускового устройства; 6 - винт; 7 - диафрагма пускового устройства; 8 - прокладка; 9 - рычаг воздушной заслонки; 10 - топливный жиклер холостого хода; 11 - электромагнитный запорный клапан; 12 - патрубок подачи топлива; 13 - крышка карбюратора; 14 - топливный фильтр; 15 - корпус полуавтоматического пускового устройства в сборе с рычагами привода; 16 - регулировочные винты пускового зазора воздушной заслонки и приоткрывания дроссельной заслонки первой камеры; 17 - хомут крепления корпуса биметаллической пружины; 18 - жидкостная камера; 19 - корпус с биметаллической пружиной в сборе; 20 - экран биметаллической пружины

Разберите крышку карбюратора.

Оправкой осторожно вытолкните ось 1 (рис. 9-25) поплавков 3 из стоек и, не повреждая язычков поплавков, снимите их.

Снимите прокладку 4 крышки, выверните седло игольчатого клапана 2, выверните патрубок 12 подачи топлива и выньте топливный фильтр 14.

Выверните корпус топливного жиклера 10 холостого хода с электромагнитным запорным клапаном 11 и выньте жиклер. Выверните винты крепления и снимите крышку 5 полуавтоматического пускового устройства.

Снимите стопорную шайбу и отсоедините тягу от рычага 9 воздушной заслонки.

Выверните винты крепления и снимите корпус 15 полуавтоматического пускового устройства в сборе с корпусом 19 биметаллической пружины, жидкостной камерой 18 и рычагами привода.

ПРЕДУПРЕЖДЕНИЕ. Разборка полуавтоматического пускового устройства не рекомендуется. Категорически запрещается поворачивать биметаллическую пружину пускового устройства как в направлении навивки, так и в обратном направлении. Несоблюдение этого требования приведет к повреждению биметаллической пружины и отказу работы пускового устройства карбюратора.

Рис. 9-26. Детали корпуса карбюратора: 1 - регулировочный винт количества смеси холостого хода; 2 - электрический провод конечного выключателя экономайзера принудительного холостого хода; 3 - блок подогрева карбюратора; 4 - диафрагма ускорительного насоса; 5 - крышка ускорительного насоса; 6 - рычаг привода ускорительного насоса; 7 - кулачок привода ускорительного насоса; 8 - крышка экономайзера мощностных режимов; 9 - диафрагма экономайзера мощностных режимов; 10 - топливный жиклер экономайзера мощностных режимов; 11 - клапан экономайзера мощностных режимов; 12 - распылители ускорительного насоса с клапаном подачи топлива; 13 - распылители главных дозирующих систем; 14 - главные воздушные жиклеры с эмульсионными трубками; 15 - главные топливные жиклеры; 16 - корпус карбюратора; 17 - регулировочный винт дроссельной заслонки; 18 - стопор регулировочного винта; 19 - колпачок стопора; 20 - дроссельная заслонка второй камеры; 21 - ось дроссельной заслонки второй камеры; 22 - тяга приоткрывания дроссельной заслонки первой камеры; 23 - сектор с рычагом управления дроссельными заслонками; 24 - возвратная пружина дроссельной заслонки первой камеры; 25 - ведомый рычаг привода дроссельной заслонки второй камеры; 26 - ведущий рычаг привода дроссельной заслонки второй камеры; 27 - пружина рычагов привода дроссельной заслонки второй камеры; 28 - дроссельная заслонка первой камеры; 29 - возвратная пружина дроссельной заслонки второй камеры; 30 - заглушка регулировочного винта качества (состава) смеси холостого хода; 31 - ось дроссельной заслонки первой камеры; 32 - регулировочный винт качества (состава) смеси холостого хода

Разберите корпус карбюратора (рис. 9-26), для чего выполните следующие операции.

С помощью отвертки снимите кронштейн возвратной пружины и сектор 23, вывернув винт крепления к рычагу управления дроссельными заслонками.

Выверните из рычага 18 (см. рис. 9-22) ось тяги 17 приоткрывания дроссельной заслонки первой камеры и отсоедините ее от рычага.

Снимите крышку 5 (см. рис. 9-26) ускорительного насоса с рычагом 6 и диафрагмой 4.

Выньте распылители 12 ускорительного насоса и распылители 13 первой и второй камер. Распылители 12 вынимайте только за корпус распылителей.

Отверните гайку оси дроссельной заслонки первой камеры, снимите кулачок 7 привода ускорительного насоса и шайбу.

Выверните винт крепления, снимите электрический провод с регулировочного винта 1 количества смеси холостого хода и при необходимости выверните винт 1.

Выньте штопором пластмассовую заглушку 30 и выверните регулировочный винт 32 качества (состава) смеси холостого хода.

Снимите крышку 8 экономайзера мощностных режимов, диафрагму 9 и пружину.

Выверните топливный жиклер 10 экономайзера мощностных режимов, главные воздушные жиклеры 14 с эмульсионными трубками и главные топливные жиклеры 15 главных дозирующих систем.

При необходимости выверните винты крепления дроссельной заслонки 28 первой камеры, снимите заслонку и выньте ось в сборе с рычагами привода. Сняв стопорную шайбу и вывернув винты крепления, снимите дроссельную заслонку 20 второй камеры и выньте ось заслонки.

Очистка и проверка технического состояния деталей карбюратора

Топливный фильтр. Промойте фильтр в бензине и продуйте сжатым воздухом. Проверьте состояние фильтра. Если фильтр или патрубок подвода топлива повреждены, замените их новыми.

Поплавковый механизм. Промойте детали в бензине, проверьте состояние. Поплавки не должны иметь повреждений. На уплотняющей поверхности игольчатого клапана и его седла не допускается повреждений, нарушающих герметичность клапана. Клапан должен свободно перемещаться в своем гнезде, а шарик не должен зависать. Вес поплавков не должен быть более 6,23 г. Неисправные детали замените новыми.

Крышка карбюратора. Очистите от грязи и масла крышку и все отверстия и каналы. Промойте крышку в ацетоне или бензине и продуйте сжатым воздухом. Осмотрите уплотняющие поверхности крышки. Если имеются повреждения, замените крышку новой.

Полуавтоматическое пусковое устройство. Чтобы не нарушить смазочных качеств втулок, осей и рычагов, запрещается промывать корпус устройства и его детали.

Жиклеры и эмульсионные трубки. Очистите жиклеры и эмульсионные трубки от грязи и смолистых соединений, промойте их ацетоном или бензином и продуйте сжатым воздухом.

Нельзя очищать жиклеры металлическим инструментом или проволокой, а также протирать жиклеры и другие детали карбюратора ватой, тканью или ветошью, так как ворсинки могут засорить топливно-эмульсионный тракт. При сильном засорении можно очистить жиклеры иглой из мягкого дерева, смоченной ацетоном.

Корпус карбюратора. Очистите корпус от грязи и масла. Промойте его каналы ацетоном или бензином и продуйте сжатым воздухом. При необходимости каналы и эмульсионные трубки очистите специальными развертками. Осмотрите уплотняющие поверхности корпуса, при их повреждениях или деформациях корпус замените новым.

Ускорительный насос. Очистите детали насоса, промойте их в бензине и продуйте сжатым воздухом. Проверьте легкость перемещения шарика в распылителе и движение подвижных элементов насоса (рычага, деталей диафрагмы). Заедания не допускаются. Диафрагма должна быть целой, без повреждений. Проверьте состояние уплотняющих поверхностей и прокладок. Поврежденные детали замените новыми.

Экономайзер мощностных режимов. Диафрагма должна быть целой и без повреждений. При полной длине толкателя диафрагмы (включая головку) меньшей 6,0 мм замените диафрагму в сборе с толкателем.

Сборка карбюратора. Карбюратор собирайте в последовательности, обратной разборке. При этом обращайте внимание на следующие моменты.

Поплавок должен свободно поворачиваться на своей оси, не задевая стенок камеры.

Игольчатый клапан должен свободно скользить в своем гнезде, без перекосов и заеданий, момент затяжки седла игольчатого клапана должен быть 14,7 Н·м (1,5 кгс·м).

Момент затяжки электромагнитного запорного клапана должен быть 3,68 Н·м (0,4 кгс·м).

Чтобы при сборке не перепутать местами жиклеры, обращайте внимание на маркировку жиклеров и при установке их руководствуйтесь таблицей 9-1.

При сборке ускорительного насоса наживите винты крепления крышки, нажмите на рычаг привода до упора, заверните винты и отпустите рычаг.

При завертывании винтов крепления дроссельных заслонок расчеканьте по контуру винты на специальном приспособлении, исключающем деформацию осей заслонок.

Регулировки и проверки карбюратора

Герметичность игольчатого клапана проверяется на стенде, который обеспечивает подачу топлива к карбюратору под давлением 30 кПа (3 м вод. ст.) После установки уровня топлива в контрольной пробирке стенда падение его не допускается в течение 10-15 с. Если уровень топлива в пробирке понижается, то это указывает на утечку топлива через игольчатый клапан.

В случае утечки топлива замените игольчатый клапан.

Установка уровня топлива в поплавковой камере. Необходимый для нормальной работы карбюратора уровень топлива обеспечивается правильной установкой исправных элементов запорного устройства.

Правильность установки поплавка 1 (рис. 9-27) проверьте калибром 4, для чего установите его перпендикулярно крышке 2, которую держите горизонтально поплавками вверх. Между калибром по контуру и поплавками должен быть зазор не более 1 мм.

При необходимости отрегулируйте подгибанием язычка и рычагов поплавка. Опорная поверхность язычка должна быть перпендикулярна оси игольчатого клапана 5 и не должна иметь вмятин и забоин.

Рис. 9-27. Установка уровня топлива в поплавковой камере: 1 - поплавок; 2 - корпус биметаллической пружины; 3 - прокладка; 4 - калибр для проверки положения поплавков; 5 - игольчатый клапан

Регулировка привода карбюратора. При полностью нажатой педали 1 (см. рис. 9-24) управления дроссельными заслонками, дроссельная заслонка второй камеры должна быть полностью открыта и сектор 11 не должен иметь дополнительного хода. При отпущенной педали дроссельные заслонки обеих камер должны быть полностью закрыты. Если этого нет, отрегулируйте положение педали и дроссельной заслонки регулировочными гайками 10 на переднем наконечнике троса привода.

Проверка работы полуавтоматического пускового устройства карбюратора. Проверьте правильность установки биметаллической пружины пускового устройства, для чего визуально определите совмещение трех меток (на рис. 9-28 метки показаны стрелками): на корпусе 1 пускового устройства, корпусе 2 биметаллической пружины и корпусе 3 жидкостной камеры. При несовпадении меток ослабьте винты 4 крепления корпуса 2, поверните его до совмещения с меткой на корпусе 1 и заверните винты. Ослабьте болт 5, поверните корпус 3 до совмещения меток и закрепите болт.

Запустите холодный (температура охлаждающей жидкости 15-25°С) двигатель и проверьте через 15-20 с частоту вращения коленчатого вала двигателя, которая должна быть 2400+200 мин-1. Если частота вращения не соответствует данной, отрегулируйте пусковой зазор С у дроссельной заслонки первой камеры до величины 1,1+0,05 мм (регулировка дана ниже в гл. "Регулировки пусковых зазоров").

Рис. 9-28. Проверка установки биметаллической пружины полуавтоматического пускового устройства карбюратора: 1 - корпус пускового устройства; 2 - корпус биметаллической пружины; 3 - корпус жидкостной камеры; 4 - винты крепления корпуса биметаллической пружины; 5 - болт крепления жидкостной камеры

Регулировки пусковых зазоров. Регулировку выполняйте на холодном двигателе, когда воздушная заслонка прикрыта пусковым устройством. Снимите воздушный фильтр и проверьте пусковой зазор В (рис. 9-22) воздушной заслонки 7. Если зазор В не соответствует величине 2,5+0,2 мм, снимите стопор регулировочного винта 11 и отрегулируйте данный зазор этим винтом.

Регулировку пускового зазора С у дроссельной заслонки первой камеры необходимо выполнять на снятом карбюраторе.

Закройте дроссельную заслонку 1 первой камеры. Отверткой поверните кулачок 10 против часовой стрелки и установите упор рычага 14 на наибольшую по радиусу ступень. Винтом 15 отрегулируйте зазор С у дроссельной заслонки, равным 1,1+0,05 мм.

Поставьте снятые узлы и детали, запустите двигатель, проверьте через 15-20 с после запуска частоту вращения коленчатого вала холодного двигателя, которая должна быть равной 2400+200 мин-1.

Частота вращения коленчатого вала прогретого двигателя на холостом ходу должна быть равной 750-800 мин-1.

Регулировка холостого хода двигателя.

Рис. 9-29. Винты регулировки холостого хода двигателя: 1 - регулировочный винт количества смеси холостого хода; 2 - регулировочный винт качества (состава) смеси холостого хода; 5 - уплотнительное кольцо; 4 - заглушка регулировочного винта

Регулировка обеспечивается регулировочным винтом 2 (рис. 9-29) качества (состава) смеси и регулировочным винтом 1 количества смеси. Регулировочный винт 2 закрыт заглушкой 4. Для доступа к винту необходимо штопором вынуть заглушку.

Регулировку холостого хода необходимо выполнять на прогретом двигателе (температура охлаждающей жидкости 90-95°С), с отрегулированными зазорами в механизме газораспределения, с правильно отрегулированным углом опережения зажигания.

Регулировочным винтом 1 количества смеси установите по тахометру стенда частоту вращения коленчатого вала двигателя в пределах 750-800 мин-1.

Регулировочным винтом 2 качества (состава) смеси добейтесь содержания окиси углерода (СО) в отработавших газах в пределах 1+0,3% при данном положении винта 1 (содержание СО приводится к 20°С и 101,3 кПа [760 мм рт. ст.])

По окончании регулировки резко нажмите на педаль привода дроссельных заслонок и отпустите ее, двигатель должен без перебоев увеличить частоту вращения коленчатого вала, а при уменьшении ее - не заглохнуть. В случае остановки двигателя, винтом 1 увеличьте частоту вращения коленчатого вала в пределах 750-800 мин-1.

Установите в отверстие для регулировочного винта 2 качества смеси новую пластмассовую заглушку 4.

ВЫПУСК ОТРАБОТАВШИХ ГАЗОВ

Отработавшие газы отводятся из двигателя через выпускной коллектор, приемную трубу 8 (рис. 9-30), затем через дополнительный глушитель 4 и основной глушитель 6.

Между фланцами коллектора и приемной трубы устанавливается уплотнительная прокладка 2. Трубы глушителей соединяются между собой развальцованными концами с помощью хомутов 7 с конусными кольцами.

Приемная труба 8 крепится гайками на шпильки выпускного коллектора и дополнительно к кронштейну 1 двигателя. Под гайки крепления к коллектору ставятся стопорные пластины. Гайки и уплотнительная прокладка 2 разового пользования.

Глушители вместе с трубами образуют неразборные узлы и при ремонте, в случае выхода их из строя, должны заменяться новыми.

Рис. 9-30. Система выпуска отработавших газов: 1 - кронштейн крепления приемной трубы; 2 - прокладка; 3 - скоба кронштейна; 4 - дополнительный глушитель; 5 - подушки подвески глушителей; 6 - основной глушитель; 7 - хомуты; 8 - приемная труба глушителей

ГЕНЕРАТОР 37.3701

Техническая характеристика

Максимальная сила тока отдачи при 13 В и 5000 мин-1, А

55

Пределы регулируемого напряжения, В

14,1+0,5

Максимальная частота вращения ротора, мин-1

13000

Передаточное отношение двигатель/генератор

1:2,04

Особенности устройства

На автомобилях 2115 с карбюраторным двигателем может быть установлен генератор типа 37.3701 - переменного тока, трехфазный, со встроенным выпрямительным блоком и электронным регулятором напряжения, правого вращения (со стороны привода).

От генератора 94.3701, описанного в разделе "Электрооборудование", он отличается устройством, характеристиками и способом крепления на двигателе (см рис. 9-6).

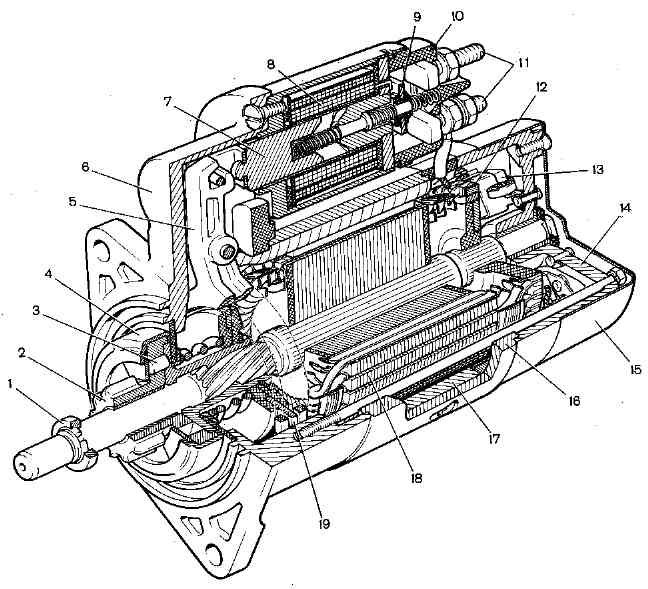
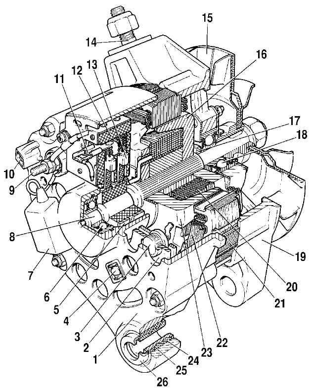
У генератора 37.3701 статор 21 (рис. 9-31) и крышки 1 и 19 стянуты четырьмя болтами. Вал 8 ротора вращается в подшипниках 6 и 18, которые установлены в крышках. Питание к обмотке ротора (обмотке возбуждения) подводится через щетки и контактные кольца 5.

Трехфазный переменный ток, индуцируемый в обмотке статора, преобразуется в постоянный выпрямительным блоком 2, прикрепленным к крышке 1. Электронный регулятор 11 объединен в один блок со щеткодержателем и крепится также к крышке 1.

Рис. 9-31. Генератор 37.3701: 1 - крышка со стороны контактных колец; 2 - выпрямительный блок; 3 - вентиль выпрямительного блока; 4 - винт крепления выпрямительного блока; 5 - контактное кольцо; 6 - задний шарикоподшипник; 7 - конденсатор; 8 - вал ротора; 9 - вывод "30" генератора; 10 - вывод "61" генератора; 11 - регулятор напряжения; 12 - вывод "В" регулятора напряжения; 13 - щетка; 14 - шпилька крепления генератора к натяжной планке; 15 - шкив с вентилятором; 16 - полюсный наконечник ротора; 17 - дистанционная втулка; 18 - передний шарикоподшипник; 19 - крышка со стороны привода; 20 - обмотка ротора; 21 - статор; 22 - обмотка статора; 23 - полюсный наконечник ротора; 24 - буферная втулка; 25 - втулка; 26 - поджимная втулка

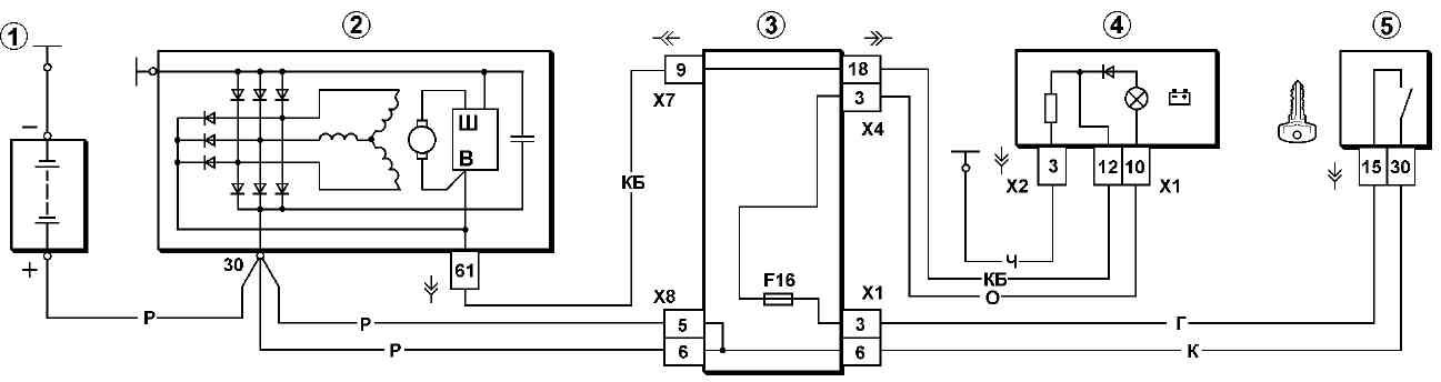
Рис. 9-32. Схема соединений системы генератора 37.3701: 1 - аккумуляторная батарея; 2 - генератор; 3 - монтажный блок; 4 - контрольная лампа заряда аккумуляторной батареи, расположенная в комбинации приборов; 5 - выключатель зажигания

Схема соединений генератора 37.3701 показана на рис. 9-32. В основном эта схема аналогична схеме соединений генератора 94.3701 (см. рис. 7-6). Отличия заключаются в маркировке выводов генератора и регулятора напряжения. Так, у генератора 37.3701 вывод выпрямленного напряжения маркируется "30", а на генераторе 94.3701 - "В+". Вывод для подачи напряжения возбуждения на генераторе 37.3701 маркируется "61", а на генераторе 94.3701 - "D". Вывод "В" регулятора напряжения у генератора 94.3701 обозначается "D+", а вывод "Ш" - "DF".

Напряжение для возбуждения генератора при включении зажигания подводится к выводу "В" регулятора через контрольную лампу 4, расположенную в комбинации приборов. После пуска двигателя обмотка возбуждения питается от трех дополнительных диодов, установленных на выпрямительном блоке. При этом ток через контрольную лампу не проходит и она не горит. Вывод "Ш" регулятора маркировки не имеет. С ним соединяется щетка 13 (см. рис. 9-31).

Работа генератора контролируется контрольной лампой 4 в комбинации приборов. При включении зажигания лампа должна гореть, а после пуска двигателя - гаснуть, если генератор исправен. Яркое горение лампы или ее свечение в полнакала говорит о неисправностях в системе генератора.

Возможные неисправности генератора 37.3701 аналогичны описанным в разделе "Электрооборудование" для генератора 94.3701 только с учетом другой маркировки выводов генератора и регулятора напряжения.

При работе с генератором 37.3701 надо также учитывать предупреждения, изложенные для генератора 94.3701 в разделе "Электрооборудование".

Контрольные проверки генератора

Проверка генератора на стенде. Установите генератор на стенд и выполните соединения, как указано на рис. 7-7, с учетом другой маркировки выводов генератора (см. выше).

Включите электродвигатель стенда, реостатом 4 установите напряжение на выходе генератора 13 В и доведите частоту вращения ротора до 5000 мин-1. Дайте генератору поработать на этом режиме не менее 10 мин., а затем замерьте силу тока отдачи. У исправного генератора она должна быть не менее 55 А.

Если замеренная величина отдаваемого тока меньше, то это говорит о неисправностях в обмотках статора и ротора, о повреждении вентилей. В этом случае необходима тщательная проверка обмоток и вентилей, чтобы определить место неисправности.

Напряжение на выходе генератора проверяется при частоте вращения ротора 5000 мин-1. Реостатом 4 установите ток отдачи 15 А и замерьте напряжение на выходе генератора, которое должно быть 14,1+0,5 В при температуре окружающего воздуха и генератора 25+10°С.

Если напряжение не укладывается в указанные пределы, то замените регулятор напряжения новым, заведомо исправным, и повторите проверку. Если напряжение будет нормальным, то, следовательно, старый регулятор напряжения поврежден и его необходимо заменить. А если напряжение по-прежнему не будет укладываться в указанные выше пределы, то необходимо проверить обмотки и вентили генератора.

Проверка генератора электронным осциллографом выполняется аналогично описанному для генератора 94.3701 в разделе "Электрооборудование", при соединениях генератора по схеме на рис. 7-8, но с учетом другой маркировки выводов генератора.

Проверка статора, вентилей и диодов выпрямительного блока, обмотки возбуждения ротора и конденсатора производится так же, как описано для генератора 94.3701 в разделе "Электрооборудование".

Проверка регулятора напряжения. Регулятор проверятся так же, как изложено в разделе "Электрооборудование" для генератора 94.3701.

Для проверки регулятора на автомобиле, после 15 мин. работы двигателя на средних оборотах при включенных фарах замерьте напряжение между клеммой "30" и массой генератора. Напряжение должно находиться в пределах 13,6-14,6 В.

Регулятор, снятый с генератора, проверяется по схеме, приведенной на рис. 9-33.

Рис. 9-33. Схема для проверки регулятора напряжения: 1 - аккумуляторная батарея; 2 - вывод "масса" регулятора; 3 - регулятор напряжения; 4 - вывод "Ш" регулятора; 5 - вывод "В" регулятора; 6 - контрольная лампа

Между щетками включите лампу 1-3 Вт, 12 В. К выводу "В" и к массе регулятора присоедините источник питания сначала напряжением 12 В, а затем напряжением 15-16 В.

Если регулятор исправен, то в первом случае лампа должна гореть, а во втором - гаснуть.

Если лампа горит в обоих случаях, то в регуляторе пробой, а если не горит в обоих случаях, то или в регуляторе имеется обрыв, или нет контакта между щетками и выводами регулятора напряжения.

РЕМОНТ ГЕНЕРАТОРА

Разборка и сборка генератора

Очистите и продуйте генератор сжатым воздухом. Застопорьте шкив генератора захватом, входящим в комплект приспособления 67.7823.9504, отверните гайку крепления шкива и съемником спрессуйте шкив. Снимите шпонку и коническую шайбу шкива.

В комплект приспособления 67.7823.9504 входит обычный съемник и захват. Последний состоит из двух стальных полуколец, которые вкладывают в ручей шкива. Полукольца имеют такое же сечение, как и ремень привода генератора. С одной стороны они соединены шарнирно, а с другой снабжены рычагами, которые сжимаются одной рукой при снятии шкива.

Отсоедините провод от штекера "В" регулятора напряжения. Отсоедините провода регулятора и конденсатора от клеммы "30" генератора, отверните винты крепления регулятора 2 (рис. 9-34) напряжения и снимите его. Снимите конденсатор 1, отвернув винт крепления.

Рис. 9-34. Детали генератора 37.3701: 1 - конденсатор; 2 - регулятор напряжения в сборе с щеткодержателем; 3 - колодка вывода дополнительных диодов; 4 - изолирующие втулки; 5 - выпрямительный блок; 6 - контактный болт; 7 - статор; 8 - ротор; 9 - дистанционная втулка; 10 - внутренняя шайба крепления подшипника; 11 - крышка со стороны привода; 12 - шкив; 13 - наружная шайба крепления подшипника; 14 - стяжной болт; 15 - передний шарикоподшипник ротора; 16 - втулка; 17 - крышка со стороны контактных колец; 18 - буферная втулка; 19 - поджимная втулка

Отверните гайки стяжных болтов 14 и снимите крышку 11 генератора и ротор 8. Отверните гайки болтов, соединяющих наконечники вентилей с выводами обмотки статора и извлеките статор 7 из крышки 17 генератора.

Отверните гайку контактного болта 6, отсоедините от колодки 3 штекер провода дополнительных диодов и снимите выпрямительный блок 5.

Собирается генератор в последовательности, обратной разборке.

Несоосность отверстий в лапах крышек генератора должна быть не более 0,4 мм. Поэтому при сборке необходимо вставлять в эти отверстия специальный калибр.

Коническая пружинная шайба шкива выпуклой стороной должна соприкасаться с гайкой. Гайку шкива затягивайте моментом 38,4-88 Н·м (3,9-9,0 кгс·м).

Замена щеткодержателя

Если щетки износились и выступают из щеткодержателя меньше, чем на 5 мм, то замените щеткодержатель в сборе с регулятором напряжения, т. к. этот узел является неразборным.

Перед установкой нового щеткодержателя с регулятором напряжения продуйте гнездо в генераторе от угольной пыли и протрите от масла, смешанного с угольной пылью.

Замена подшипников ротора

Чтобы извлечь неисправный подшипник из крышки со стороны привода, отверните гайки винтов, стягивающих шайбы крепления подшипника, снимите шайбы с винтами и на ручном прессе выпрессуйте подшипник. Если гайки винтов не отворачиваются (концы винтов раскернены), то спилите концы винтов.

Устанавливать новый подшипник в крышку генератора можно только в том случае, если отверстие для подшипника не деформировано и диаметр его не более 42 мм. Если отверстие имеет больший диаметр или деформировано, замените крышку новой.

Подшипник в крышку запрессовывается на прессе и затем зажимается между двумя шайбами, стянутыми винтами с гайками. После затягивания гаек концы винтов раскерните.

При замене подшипника ротора со стороны контактных колец необходимо одновременно заменять и крышку, так как если подшипник поврежден, то повреждается и гнездо в крышке. Подшипник снимается с ротора съемником и напрессовывается на прессе.

Замена дополнительных диодов

Для замены отпаяйте выводы поврежденного диода и аккуратно извлеките его из пластмассового держателя, не допуская резких ударов по выпрямительному блоку. Затем очистите место установки диода от остатков эпоксидной смолы, установите и припаяйте новый диод.

Вывод диода с цветной меткой припаивайте к выводам вентилей. После припайки приклейте корпус диода к держателю эпоксидной смолой.

Натяжение ремня привода генератора

Нормальный прогиб "А" (рис. 9-35) ремня должен быть в пределах 10-15 мм при усилии 98 H (10 кгс).

Рис. 9-35. Проверка натяжения ремня генератора: 1 - гайка; 2 - натяжная планка; 3 - генератор; 4 - ремень; А - прогиб ремня

Для увеличения натяжения ремня сделайте следующее:

- отпустите гайку 1 крепления генератора к натяжной планке 2;

- сместите генератор в сторону от двигателя и затяните гайку;

- поверните коленчатый вал на два оборота и проверьте натяжение ремня.

Избегайте излишнего натяжения ремня, чтобы не вызвать повышения нагрузок на подшипники генератора.

СТАРТЕР 29.3708

Техническая характеристика

Номинальная мощность, кВт

1,3

Потребляемая сила тока при максимальной мощности, не более, А

260

Потребляемая сила тока в заторможенном состоянии, не более, А

500

Потребляемая сила тока на холостом ходу, без реле, не более, А

60

Особенности устройства

На автомобилях 2115 с карбюраторным двигателем может быть установлен стартер типа 29.3708. Он представляет собой электродвигатель постоянного тока со смешанным возбуждением и с электромагнитным двухобмоточным тяговым реле.

В корпусе 16 (рис. 9-36) закреплены четыре полюса 17 с обмотками возбуждения, три из которых сериесные и одна шунтовая. Корпус вместе с крышками 6 и 14 стянуты двумя болтами. Якорь имеет торцовый коллектор. Задний конец вала якоря вращается в металлокерамической втулке, запрессованной в крышку 14, а передний конец - во втулке, запрессованной в картере сцепления.

Рис. 9-36. Стартер 29.3708: 1 - ограничительное кольцо; 2 - шестерня привода; 3 - ролик обгонной муфты; 4 - обгонная муфта; 5 - рычаг привода; 6 - крышка со стороны привода; 7 - якорь реле; 8 - обмотка реле; 9 - контактная пластина; 10 - крышка реле; 11 - контактные болты; 12 - коллектор; 13 - щетка; 14 - крышка со стороны коллектора; 15 - кожух; 16 - корпус; 17 - полюс статора; 18 - якорь; 19 - поводковое кольцо

Схема соединений стартера 29.3708 показана на рис. 9-37. При включении стартера напряжение от аккумуляторной батареи подается на обе обмотки тягового реле стартера (втягивающую Р1 и удерживающую Р2). После замыкания контактов тягового реле втягивающая обмотка отключается.

Рис. 9-37. Схема соединений стартера 29.3708: 1 - стартер; 2 - аккумуляторная батарея; 3 - генератор; 4 - монтажный блок; 5 - выключатель зажигания; Р1 - втягивающая обмотка тягового реле; Р2 - удерживающая обмотка тягового реле

Неисправности стартера 29.3708 такие же, как у стартера 5712.3708 (описан в разделе "Электрооборудование"), исключая неисправности, связанные с редуктором. Но возможна еще дополнительная неисправность: замыкание или обрыв в обмотках статора в случае если якорь стартера не вращается или вращается слишком медленно.

РЕМОНТ СТАРТЕРА

Разборка

Отверните гайку на нижнем контактном болту тягового реле 8 (рис. 9-38) и отсоедините от него вывод обмотки статора. Отверните винты крепления тягового реле и снимите его. Отсоедините якорь 7 реле от рычага 6 привода. Выньте резиновую заглушку с шайбой из передней крышки.

Отверните винты и снимите защитный кожух 11. Снимите стопорную шайбу 10, выверните стяжные болты 12 и отсоедините корпус 16 с задней крышкой 9 от передней крышки 5 с якорем 17.

Отверните винты крепления к щеткодержателям выводов обмотки статора и отсоедините корпус от задней крышки. Снимите пружины 14 и щетки 15.

Снимите стопорное 1 и ограничительное 2 кольца и отсоедините якорь от привода 3.

Расшплинтуйте и выньте ось 4 рычага из передней

крышки. Отсоедините рычаг 6 от привода и выньте привод 3 из передней крышки. Привод разбирается после снятия со ступицы муфты стопорной шайбы.

Если тяговое реле разборного исполнения, то для его разборки отверните винты крепления крышки и отпаяйте выводы обмоток от штекера "50" и от наконечника, закрепленного на нижнем контактном болту тягового реле.

После разборки продуйте детали сжатым воздухом и протрите.

Проверка технического состояния деталей

Проверка технического состояния деталей стартера 29.3708 аналогична проверке деталей стартера 5712.3708, описанной в разделе "Электрооборудование".

Дополнительно проверьте состояние поверхностей шлицев и цапф вала якоря. На них не должно быть задиров, забоин и износа. Если на поверхности вала появились следы желтого цвета от втулки шестерни, удалите их мелкозернистой шлифовальной шкуркой, так как они могут стать причиной заедания шестерни на валу.

Проверьте надежность крепления щеткодержателей на задней крышке. Щеткодержатели положительных щеток не должны иметь замыкания с массой. Щетки должны свободно перемещаться в пазах щеткодержателей. Щетки, изношенные по высоте до 12 мм, замените новыми.

Проверьте динамометром давление пружин на щетки, которое для новых щеток должно составлять 10+1 H (1+0,1 кгс) и, при необходимости, замените пружины новыми.

Сборка

Рис. 9-38. Детали стартера: 1 - стопорное кольцо; 2 - ограничительное кольцо; 3 - привод с обгонной муфтой; 4 - ось рычага; 5 - передняя крышка; 6 - рычаг привода; 7 - якорь реле; 8 - тяговое реле; 9 - задняя крышка; 10 - стопорная шайба; 11 - защитный кожух; 12 - стяжной болт; 13 - регулировочная шайба; 14 - пружина щетки; 15 - щетка; 16 - корпус; 17 - якорь

Перед сборкой смажьте моторным маслом винтовые шлицы вала якоря и ступицы обгонной муфты, шестерню и втулку задней крышки. Поводковое кольцо привода смажьте консистентной смазкой Литол-24.

Сборка стартера выполняется в порядке, обратном разборке. Подбором регулировочной шайбы 13 (см. рис. 9-38) обеспечьте осевой свободный ход якоря не более 0,5 мм. На стяжной болт, проходящий около выводов обмотки статора, наденьте изолирующую пластмассовую трубку.

После сборки проверьте стартер на стенде.

БЕСКОНТАКТНАЯ СИСТЕМА ЗАЖИГАНИЯ

Особенности устройства

На автомобилях ВАЗ-2115 может применяться два типа систем зажигания: бесконтактная (только на карбюраторных двигателях) и система зажигания, входящая в комплекс электронной системы управления двигателем (системы впрыска топлива). В настоящей главе дана бесконтактная система зажигания, а другая описана в отдельном "Руководстве по ремонту системы управления двигателем с распределенным впрыском топлива".

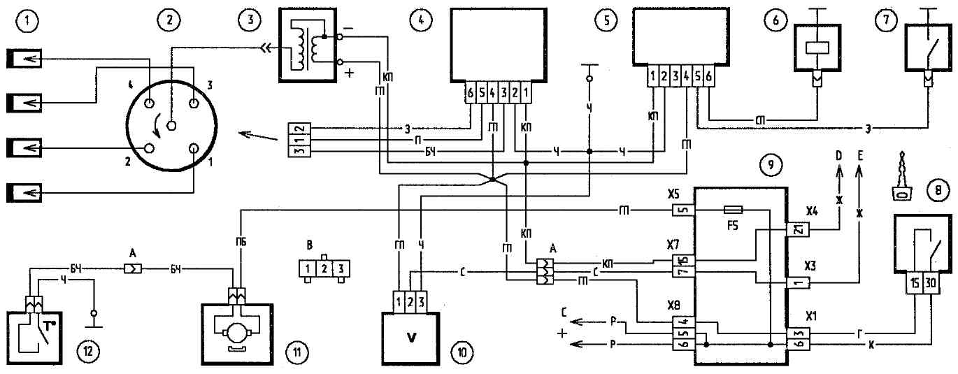
Рис. 9-39. Схема соединений жгута проводов бесконтактной системы зажигания: 1 - свечи зажигания; 2 - датчик-распределитель зажигания; 3 - катушка зажигания; 4 - коммутатор; 5 - блок управления электромагнитным клапаном карбюратора; 6 - электромагнитный клапан карбюратора; 7 - концевой выключатель карбюратора; 8 - выключатель зажигания; 9 - монтажный блок; 10 - датчик скорости; 11 - электродвигатель вентилятора системы охлаждения двигателя; 12 - датчик включения электродвигателя вентилятора; А - колодки для соединения с передним жгутом проводов; В - схема условной нумерации штекеров в колодках датчика-распределителя зажигания и датчика скорости; С - к источникам питания; D - к комбинации приборов (сигнал для тахометра); E - к комбинации приборов (сигнал для спидометра)

На рис. 9-39 показана схема соединений жгута проводов бесконтактной системы зажигания. Он подключается к колодкам А (5 на рис. 7-1) переднего жгута проводов.

В жгуте проводов бесконтактной системы зажигания также находятся провода системы управления электромагнитным клапаном 6 карбюратора, а также провода для подключения датчика 10 скорости и датчика 12 включения электродвигателя вентилятора.

Бесконтактная система зажигания состоит из датчика-распределителя 2 зажигания, коммутатора 4, катушки 3 зажигания, свечей 1 зажигания, выключателя 8 зажигания и проводов высокого напряжения. Цепь питания первичной обмотки катушки зажигания прерывается электронным коммутатором. Управляющие импульсы на коммутатор подаются от бесконтактного датчика, расположенного в датчике-распределителе 2 зажигания.

Датчик-распределитель зажигания - типа 40.3706 или 40.3706-01, четырехискровой, неэкранированный, с вакуумным и центробежным регуляторами опережения зажигания, со встроенным микроэлектронным датчиком управляющих импульсов.

Коммутатор - типа 3620.3734, или 76.3734, или RT1903, или PZE4022. Он преобразует управляющие импульсы датчика в импульсы тока в первичной обмотке катушки зажигания.

Катушка зажигания - с разомкнутым магнитопроводом, маслонаполненная, герметизированная, следующих типов: 27.3705; 27.3705-01; 027.3705; ΑΤΕ 1721; 8352.12. Θли типа 3122.3705 с замкнутым магнитопроводом, сухая.

Свечи зажигания - типа А17ДВРМ или А17ДВРМ1 с помехоподавительными резисторами или аналогичные зарубежного производства.

Выключатель зажигания - типа 2110-3704005 или ΚΖ-881 ρ противоугонным запорным устройством, с блокировкой против повторного включения стартера без предварительного выключения зажигания и с подсветкой гнезда.

Проверка выключателя зажигания описана в начале 7 раздела в главе "Провода и предохранители".

ВОЗМОЖНЫЕ НЕИСПРАВНОСТИ, ИХ ПРИЧИНЫ И МЕТОДЫ УСТРАНЕНИЯ

Причина неисправности

Метод устранения

Двигатель не запускается

1. На коммутатор не поступают импульсы напряжения от бесконтактного датчика:

1. Проделайте следующее:

- обрыв в проводах между датчиком-распределителем зажигания и коммутатором;

- проверьте провода и их соединения; поврежденные провода замените;

- неисправен бесконтактный датчик

- проверьте датчик с помощью переходного разъема и вольтметра; неисправный датчик замените

2. Не поступают импульсы тока на первичную обмотку катушки зажигания:

2. Проделайте следующее:

- обрыв в проводах, соединяющих коммутатор с выключателем или с катушкой зажигания;

- проверьте провода и их соединения; поврежденные провода замените;

- неисправен коммутатор;

- проверьте коммутатор осциллографом; неисправный коммутатор замените

- не срабатывает выключатель зажигания

- проверьте, замените неисправную контактную часть выключателя зажигания

3. Не подается высокое напряжение к свечам зажигания:

3. Проделайте следующее:

- неплотно посажены в гнездах, оторвались или окислены наконечники проводов высокого напряжения; провода сильно загрязнены, или повреждена их изоляция;

- проверьте и восстановите соединения, очистите или замените провода;

- износ или повреждение контактного уголька, зависание его в крышке датчика-распределителя зажигания;

- проверьте и при необходимости замените контактный уголек;

- утечка тока через трещины или прогары в крышке или роторе датчика-распределителя зажигания, через нагар или влагу на внутренней поверхности крышки;

- проверьте, очистите крышку от влаги и нагара, замените крышку и ротор, если в них имеются трещины;

- перегорание резистора в роторе датчика-распределителя зажигания;

- замените резистор;

- повреждена катушка зажигания

- замените катушку зажигания

4. Замаслены электроды свечей зажигания, или зазор между ними не соответствует норме

4. Очистите свечи и отрегулируйте зазор между электродами

5. Повреждены свечи зажигания (трещина на изоляторе)

5. Замените свечи новыми

6. Нарушен порядок присоединения проводов высокого напряжения к выводам крышки датчика-распределителя зажигания

6. Присоедините провода в порядке зажигания 1-3-4-2

7. Неправильная установка момента зажигания

7. Проверьте, отрегулируйте момент зажигания

Двигатель работает неустойчиво или глохнет на холостом ходу

1 . Слишком раннее зажигание в цилиндрах двигателя

1. Проверьте, отрегулируйте момент зажигания

2. Большой зазор между электродами свечей зажигания

2. Проверьте, отрегулируйте зазор между электродами

Двигатель неравномерно и неустойчиво работает при большой частоте вращения коленчатого вала

Ослабли пружины грузиков регулятора опережения зажигания в датчике-распределителе зажигания

Замените пружины, проверьте работу центробежного регулятора на стенде

Перебои в работе двигателя на всех режимах

1 . Повреждены провода в системе зажигания, ослаблено крепление проводов, или окислены их наконечники

1. Проверьте провода и их соединения. Поврежденные провода замените

2. Износ электродов или замасливание свечей зажигания, значительный нагар; трещины на изоляторе свечи

2. Проверьте свечи, отрегулируйте зазор между электродами, поврежденные свечи замените

3. Износ или повреждение контактного уголька в крышке датчика-распределителя зажигания

3. Замените контактный уголек

4. Сильное подгорание центрального контакта ротора датчика-распределителя зажигания

4. Зачистите центральный контакт

5. Трещины, загрязнение или прогары в роторе или крышке датчика-распределителя зажигания

5. Проверьте, замените ротор или крышку

6. Неисправен коммутатор - форма импульсов на первичной обмотке катушки зажигания не соответствует норме

6. Проверьте коммутатор с помощью осциллографа, неисправный коммутатор замените

Двигатель не развивает полной мощности и не обладает достаточной приемистостью

1. Неправильная установка момента зажигания

1. Проверьте, отрегулируйте момент зажигания

2. Заедание грузиков регулятора опережения зажигания, ослабление пружин грузиков

2. Проверьте, замените поврежденные детали

3. Неисправен коммутатор - форма импульсов на первичной обмотке катушки зажигания не соответствует норме

3. Проверьте коммутатор с помощью осциллографа, неисправный коммутатор замените

ПРЕДУПРЕЖДЕНИЯ. Бесконтактная система зажигания - это система зажигания высокой энергии с широким применением электроники. Поэтому, чтобы не получить травм и не вывести из строя электронные узлы, необходимо соблюдать следующие правила.

На работающем двигателе не касаться элементов системы зажигания (коммутатора, катушки, датчика-распределителя зажигания и высоковольтных проводов).

Не производить пуск двигателя с помощью искрового зазора и не проверять работоспособность системы зажигания "на искру" между наконечниками проводов свечей зажигания и массой.

Не прокладывать провода низкого напряжения системы зажигания в одном жгуте с проводами высокого напряжения.

Следить за надежностью соединения с массой коммутатора через винты крепления. Это влияет на его бесперебойную работу.

При включенном зажигании не отсоединять провода от клемм аккумуляторной батареи и не отсоединять от коммутатора штепсельный разъем, так как при этом на отдельных элементах его схемы может возникнуть повышенное напряжение и он будет поврежден.

Установка момента зажигания

Величина угла опережения зажигания указана в приложении 3.

Для проверки на автомобиле момента зажигания имеется шкала 1 (см. рис. 2-58) в люке картера сцепления и метка 2 на маховике. Одно деление шкалы соответствует 1° поворота коленчатого вала. При совмещении метки на маховике со средним (длинным) делением шкалы поршни первого и четвертого цилиндров находятся в в.м.т.

При обкатке двигателя на стенде устанавливать момент зажигания допускается с помощью меток на шкиве коленчатого вала и на передней крышке привода распределительного вала (рис. 9-40), если на двигателе установлен одноручьевой шкив для привода генератора 37.3701.

Рис. 9-40. Метки для установки момента зажигания: 1 - метка опережения зажигания на 5°; 2 - метка опережения зажигания на 0°; 3 - метка в.м.т. на шкиве коленчатого вала

Проверить и установить момент зажигания можно с помощью стробоскопа, действуя в следующем порядке:

- соедините зажим "плюс" стробоскопа с клеммой "плюс" аккумуляторной батареи, зажим массы - с клеммой "минус" аккумуляторной батареи, а зажим датчика стробоскопа присоедините к проводу высокого напряжения 1-го цилиндра;

- запустите двигатель и направьте мигающий поток света стробоскопа в люк картера сцепления; если момент зажигания установлен правильно, то при холостом ходе двигателя метка на маховике должна находиться в положении, соответствующем данным приложения 3.

Для регулировки момента зажигания остановите двигатель, ослабьте гайки крепления датчика-распределителя зажигания и поверните его на необходимый угол. Для увеличения угла опережения зажигания корпус датчика-распределителя следует повернуть по часовой стрелке, а для уменьшения - против часовой стрелки (если смотреть со стороны крышки датчика-распределителя зажигания). Затяните гайки крепления и снова проверьте установку момента зажигания.

Для удобства регулировки момента зажигания на фланце датчика-распределителя зажигания имеются деления и знаки "+" и "-", а на корпусе вспомогательных агрегатов - установочный выступ (см. рис. 9-9). Одно деление на фланце соответствует восьми градусам поворота коленчатого вала.

Если имеется диагностический стенд с осциллоскопом, то с его помощью тоже можно легко проверить установку момента зажигания, руководствуясь инструкцией по эксплуатации стенда.

Катушка зажигания

Проверьте сопротивление обмоток и сопротивление изоляции.

У маслонаполненных катушек сопротивление первичной обмотки при 25°С должно составлять 0,45+0,05 Ом, а вторичной обмотки 5+0,5 кОм. У сухой катушки с замкнутым магнитопроводом сопротивление обмоток должно быть соответственно 0,388+0,039 Ом и 4,23+0,42 кОм.

Сопротивление изоляции на массу должно быть не менее 50 МОм.

Коммутатор

Коммутатор проверяется с помощью осциллографа и генератора прямоугольных импульсов по схеме, приведенной на рис. 9-41.

Рис. 9-41. Схема для проверки коммутатора: 1 - разрядник; 2 - катушка зажигания; 3 - коммутатор; 4 - резистор 0,01 Ом + 1%, не менее 20 Вт; А - к генератору прямоугольных импульсов; В - к осциллографу

Выходное сопротивление генератора должно быть 100-500 Ом. Осциллограф желательно применять двухканальный. 1-й канал - для импульсов генератора, а 2-й для импульсов коммутатора.

На клеммы "3" и "6" коммутатора подаются прямоугольные импульсы, имитирующие импульсы датчика. Частота импульсов от 3,33 до 233 Гц, а скважность (отношение периода к длительности импульса Т/ТИ) равна 3. Максимальное напряжение Umax - 10 В, а минимальное Umin не более 0,4 В (рис. 9-42, II). У исправного коммутатора форма импульсов тока должна соответствовать осциллограмме I.

Для коммутаторов 3620.3734 и 76.3734 при напряжении питания 13,5+0,5 В величина силы тока (В) должна быть 7,5-8,5 А. Время накопления тока (А) не нормируется.

Для коммутатора RT1903 при напряжении питания 13,5+0,2 В и частоте импульсов 25 Гц сила тока составляет 7-8 А, а время накопления тока 5,5-11,5 мс.

Для коммутатора PZE4022 при напряжении питания 14+0,3 В и частоте 25 Гц величина силы тока составляет 7,3-7,7 А, а время накопления тока не нормируется.

Если форма импульсов коммутатора искажена, то могут быть перебои с искрообразованием или оно может происходить с запаздыванием. Двигатель будет перегреваться и не развивать номинальной мощности.

Рис. 9-42. Форма импульсов на экране осциллографа: I - импульсы коммутатора; II - импульсы генератора; А - время накопления тока; В - максимальная величина тока

Свечи зажигания

Свечи зажигания с нагаром или загрязненные перед испытанием очистите на специальной установке струей песка и продуйте сжатым воздухом. Если нагар светло-коричневого цвета, то его можно не удалять, так как он появляется на исправном двигателе и не нарушает работы системы зажигания.

После очистки осмотрите свечи и отрегулируйте зазор между электродами. Если на изоляторе свечи имеются сколы, трещины или повреждена приварка бокового электрода, то свечу замените.

Зазор (0,7-0,8 мм) между электродами свечи проверяйте круглым проволочным щупом. Проверять зазор плоским щупом нельзя, так как при этом не учитывается выемка на боковом электроде, которая образуется при работе свечи. Зазор регулируйте подгибанием только бокового электрода свечи.

Испытание на герметичность. Вверните свечу в соответствующее гнездо на стенде и затяните динамометрическим ключом моментом 31,4-39,2 Н·м (3,2-4 кгс·м). Создайте в камере стенда давление 2 МПа (20 кгс/см2).

Накапайте из масленки на свечу несколько капель масла или керосина; если герметичность нарушена, то будут выходить пузырьки воздуха, обычно между изолятором и металлическим корпусом свечи.

Электрическое испытание. Вверните свечу в гнездо на стенде и затяните указанным выше моментом. Отрегулируйте зазор между электродами разрядника на 12 мм, что соответствует напряжению 18 кВ, а затем насосом создайте давление 0,6 МПа (6 кгс/см2).

Установите наконечник провода высокого напряжения на свечу и подайте на нее импульсы высокого напряжения.

Если в окуляре стенда наблюдается полноценная искра, то свеча считается отличной.

Если искрение происходит между электродами разрядника, то следует понизить давление в приборе и

проверить, при каком давлении наступает искрообразование между электродами свечи. Если оно начинается при давлении ниже 0,3 МПа (3 кгс/см2), то свеча - дефектная.

Допускается несколько искрений на разряднике; если искрообразование отсутствует на свече и на разряднике, то надо полагать, что на изоляторе свечи имеются трещины и что разряд происходит внутри, между массой и электродами. Такая свеча выбраковывается.

Проверка элементов для подавления радиопомех

К элементам для подавления радиопомех относятся: - резистор в роторе датчика-распределителя зажигания. Величина сопротивления резистора 1 кОм;

- провода высокого напряжения с распределенным сопротивлением 2550+270 Ом/м;

- резисторы величиной 4-10 кОм в свечах зажигания;

- конденсатор, емкостью 2,2 мкФ, расположенный в генераторе.

Исправность проводов и резисторов проверяется омметром. Проверка конденсатора описана в подразделе "Генератор".

Ремонт датчика-распределителя зажигания

Снятие. Затормозите автомобиль стояночным тормозом и отсоедините провод от клеммы "минус" аккумуляторной батареи.

Выньте заглушку из смотрового люка картера сцепления. Вращая коленчатый вал за болт крепления шкива, поверните его до совмещения метки на маховике со средним делением шкалы (см. рис. 2-58).

Отсоедините от датчика-распределителя зажигания провода и вакуумный шланг. Отверните гайки крепления, снимите кронштейн крепления высоковольтных проводов и датчик-распределитель зажигания.

Установка. Валик датчика-распределителя зажигания соединяется с хвостовиком распределительного вала только в одном положении. Поэтому перед установкой поверните валик датчика-распределителя зажигания в такое положение, чтобы кулачки муфты валика находились против пазов распределительного вала.

Смажьте моторным маслом и наденьте на фланец датчика-распределителя зажигания уплотнительное кольцо. Установите датчик-распределитель зажигания на корпус вспомогательных агрегатов в таком положении, чтобы среднее деление на фланце датчикараспределителя зажигания находилось против установочного выступа на корпусе вспомогательных агрегатов (см. рис. 9-9). Установите кронштейн крепления проводов высокого напряжения. Закрепите кронштейн и датчик-распределитель зажигания гайками.

Присоедините к датчику-распределителю зажигания провода и вакуумный шланг.

Проверьте и отрегулируйте момент зажигания.

Рис. 9-43. Детали датчика-распределителя зажигания: 1 - муфта; 2 - корпус; 3 - вакуумный регулятор; 4 - центробежный регулятор; 5 - бесконтактный датчик; 6 - опорная пластина датчика с подшипником; 7 - держатель переднего подшипника валика; 8 - крышка; 9 - ротор; 10 - защитный экран; 11 - держатель переднего подшипника валика в сборе с опорной пластиной датчика; 12 - шайба крепления проводов; 13 - ведомая пластина центробежного регулятора с экраном; 14 - валик с ведущей пластиной центробежного регулятора; 15 - грузики; 16 - сальник

Разборка. Для замены каких-либо деталей разборку производите в следующем порядке:

- снимите крышку 8 (рис. 9-43), ротор 9 и защитный экран 10;

- отсоедините тягу вакуумного регулятора 3 от опорной пластины 6 датчика, отверните винты крепления и снимите вакуумный регулятор;

- отверните винты крепления и снимите опорную пластину 6 в сборе с датчиком 5 и держателем 7;

- снимите пружину с муфты 1, удалите штифт и снимите с валика муфту и регулировочные шайбы;

- выньте из корпуса 2 валик с центробежным регулятором 4 и шайбами.

Сборка производится в порядке, обратном разборке. При сборке необходимо обеспечить подбором регулировочных шайб осевой свободный ход валика не более 0,35 мм.

СИСТЕМА УПРАВЛЕНИЯ ЭЛЕКТРОМАГНИТНЫМ КЛАПАНОМ КАРБЮРАТОРА

Проверка блока управления

Исправный блок 5 (см. рис. 9-39) управления должен отключать клапан 6 при увеличении частоты вращения коленчатого вала до 2100 мин-1 и включать клапан при снижении частоты вращения до 1900 мин-1, если концевой выключатель карбюратора замкнут на массу.

Перед проверкой работоспособности блока убедитесь в правильности подключения к нему проводов (см. рис. 9-39).

Работоспособность блока управления проверяется с помощью вольтметра (с пределами измерения 0-15 В) в следующем порядке:

- отсоедините зеленый провод от концевого выключателя карбюратора и соедините наконечник этого провода с массой;

- подключите к блоку управления вольтметр с помощью специального переходного разъема 2 (рис. 9-44);

- запустите двигатель и, постепенно увеличивая частоту вращения, следите за показаниями вольтметра: после запуска двигателя вольтметр должен показывать напряжение не менее 10 В, а в момент отключения клапана - скачкообразное снижение напряжения до величины не более 0,5 В;

- после отключения клапана постепенно снижайте частоту вращения до включения клапана: вольтметр должен показать при этом скачкообразное увеличение напряжения не менее, чем до 10 В;

- установите частоту вращения коленчатого вала в пределах 2200-2300 мин-1, отсоедините от массы наконечник провода, идущего к концевому выключателю карбюратора, а затем снова соедините его с массой; при отсоединении провода от массы клапан должен включаться, а при соединении с массой - отключаться.

Примечание. Допускается проверять блок без вольтметра по характерному стуку клапана при отключении и включении.

Рис. 9-44. Схема проверки блока управления: 1 - блок управления; 2 - переходный разъем с вольтметром; А - к жгуту проводов автомобиля

ЭЛЕКТРОДВИГАТЕЛЬ ВЕНТИЛЯТОРА СИСТЕМЫ ОХЛАЖДЕНИЯ ДВИГАТЕЛЯ

На автомобилях с карбюраторным двигателем электродвигатель 11 (см. рис. 9-39) вентилятора системы охлаждения двигателя включается датчиком 12 типа 9030330, который ввертывается в правый бачок радиатора. Температура замыкания контактов датчика 99+2°С, а размыкания 94+2°С.

На автомобилях, оборудованных системой управления двигателем (системой впрыска топлива), электродвигатель включается контроллером системы управления двигателем. В этом случае датчик в радиаторе не устанавливается.

Характеристику электродвигателя см. в разделе "Электрооборудование" в главе "Электродвигатель вентилятора системы охлаждения двигателя".