![]() |
![]() |
![]() |
|||
| РЕМКОМПЛЕКТ эксплуатация, техническое обслуживание, ремонт автомобиля Москвич 2140, 2140SL "Люкс" |
|||||
|
|
Основные данные коробки передач и ее механизма управления
Рис. 80. Коробка передач: 1 - первичный вал; 2 - стопорное кольцо; 3 - упорное кольцо; 4 - подшипник первичного вала; 5 - роликовый подшипник; 6 - упорное кольцо роликов; 7 - стопорное кольцо; 8 - гайка; 9 - стопорная шайба гайки; 10 - пружинная шайба гайки; 11 - ступица муфты включения III и IV передач; 12 - муфта включения III и IV передач; 13 - шестерня III передачи; 14 - распорная шайба; 15 - шестерня II передачи; 16 - шестерня заднего хода; 17 - ступица шестерни заднего хода; 18 - пружина; 19 - сухарь синхронизаторов; 20 - блокирующее кольцо; 21 - шестерня I передачи; 22 - втулка шестерен; 23 - стопорное кольцо; 24 - упорное кольцо; 25 - подшипник средний вторичного вала; 26 - вторичный вал; 27 - стопорный шарик; 28 - ведущая шестерня привода спидометра; 29 - стопорное кольцо; 30 - удлинитель; 31 - биметаллическая втулка (задний подшипник вторичного вала); 32 - внутренний сальник; 33 - наружный сальник; 34 - скользящая вилка карданного вала; 35 - винт; 36 - кронштейн задней опоры двигателя; 37 - редуктор привода спидометра; 38 - пробка; 39 - задняя упорная шайба блока; 40 - блок шестерен промежуточного вала; 41 - трубка распорная; 42 - упорное кольцо роликов; 43 - ролики блока шестерен; 44 - ось блока шестерен; 45 - шестерня паразитная заднего хода; 46 - ось паразитной шестерни заднего хода; 47 - рычаг переключения передач; 48 - переключатель передач; 49 - пружина фиксатора вилок; 50 - шарик фиксатора вилок; 51 - стержень вилок; 52 - вилка переключения III и IV передач; 53 - картер; 54 - валик рычага включения заднего хода; 55 - вилка включения заднего хода; 56 - крышка люка паразитной шестерни заднего хода На автомобиле установлена четырехскоростная коробка передач с четырьмя передачами вперед и одной назад. Все шестерни коробки передач имеют косые зубья, кроме шестерен заднего хода 16 и 45 (рис. 80) и соответствующего венца блока промежуточных шестерен. Коробка снабжена синхронизаторами для включения первой, второй, третьей и четвертой передач. Первичный вал 1 и шестерни первой 21, второй 15, третьей 13 передач находятся в постоянном зацеплении с блоком 40 шестерен промежуточного вала. Ведомая шестерня заднего хода 16 свободно перемещается по шлицам ступицы 17. Шестерни первой, второй и третьей передач установлены на вторичном валу на зафиксированных относительно вала 26 стальных втулках. В промежуточную шестерню заднего хода запрессована бронзовая втулка. Механизм переключения передач смонтирован на боковой крышке. Переключатель 12 передач (рис. 81) с помощью рычага 6 может устанавливаться в три положения: включение первой и второй передач, включение третьей и четвертой передач, включение заднего хода, с одновременным воздействием при этом на подпружиненный упор заднего хода 17. В картере 53 (см. рис. 80) на неподвижном стержне 51 установлены две скользящие вилки переключения передних передач. Вилка включения заднего хода 55 расположена на поперечном валике 54 рычага.
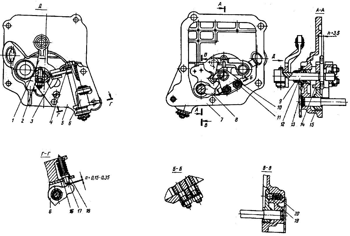
Рис. 81. Механизм переключения передач: 1 - рычаг переключателя; 2 - клин крепления рычага; 3 - вкладыш; 4 - палец; 5 - кронштейн; 6 - рычаг управления переключателем; 7 - боковая крышка; 8 - упор рычага заднего хода; 9 - чистик; 10 - кронштейн; 11 - стопор гаек; 12 - переключатель передач; 13 - сальник; 14 - замок; 15 - рычаг переключения заднего хода; 16 - регулировочные шайбы заднего хода; 17 - упор заднего хода; 18 - пружины упора заднего хода; 19 - шарик-фиксатор заднего хода; 20 - пружина фиксатора заднего хода Стальной кронштейн 36 задней опоры двигателя размещен в средней части удлинителя 30. Коробка управляется рычагом 6 (рис. 82), смонтированным на напольном механизме управления коробкой передач. Механизм управления коробкой имеет два выходных рычага 23 и 24 (рис. 83), соединенных тягами с рычагами механизма переключения, смонтированного на боковой крышке коробки передач.
Рис. 82. Механизм управления коробкой передач: 1 - выключатель света заднего хода; 2 - регулировочная прокладка включателя; 3 - корпус механизма; 4 - поводок; 5 - вкладыш рычага; 6 - рычаг управления коробкой передач; 7 - ступица рычага; 8 - втулка оси; 9 - ось рычага; 10 - втулка рычага; 11 - клин; 12 - верхний рычаг управления переключателем; 13 - втулка ступицы; 14 - соединительное кольцо вкладыша; 15 - рычаг переключения передач
Рис. 83. Установка механизма управления коробкой передач: 1 - шплинт; 2 - нижний рычаг переключения передач; 3 - втулка рычага; 4 - тяга переключения передач; 5 - тяга рычага управления переключателем; 6 - пружинная шайба; 7 - кожух; 8 - шайба; 9 - стержень (штифт установочный); 10 - уплотнительный чехол рычага управления; 11 - рамка; 12 - корпус (механизма управления коробкой передач); 13 - прокладка корпуса механизма; 14 - пружинная шайба; 15 - болт крепления механизма; 16 - рукоятка рычага управления; 17 - гайки; 18 - нижний рычаг управления переключателем; 19 - оттяжная пружина тяги; 20 - включатель света заднего хода; 21 - поводок; 22 - гайки; 23 - верхний рычаг переключения передач; 24 - верхний рычаг управления переключателем |
||||