![]() |
![]() |
![]() |
|||
| РЕМКОМПЛЕКТ эксплуатация, техническое обслуживание, ремонт автомобиля ВАЗ 1111 |
|||||
|
|
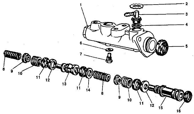
Главный цилиндрСнятие и установка Отсоедините шланги от главного цилиндра и закройте отверстия у шлангов и штуцеров главного цилиндра, чтобы предупредить утечку жидкости и попадание в них пыли, грязи и посторонних включений. Отсоедините от главного цилиндра трубопроводы, подводящие жидкость к колесным цилиндрам передних и задних тормозов и снимите цилиндр, отвернув гайки его крепления к вакуумному усилителю. Установку главного цилиндра проводите в последовательности, обратной снятию. После установки цилиндра прокачайте систему гидропривода тормозов для удаления воздуха. Разборка и сборка Разборка. Вывернув стопорные болты 7 (рис. 6-11), последовательно выньте все детали. Сборку цилиндра проводите в последовательности, обратной разборке, используя приспособление 67.7853.9543. При этом все детали смазывайте тормозной жидкостью, а шайбы 6 под стопорными винтами замените новыми.
Рис. 6-11. Детали главного цилиндра: 1 - корпус цилиндра; 2 - стопорная шайба; 3 - штуцер; 4 - уплотнительное кольцо; 5 - пылезащитный колпачок; 6 - уплотнительная шайба; 7 - стопорный винт поршня; 8 - возвратная пружина поршня; 9 - чашка; 10 - прижимная пружина уплотнителя; 11 - кольцо уплотнительное высокого давления; 12 - распорная втулка; 13 - плавающий поршень; 14 - шайба; 15 - поршень толкателя; 16 - кольцо уплотнительное низкого давления Проверка деталей перед сборкой Перед сборкой все детали промойте горячей водой с моющими средствами, высушите струёй сжатого воздуха и протрите чистой тряпкой, не допуская их соприкосновения с минеральными маслами, керосином или дизельным топливом, которые могут повредить уплотнители. Зеркало цилиндра и рабочая поверхность поршней должны быть совершенно чистыми, без ржавчины, рисок и других дефектов. При каждой разборке цилиндра уплотнительные кольца, даже если они в хорошем состоянии, заменяйте новыми. Проверьте упругость пружины поршня, длина которой должна быть под нагрузкой 35-42 H (3,5-4,2 кгс) - 36 мм, при 63,5-73,5 H (6,35-7,35 кгс) -21 мм и в свободном состоянии - 57,5 мм. Проверка герметичности главного цилиндра Установите главный цилиндр на стенд БС-137.000 и подсоедините его к элементам стенда, как указано на рис. 6-12. Откройте клапаны 1 для прокачки стенда и, перемещая несколько раз поршни главного цилиндра на полную длину их хода, прокачайте систему. Затем закройте клапаны 1. Вращая маховик 5, медленно продвигайте поршни главного цилиндра до тех пор, пока давление, контролируемое манометрами 2, не достигнет 12,5 МПа (125 кгс/см2). В этом положении заблокируйте толкатель главного цилиндра. Указанное давление должно оставаться постоянным не менее 5 с. В случае утечки жидкости или изменения давления в течение 5 с замените уплотнительные кольца поршней цилиндра.
Рис. 6-12. Схема проверки герметичности главного цилиндра: 1 - клапан для прокачки стенда; 2 - манометр; 3 - поглощающий цилиндр; 4 - главный цилиндр; 5 - маховик; 6 - указатель смещения толкателя; 7 - кран; 8 - емкость |
||||