![]() |
![]() |
![]() |
|||
| РЕМКОМПЛЕКТ эксплуатация, техническое обслуживание, ремонт автомобиля ВАЗ 1111 |
|||||
|
|
Разборка двигателяВымытый и очищенный двигатель установите на стенд для разборки и слейте из картера масло. Снимите шланг подачи топлива, идущий от топливного насоса к карбюратору; шланг системы вентиляции картера, идущий от крышки головки блока цилиндров к карбюратору и шланг, соединяющий карбюратор с вакуумным регулятором датчика момента искрообразования. Отсоедините тягу привода дроссельных заслонок от карбюратора. Снимите карбюратор с прокладкой и с кронштейном промежуточного рычага привода карбюратора. Снимите датчик 1 (рис. 2-7) момента искрообразования с уплотнительным кольцом 2 и топливный насос 7 с теплоизоляционной проставкой 5, толкателем 6 и прокладками. Снимите корпус 3 вспомогательных агрегатов с уплотнительным кольцом 4.
Рис. 2-7. Снятие топливного насоса и датчика момента искрообразования: 1 - датчик момента искрообразования; 2,4 - уплотнительные кольца; 3 - корпус вспомогательных агрегатов; 5 - теплоизоляционная проставка; 6 - толкатель: 7 - топливный насос Снимите натяжную планку и ремень привода генератора, а затем и генератор, отвернув болт его крепления к кронштейну опоры передней подвески силового агрегата. Снимите кронштейн опоры передней подвески силового агрегата. Заблокируйте маховик фиксатором 67.7820.9534 (см. рис. 2-13), отверните болт крепления шкива привода генератора и снимите шкив с коленчатого вала. Примечание. Если полная разборка двигателя не требуется, то можно снять головку блока цилиндров в сборе с карбюратором и вспомогательными агрегатами. Снимите переднюю крышку 1 (рис. 2-8) зубчатого ремня. Отверните гайку крепления механизма натяжения. Ослабьте и снимите зубчатый ремень, а затем натяжной ролик 6 с осью 7 и дистанционным кольцом 5. Заблокируйте шкив 4 распределительного вала приспособлением 67.7811.9509, отверните болт крепления и снимите шкив со шпонкой. Снимите зубчатый шкив 8 и шпонку с коленчатого вала.
Рис. 2-8. Снятие привода распределительного вала: 1 - передняя защитная крышка; 2 - резиновый уплотнитель; 3 - зубчатый ремень; 4 - шкив распределительного вала; 5 - дистанционное кольцо; 6 - натяжной ролик; 7 - ось натяжного ролики; 8 - зубчатый шкив коленчатого вала Отверните болты крепления насоса 2 (рис. 2-9) охлаждающей жидкости. Отверните болт и гайку крепления задней крышки 1 зубчатого ремня и снимите ее совместно с насосом охлаждающей жидкости и прокладкой 3.
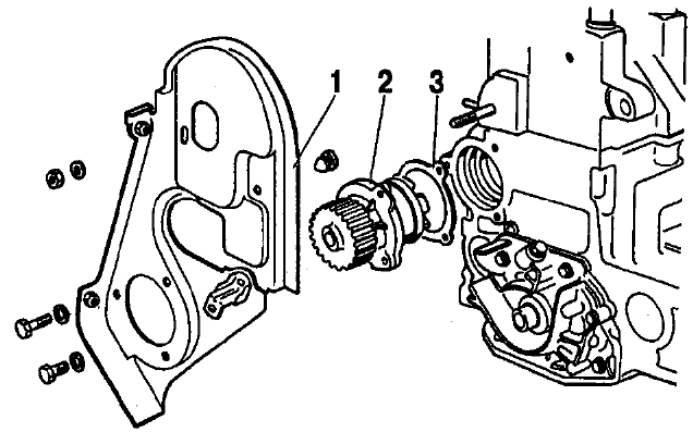
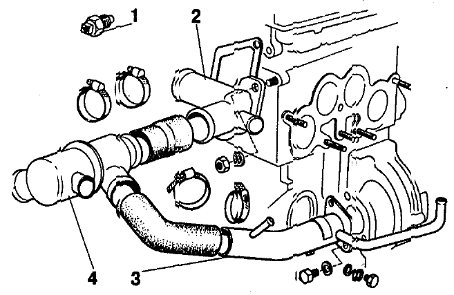
Рис. 2-9. Снятие насоса охлаждающей жидкости: 1 - задняя защитная крышка зубчатого ремня; 2 - насос охлаждающей жидкости; 3 - прокладка Отсоедините шланги от подводящей трубы 3 (рис. 2-10) и отводящего патрубка 2 и снимите термостат 4 со шлангами. Снимите подводящую трубу 3 насоса охлаждающей жидкости и отводящий патрубок 2 с прокладкой.
Рис. 2-10. Снятие элементов системы охлаждения: 1 - датчик указателя температуры охлаждающей жидкости; 2 - отводящий патрубок охлаждающей жидкости; 3 - подводящая труба насоса охлаждающей жидкости; 4 - термостат Ключом 67.7812.9514 выверните датчик 1 указателя температуры охлаждающей жидкости и свечи зажигания. Приспособлением А60312 (рис. 2-11) снимите масляный фильтр с прокладкой. Отсоедините шланг вытяжной вентиляции картера от патрубков на крышке головки блока цилиндров и на держателе заднего сальника коленчатого вала. Выньте указатель уровня масла.
Рис. 2-11. Снятие масляного фильма приспособлением А60312 Выверните из фланца масляного фильтра датчик контрольной лампы давления масла, а затем снимите фланец масляного фильтра с прокладкой. Снимите крышку головки блока цилиндров с прокладкой и резиновыми втулками. Отверните болты крепления головки блока цилиндров и снимите ее в сборе с распределительным валом. Переверните двигатель картером вверх и снимите поддон картера 5 (рис. 2-12) с прокладкой 4. Снимите приемник 3 и масляный насос 1.
Рис. 2-12. Снятие масляного насоса: 1 - масляный насос; 2 - прокладки масляного насоса; 3 - приемник масляного насоса; 4 - прокладка картера; 5 - картер Отверните гайки шатунных болтов, снимите крышки шатунов и осторожно выньте через цилиндры поршни с шатунами. Заблокируйте маховик фиксатором 67.7820.9534 (рис. 2-13), отверните болты крепления маховика, снимите шайбу болтов и маховик с коленчатого вала. Снимите держатель заднего сальника коленчатого вала.
Рис. 2-13. Снятие маховика: 1 - ключ; 2 - маховик; 3 - болт крепления; 4 - шайба; 5 - фиксатор 67.7820.9534 Удерживая ключом на "27" среднюю часть уравновешивающего вала от проворачивания, отверните болты крепления шестерен уравновешивающих валов и снимите шестерни. Снимите крышки коренных подшипников вместе с нижними вкладышами. Выньте из гнезд подшипников коленчатый вал, а затем верхние вкладыши и упорные полукольца из средней опоры. При необходимости дальнейшей разборки двигателя пользуйтесь указаниями главы "Особенности ремонта двигателя". Уравновешивающие валы снимайте только в случае необходимости замены вала или его подшипников. |
||||