![]() |
![]() |
![]() |
|||
| РЕМКОМПЛЕКТ эксплуатация, техническое обслуживание, ремонт автомобиля ВАЗ 2104 с двигателями 2103, 2104i и 21067i карбюратор / впрыск |
|||||
|
|
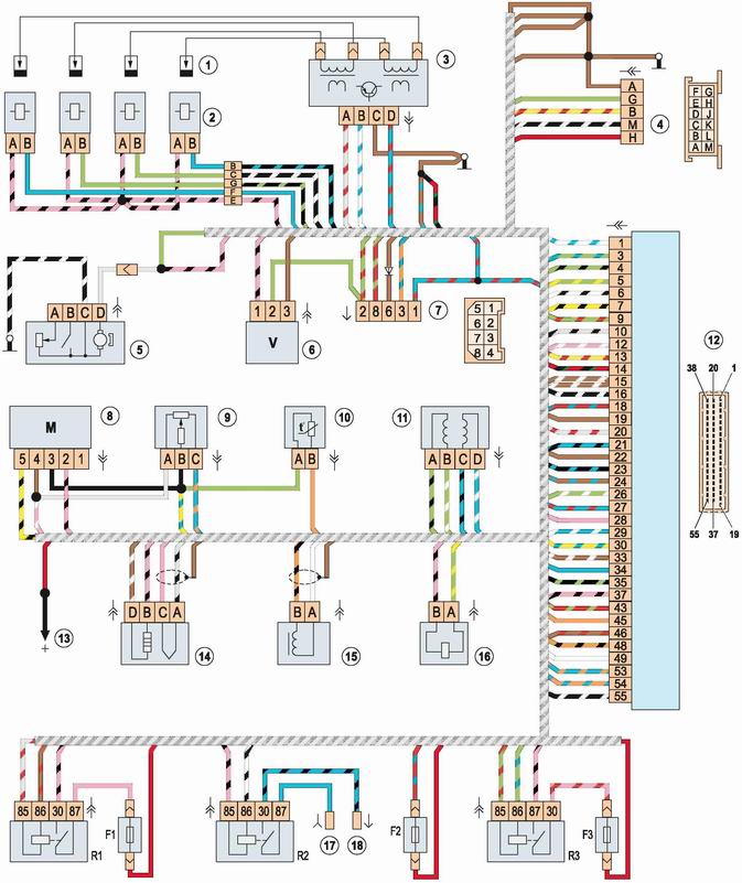
Электрическая схема системы управления двигателем с контроллером M 1.5.4N
Электрическая схема системы управления двигателем с контроллером M 1.5.4N: 1 - свечи зажигания; 2 - форсунки; 3 - модуль зажигания; 4 - колодка диагностического разъема; 5 - электробензонасос с датчиком уровня топлива; 6 - датчик скорости автомобиля; 7 - колодка соединения со жгутом проводов панели приборов; 8 - датчик массового расхода воздуха; 9 - датчик управления дроссельной заслонкой; 10 - датчик температуры охлаждающей жидкости; 11 - регулятор холостого хода; 12 - электронный блок управления (ЭБУ^); 13 - к положительному выводу аккумуляторной батареи; 14 - датчик концентрации кислорода; 15 - датчик положения коленчатого вала; 16 - электромагнитный клапан продувки адсорбера; 17 - колодка провода к монтажному блоку (вывод 6 колодки Ш6); 18 - колодка провода к выводу "+" электровентилятора; Rl - главное реле; R2 - реле электровентилятора; R3 - реле электробензонасоса; Fl - предохранитель цепи главного реле (15A); F2 - предохранитель ЭБУ (15A); F3 - предохранитель цепи электробензонасоса (15A) |
||||