РЕМКОМПЛЕКТ
эксплуатация, техническое обслуживание, ремонт автомобиля Москвич 2141, 2335
Москвич 2141, 2335







Снятие механизма управления коробкой передач с автомобиля и его установка без снятия коробки передач

Установить автомобиль на подъемник или на смотровую канаву. Поднять капот двигателя и застопорить его в поднятом положении.

Внутри салона снять с кожуха рамку с чехлом и рукояткой.

Произвести работы, связанные со снятием всех узлов и деталей, описанные выше (рис. 3-38-3-41).

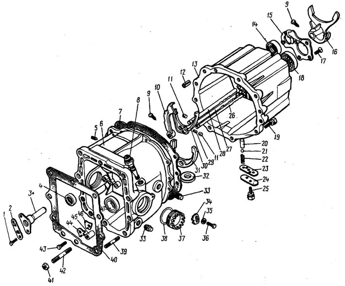
Отвернуть четыре гайки 2 (рис. 3-47) крепления кожуха 5 механизма управления к туннелю пола и снять механизм с автомобиля, аккуратно выводя рычаг из чехла воздухонаправляющего патрубка.

Рис. 3-47. Отворачивание гаек крепления кожуха механизма управления к туннелю пола: 1 - опора механизм; 2 - гайка; 3 - чехол шарнира; 4 - основание; 5 - кожух; 6 - туннель пола; 7 - вал переключения; 8 - кронштейн

Для установки механизма управления коробкой передач на автомобиль выставить коробку передач в нейтральное положение.

Рычаг 2 (рис. 3-48) механизма управления в сборе продеть через люк 3 туннеля пола и через отверстие в чехле 1 воздухонаправляющего патрубка.

Рис. 3-48. Продевание рычага механизма управления через люк туннеля пола и через чехол воздухонаправляющего патрубка, закрепление наконечника вала переключения на переключателе затяжкой болта-фиксатора, затяжка гайки крепления пальца основания: 1 - чехол воздухонаправляющего патрубка; 2 - рычаг механизма управления; 3 - люк; 4 - кожух; 5 - шпилька крепления механизма к полу; 6 - основание механизма; 7 - вал переключения; 8 - ключ для крепления фиксатора наконечника вала; 9 - наконечник; 10 - втулка пальца основания; 11 - шайба; 12 - гайка крепления пальца основания; 13 - кронштейн задней опоры двигателя; 14 - выступы на уплотнителе для фиксации кожуха и опоры; 15 - опора

Надеть наконечник 9 вала переключения передач на переключатель передач и затянуть ключом 8 фиксатор крепления наконечника, удерживая рычаг 2 в отверстии чехла воздухонаправляющего патрубка.

Вложить в гнезда кронштейна 13 две резиновые втулки 10, вставить в них палец основания 6 механизма, надеть на палец шайбу 11 и затянуть гайку 12, удерживая рычаг 2 механизма управления в отверстии чехла воздухонаправляющего патрубка.

Надеть кожух механизма управления в сборе с задней опорой на шпильки 5 туннеля пола и затянуть четыре гайки крепления корпуса. Перед выполнением этой операции проследить за тем, чтобы уплотнитель кожуха размещался в его "ручье", а выступы 14 фиксировали кожух и опору 15. При выполнении операции следить за тем, чтобы упругий элемент опоры не напрягался. Проверить закрепление чехла шарового шарнира на корпусе основания.

Закрепить на чехле 2 (рис. 3-49) рамку (рамка вводится во внутреннюю полость чехла со стороны его основания) и рукоятку 1.

Рис. 3-49. Установка рукоятки и чехла на кожух пола: 1 - рукоятка; 2 - чехол; 3 - кожух

Направляя рамку фиксирующимися выступами в окно кожуха 3, ориентировать чехол со схемой переключения передач в направлении к водителю, надавить руками на основание чехла до защелкивания выступов в окне.

Последующие работы, связанные с установкой Системы выпуска, необходимо производить в порядке, обратном снятию.

Затяжку болтов и гаек следует производить, руководствуясь величинами моментов затягивания, указанными в приложении.

Номинальные размеры, допуски и посадки основных деталей и узлов коробки передач и ее привода, обеспечиваемые при сборке на заводе, даны в табл. 3-5

Таблица 3-5. Номинальные размеры, допуски и посадки основных деталей и узлов коробки передач и ее привода, обеспечиваемые при сборке на заводе

Вал

Отверстие

Посадка, мм

№ и наименование детали

Номинальный размер и допуск, мм

№ и наименование детали

Номинальный размер и допуск, мм

Зазор

Натяг

мин.

макс.

мин.

макс.

2141-1701030
Вал первичный

15-0,016-0,027
(диаметр)

2141-1701031
6-180502KIVC9
Подшипник первичного вала передний

15-0,007
(диаметр)

0,009

0,027

-

-

25-0,013
(диаметр)

2141-1701039
6-254705Е
Подшипник первичного вала средний

25+0,033+0,02
(диаметр)

0,02

0,045

-

-

2141-1701039
6-254705Е
Подшипник первичного вала средний

37-0,009
(диаметр)

2141-2302018
Картер редуктора переднего ведущего моста

37-0,017-0,042
(диаметр)

-

-

0,008

0,042

2141-1701030
Вал первичный

25-0,008-0,022
(диаметр)

2141-1701032
6-126805Е
Подшипник первичного вала задний

25-0,008
(диаметр)

-

0,022

-

-

2141-1701032
6-126805Е
Подшипник первичного вала задний

62-0,011
(диаметр)

2141-1701015
Картер коробки передач

62-0,03
(диаметр)

-

0,011

-

0,03

2141-2302017
Шестерня ведущая переднего моста (вторичный вал коробки передач)

45+0,02+0,003
(диаметр)

2141-2302025
56-322209EIV
Подшипник ведущей шестерни передний

45-0,01
(диаметр)

-

-

0,02

0,04

2141-2302025
56-322209EIV
Подшипник ведущей шестерни передний

85-0,013
(диаметр)

2141-2302018
Картер редуктора переднего ведущего моста

85-0,024-0,059 (диаметр)

-

-

0,011

0,059

2141-2302017
Шестерня ведущая переднего моста

28-0,008-0,022 (диаметр)

2141-2302041
6-866706EI
Подшипник ведущей шестерни задний

28-0,008
(диаметр)

-

0,022

-

-

2141-2302041
6-866706EI
Подшипник ведущей шестерни задний

72-0,011 (диаметр)

2141-1701015 Картер коробки передач

72-0,03
(диаметр)

-

0,011

-

0,03

361985
Штифт установочный

12,13-0,027
(диаметр)

2141-1701015
2141-2302018
Картеры

12+0,043
(диаметр)

-

-

0,06

0,13

2141-1701030
Вал первичный

37-0,009-0,025 (диаметр)

2141-1701131
2141-1701135
Ведущие шестерни 3-й и 4-й передач

42+0,016 (диаметр)

0,009

0,053

-

-

2141-1701061
Подшипник шестерен (ролик)

2,5-0,006
(диаметр)

2141-2302017
Шестерня ведущая переднего моста

37-0,009-0,025
(диаметр)

2141-1701112
2141-1701127
Ведомые шестерни 1-й и 2-й передач

42+0,016
(диаметр)

0,009

0,053

-

-

2141-1701061
Подшипник шестерен (ролик)

2,5-0,006
(диаметр)

-

-

2141-1701112

28,75-0,033

27,1+0,1*

0,01*

0,4**

2141-1701127

24,35-0,033

22,7+0,1*

0,01*

0,4**

2141-1701131

30,85-0,039

29,2+0,1*

0,01*

0,4**

2141-1701135

27,15-0,033

25,5+0,1*

0,01*

0,4**

2141-1701132

21-0,033

19,2+0,1*

0,01*

0,4**

21412-1701132
Шестерни 1-й и 5-й передач

21-0,033

19,2+0,1*
Шестерни 1-й и 5-й передач

0,01*

0,4**

2141-1701134
Втулка шестерни 5-й передачи

32,5-0,011 (диаметр)

2141-1701132
Шестерня ведущая 5-й передачи

32,53+0,016
(диаметр)

0,03

0,057

-

-

2141-1701030
Вал первичный

24-0,013
(диаметр)

3141-1701134
Втулка шестерни 5-й передачи

24+0,013

-

0,026

-

-

2141-2302017
Шестерня ведущая переднего моста

32+0,042+0,026
(диаметр)

2141-1701114
Шестерня ведомая 3-й передачи

32+0,025
(диаметр)

-

-

0,01

0,042

2141-2302017
Шестерня ведущая переднего моста

28,1+0,035+0,022
(диаметр)

2141-1701121
Шестерня ведомая 4-й передачи

28,1+0,021 (диаметр)

-

-

0,01

0,035

367077
Шпонка 6x7 ведомых шестерен 3-й и 4-й передач

6-0,03
(ширина)

2141-2302017
Шестерня ведущая главной передачи

6-0,01-0,055 (ширина паза)

-

0,02

-

0,055

6-0,03
(ширина)

2141-1701114
2141-1701121
Шестерни ведомые 3-й и 4-й передач

6-0,078-0,03
(ширина паза)

0,03

0,108

-

-

2141-2302017
Шестерня ведущая переднего моста

28-0,008-0,022 (диаметр)

2141-1701141
21412-1701141 Шестерня ведомая 5-й передачи

28+0,0065
(диаметр)

-

0,0015

-

0,0285

2141-1701092
Ось промежуточной шестерни заднего хода

26+0,035+0,022
(диаметр)

2141-2302018
Картер редуктора ведущего моста

26+0,021
(диаметр)

-

-

0,01

0,035

22-0,021
(диаметр)

2141-1701080
Шестерня промежуточная заднего хода

22,04+0,033
(диаметр)

0,04

0,094

-

-

2141-1701084
Втулка промежуточной шестерни заднего хода

25,19-0,052
(диаметр)

2141-1701080
Шестерня промежуточная заднего хода

2,5+0,021
(диаметр)

-

-

0,117

0,19

2141-1701150
Синхронизатор 1-й и 4-й передач

22,14***
(макс.)

2141-1701150
Синхронизатор 1-й и 4-й передач

-

1,1****

1,7******

-

-

2141-1701151
Синхронизатор 5-й передачи

38,075*****
(макс.)

2141-1701151
Синхронизатор 5-й передачи

-

0,8******

1,9******

-

-

2141-1701030
Вал первичный

27-0,052
(диаметр)

2141-1701197
Кольцо упорное подшипника и шестерни 4-й передачи

27,05+0,084
(диаметр)

0,05

0,186

-

-

2141-1701030
Вал первичный

24-0,013
(диаметр)

2141-1701120
Кольцо упорное шестерни 5-й передачи

24,05+0,084
(диаметр)

0,05

0,147

-

-

2141-1701153
2141-1701184
Палец блокирующий синхронизатора 1-й - 4-й и 5-й передач

5,5+0,072+0,042
(диаметр)

2141-1701152
2141-1701183
Кольцо синхронизатора 1-й - 4-й и 5-й передач

5,5+0,018
(диаметр)

-

-

0,024

0,072

2141-1701030
Вал первичный

24-0,084
(диаметр)

2141-1701035
Сальник картера сцепления

23,4-0,05 *****
(диаметр)

-

-

-

-

2141-1701035
Сальник

42+0,5+0,2
(диаметр)

2141-1601015
21412-1601015
Картеры сцепления

41,98+0,039
(диаметр)

-

-

0,181

0,52

361907
Штифт управления блокирующим механизмом

5+0,041+0,023
(диаметр)

2141-1702032
Переключатель передач

5+0,012
(диаметр)

-

-

0,011

0,041

2141-1702032
Переключатель передач

14,98-0,043
(диаметр)

2141-1702013
Крышка в сборе

15+0,027
(диаметр)

0,02

0,09

-

-

2141-1702235
Втулка вала переключателя передач

23-0,021
(диаметр)

2141-1702015
Крышка

23-0,041-0,074
(диаметр)

-

-

0,02

0,074

2141-1702060
2141-1702071
2141-1702081
Штоки вилок

14-0,016
(диаметр)

2141-1701015
Картер коробки передач

14+0,077+0,050
(диаметр)

0,05

0,093

-

-

2141-1702076
Замок штоков

7-0,036
(диаметр)
10,5-0,15 ******
(длина)

2141-2302018
Картер редуктора переднего ведущего моста

7+0,036+0,025
(диаметр)

0,025

0,072

-

-

2141-1702080
Толкатель замков штоков

5-0,03
(диаметр)
11,5-0,15 ******
(длина)

2141-1702071
Шток вилки переключения 3-й и 4-й передач

5+0,068+0,02
(диаметр)

0,02

0,098

-

-

2141-1702087
Втулка направляющая фиксаторов штоков

11+0,034+0,023
(диаметр)

2141-1701015
Картер коробки передач

11+0,018
(диаметр)

-

-

0,005

0,034

367639
Шарик-фиксатор штоков

7,938+0,03
(диаметр)

2141-1702087
Втулка направляющая фиксаторов штоков

8,1+0,09
(диаметр)

0,132

0,282

-

-

361923
Штифт-заглушка замков штоков

7,5-0,058
(диаметр)

2141-2302018
Картер редуктора переднего ведущего моста

7,4+0,022
(диаметр)

-

-

0,02

0,1

2141-1702063
Упор включения заднего хода

14,98-0,043
(диаметр)

2141-1702013
Крышка

15+0,027
(диаметр)

0,02

0,09

-

-

2141-1702116
Плунжер отжимного рычага переключателя передач

10,98-0,043
(диаметр)

2141-1702013
Крышка

11+0,027
(диаметр)

0,02

0,09

-

-

2141-1702073
Крышка упора включения заднего хода

25,15-0,052
(диаметр)

2141-1702013
Крышка

25+0,033
(диаметр)

-

-

0,065

0,15

2141-1702182
Крышка плунжера отжимного рычага переключателя передач

20,15-0,052
(диаметр)

2141-1702013
Крышка

20+0,033
(диаметр)

-

-

0,065

0,15

2141-1702060
2141-1702071
2141-1702081
Штоки вилок

14-0,016
(диаметр)

2141-1702024
2141-1702030
2141-1702036
2141-1702095
Вилки переключения передач

14+0,024+0,006
(диаметр)

0,006

0,04

-

-

2141-1701175
Муфта синхронизатора 1-й - 4-й передач

4,6-0,075
(толщина)

2141-1702024
2141-1702030
Вилки переключения 1-й - 4-й передач

4,9+0,12
(ширина паза)

0,3

0,495

-

-

2141-1702036
Вилка переключения 5-й передачи

5,72-0,2
(толщина)

2141-1701176
Муфта синхронизатора 5-й передачи

6+0,12
(ширина паза)

0,25

0,57

-

-

2141-1702095
Вилка переключения заднего хода

7-0,15
(толщина)

2141-1701080
Шестерня промежуточная заднего хода

7+0,3+0,15
(ширина паза)

0,15

0,6

-

-

2141-1702032
Переключатель передач

7,5-0,22
(толщина)

2141-1702060
2141-1702071
Штоки 1-й - 4-й передач
2141-1702036
Вилка 5-й передачи

8+0,09
(ширина паза)

0,5

0,81

-

-

13,98-0,043
(диаметр)

2141-1703292
Наконечник переднего шарнира вала управления

14+0,043+0,016
(диаметр)

0,036

0,106

-

-

2141-1703294
Втулка переднего шарнира вала управления

14,5-0,18
(диаметр)

2141-1703292
Наконечник
2141-1703014
Вал управления

14+0,043
(диаметр)

-

-

0,277

0,5

2141-1703298
Ось переднего шарнира вала управления

11-0,006-0,033
(диаметр)

2141-1703290
Наконечник переднего шарнира вала управления
2141-1703012
Вал управления со втулками

11+0,043
(диаметр)

0,006

0,076

-

-

9,3+0,075
(диаметр)

2141-1703296
Крестовина переднего шарнира вала управления

9+0,09
(диаметр)

-

-

0,135

0,375

11,4*******
(диаметр)

11+0,205+0,095
(диаметр)

-

-

0,195

не ограничен

2141-1703097
Втулка оси рычага переключения передач

17-0,18
(диаметр)

2141-1703022
Вилка вала управления

16,5+0,027
(диаметр)

-

-

0,293

0,5

361927
Штифт-ось рычага управления

13,5-0,018
(диаметр)

2141-1703012
Вал управления со втулками

13,5+0,043
(диаметр)

-

0,061

0,015

0,06

2141-1703082
Рычаг переключения передач

13,5+0,033+0,060 (диаметр)

-

-

-

-

2141-1702312
Ось механизма блокировки

11,45-0,18
(диаметр)

2141-1702308
Рычаг механизма блокировки

11,5+0,18
(диаметр)

0,05

0,41

-

-

2141-1702312
Ось механизма блокировки

8+0,081+0,023
(диаметр)

2141-1702306
Основание механизма блокировки

8+0,058
(диаметр)

-

0,035

-

0,081

2141-1702032
Переключатель передач

-

2141-1702063
Упор включения заднего хода

-

-

0,6********

-

-

* Расстояние от торца шестерни до калибровой плоскости конуса.

** Суммарный осевой зазор.

*** Расстояние между калибровыми плоскостями конусов (для 5-й передачи - от конуса до заднего торца упорного кольца).

**** Суммарный осевой зазор корзины синхронизатора в смонтированном положении.

***** До постановки пружины.

****** Размер для справок.

******* Минимальный размер.

******** Суммарный окружной зазор при упоре переключателя в плунжер 2141-1702116.

Дополнительные требования, предъявляемые к некоторым деталям и узлам коробки передач, изложены в табл. 3-6.

Таблица 3-6. Дополнительные требования, предъявляемые к некоторым деталям и узлам коробки передач

Обозначение и наименование

Дополнительные требования, предъявляемые к деталям и узлам (геометрические отклонения формы, осевые зазоры и т. д., мм)

2141-1701015

0,05 - допуск неплоскостности торцевых (привалочных) плоскостей

Картер коробки передач

0,16/100 - допуск параллельности общих осей отверстий под подшипники первичного и вторичного валов

2141-2302018
Картер главной передачи

0,008/100 - допуск на перекос общих осей отверстий под подшипники первичного и вторичного валов

0,02/100 - допуск параллельности общих осей отверстий под подшипники первичного вала и ось заднего хода

0,01/100 - допуск на перекос общих осей отверстий под подшипники первичного вала и ось заднего хода

0,03/100 - допуск перпендикулярности общих осей отверстий по подшипникам ведущей и ведомой шестерен

2141-1701153
2141-1701183
Кольца синхронизатора

0,1+0,05 - площадка притупления на вершине резьбы

Первичный вал коробки передач

0,15 макс. - осевое перемещение

Вторичный вал коробки передач

0,05 макс. - осевое перемещение

Разборка коробки передач

Перед разборкой следует очистить коробку от грязи и промыть водой, предохранив картеры от попаданий воды.

Разборку коробки необходимо производить в следующем порядке:

- отвернув гайки 2 (см. рис. 3-42), снять кронштейн 3 задней опоры двигателя с крышки 7 и чехол 5 с переключателя 6 передач;

- отвернув болты 8, снять крышку 5 (рис. 3-50) с картера 1 коробки передач. В процессе снятия крышки переключатель 4 передач должен оставаться в зацеплении со штоками;

Рис. 3-50. Снятие крышки картера коробки передач: 1 - картер; 2 - прокладка; 3 - шток вилки переключения 1-й - 2-й передач; 4 - переключатель передач; 5 - крышка; 6 - шток вилки переключения 3-й - 4-й передач; 7 - шток вилок переключения 5-й передачи и заднего хода; 8 - вилка переключения заднего хода

- вывести переключатель передач из зацепления со штоками и снять его и прокладку 2 крышки;

- снять картер сцепления (см. главу "Сцепление");

- удалить из задней втулки 5 (рис. 3-51) крышки 7 уплотнительное резиновое кольцо 11 переключателя 1 передач;

Рис. 3-51. Детали крышки коробки передач: 1 - переключатель передач; 2, 8, 13 - болты; 3 - стопор; 4 - механизм блокировки включения заднего хода; 5 - направляющие втулки переключателя передач; 6 - прокладка; 7 - крышка; 9 - выключатель света заднего хода; 10 - чехол; 11 - уплотнительное резиновое кольцо; 12 - шпилька; 14 - отжимный плунжер рычага; 15 - пружина плунжера; 16 - крышка отжимного плунжера; 17 - крышка упора включения заднего хода; 18 - пружина упора; 19 - плунжер включения 5-й передачи и заднего хода

- отвернуть болты 2 и снять механизм 4 блокировки заднего хода [в случае применения стопорной пластины 4 (рис. 3-52) перед отворачиванием болтов следует отогнуть от их граней "усы" А стопора].

Рис. 3-52. Отгибание "усов" стопора, фиксирующего болты крепления механизма блокировки, включения заднего хода при выключении 5-й передачи: 1 - плунжеры; 2 - втулка; 3 - крышка; 4 - стопор; 5 - механизм блокировки; 6 - болт; А - "усы" стопора

При необходимости удаления из задней крышки пружины или плунжера следует надавить плунжером на крышки (витки пружины при этом не сомкнутся).

При необходимости удаления из механизма блокировки заднего хода пружины или рычага следует срубить с торца оси расклепку.

Дальнейшую разборку коробки передач надо производить на специальном стенде 80-С007 [можно выполнять данную работу на деревянной подставке 6 (рис. 3-53)];

Рис. 3-53. Разборка коробки передач, установленной на деревянной подставке: 1 - синхронизатор 5-й передачи; 2 - вилка включения 5-й передачи; 3 - ключ, надетый на головку фиксатора вилки 5-й передачи; 4 - картер коробки передач; 5 - картер главной передачи; 6 - деревянная подставка под картером главной передачи

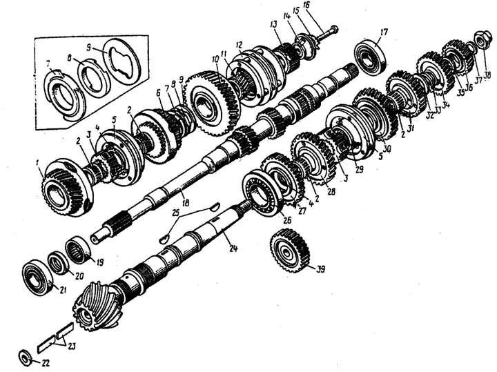
- отвернуть болт 16 (рис. 3-54) крепления первичного вала 18, предварительно отогнув от граней болта "усы" стопора 15, и снять ограничитель 14 хода синхронизатора с первичного вала 18;

Рис. 3-54. Детали валов коробки передач: 1 - ведущая шестерня 3-й передачи; 2 - игольчатые подшипники шестерен; 3 - ступицы 1-й - 2-й и 3-й - 4-й передач; 4 - стопорные кольца ступицы 3-й - 4-й передач и ведомой шестерни заднего хода; 5 - синхронизаторы 1-й - 2-й и 3-й - 4-й передач; 6 - ведущая шестерня 4-й передачи; 7 - упорная шайба шестерни 4-й передачи; 8 - упорное кольцо шестерни 5-й передачи; 9 - шайба; 10 - ведущая шестерня 5-й передачи; 11 - втулка шестерни 5-й передачи; 12 - синхронизатор 5-й передачи; 13 - ступица синхронизатора 5-й передачи; 14 - ограничитель хода синхронизатора; 15 - стопор болта; 16 - болт крепления первичного вала; 17 - задний подшипник первичного вала; 18 - первичный вал; 19 - средний подшипник первичного вала; 20 - сальник первичного вала; 21 - передний подшипник первичного вала; 22 - маслоудерживающая шайба; 23 - маслораспределяющая пластина; 24 - ведущая шестерня главной передачи (вторичный вал); 25 - шпонка шестерни; 26 - передний подшипник ведущей шестерни; 27 - ведомая шестерня заднего хода; 28 - ведомая шестерня 1-й передачи; 29 - стопорное кольцо ступицы 1-й - 2-й передач; 30 - ведомая шестерня 2-й передачи; 31 - ведомая шестерня 3-й передачи; 32 - пружинная шайба; 33 - стопорное кольцо шестерни 3-й передачи; 34 - ведомая шестерня 4-й передачи; 35 - регулировочная шайба осевого положения ведущей шестерни главной передачи; 36 - ведомая шестерня 5-й передачи; 37 - шайба; 38 - гайка крепления ведущей шестерни главной передачи; 39 - промежуточная шестерня заднего хода

- отвернуть фиксатор 9 (рис. 3-55) вилки включения 5-й передачи (эту операцию удобно выполнять при включенном заднем ходе). Снять вилку 2 (см. рис. 3-53) со штока, одновременно с этим сняв синхронизатор 5-й передачи со ступицы;

Рис. 3-55. Детали картеров главной передачи и коробки передач: 1, 19, 36, 43 - болты; 2 - стопор болта; 3 - ось промежуточной шестерни заднего хода; 4 - средний подшипник первичного вала; 5 - стопорный винт среднего подшипника первичного вала; 6 - картер главной передачи; 7 - прокладка; 8 - редуктор привода спидометра; 9 - фиксатор вилок; 10 - вилка включения промежуточной шестерни заднего хода; 11 - замок штоков; 12 - установочный штифт; 13 - картер коробки передач; 14 - задний подшипник первичного вала; 15 - пластина крепления подшипников; 16 - вилка включения 5-й передачи; 17 - винт крепления пластины; 18 - задний подшипник ведущей шестерни главной передачи; 20 - втулка; 21 - шарик-фиксатор; 22 - пружина фиксатора; 23 - прокладка; 24 - крышка; 25 - болт; 26 - шток вилки включения 1-й - 2-й передач; 27 - шток вилки включения 3-й - 4-й передач; 28 - шток вилок включения 5-й передачи и заднего хода; 29 - толкатель замков; 30 - вилка включения 3-й - 4-й передач; 31 - вилка включения 1-й - 2-й передач; 32 - магнит; 33 - пробки; 34, 44 - стопоры; 35 - шайба; 37 - гайка; 38 - уплотнительное кольцо; 39 - шпилька; 40 - прокладка; 41 - гайка; 42 - шпилька; 45 - втулка-фиксатор картеров; 46 - стопорная пластина подшипника; 47 - передний подшипник ведущей шестерни главной передачи

- снять ступицу синхронизатора 5-й передачи с вала специальным съемником 1 (рис. 3-56). При этом должен быть заблокирован вторичный вал;

Рис. 3-56. Снятие ступицы синхронизатора 5-й передачи специальным съемником с блокировкой вторичного вала специальным ключом: 1 - съемник; 2 - ключ 80-П154

- с помощью ключа 2, вводимого выступами в гладкие отверстия ведомой шестерни 5-й передачи, отвернуть съемником 1 гайку крепления вторичного вала и снять с валов обе шестерни. Снимать ведомую шестерню 5-й передачи следует специальным съемником 1 (рис. 3-57), соединяемым с шестерней болтами 2 с резьбой М6;

Рис. 3-57. Снятие ведомой шестерни 5-й передачи специальным съемником: 1 - съемник; 2 - болт, ввернутый в шестерню 5-й передачи; 3 - шестерня

- снять с вторичного вала заднее кольцо подшипника;

- снять с первичного вала 18 (см. рис. 3-54) втулку 11, шайбу 9 и упорное кольцо 8 шестерни 5-й передачи;

- отвернув болты 25 (см. рис. 3-55), снять с картера 13 коробки передач крышку 24 фиксаторов штоков, прокладку 23, пружины 22 и шарики-фиксаторы 21;

- отвернув болты 4 (см. рис. 3-38) крепления картера коробки передач, снять с фланца картера кронштейн 3 крепления приемной трубы;

- разъединить фланцы картеров, для чего ввести в углубления фланцев в зонах возле установочных штифтов 8 (рис. 3-58) две отвертки и приподнять ими, избегая перекосов, картер 1 коробки передач над картером 2 главной передачи;

Рис. 3-58. Снятие и установка картера коробки передач. Детали штоков: 1 - картер коробки передач; 2 - картер главной передачи; 3 - вилка переключения промежуточной шестерни заднего хода; 4 - фиксаторы вилок; 5 - шток вилок переключения 5-й передачи и заднего хода; 6 - вилка переключения 1-й - 2-й передач; 7 - вилка переключения 3-й - 4-й передач; 8 - штифт для центровки картеров; 9 - шток вилки переключения 3-й - 4-й передач; 10 - шток вилки переключения 1-й - 2-й передач

- снять картер 1, при этом проследить, чтобы валы и штоки не перемещались одновременно с картером коробки передач и оставались в картере главной передачи, для чего осаживать их легкими ударами выколотки по торцам. Необходимо следить за тем, чтобы не повреждались подшипники валов на картере;

- отвернув винты 1 (рис. 3-59), удалить пластину 2 крепления подшипников и снять заднее внутреннее кольцо 3 (винты законтрены и для их отворачивания нужно повышенное усилие);

Рис. 3-59. Снятие и установка пластины крепления подшипников: 1 - винт; 2 - пластина; 3 - заднее внутреннее кольцо подшипника первичного вала; 4 - картер; I - IV - последовательность затягивания винтов при сборке

- выпрессовать из картера 1 (рис. 3-60) с помощью оправки 2 наружные кольца задних подшипников 3 и 4 валов, следя за тем, чтобы не повредить сепараторы подшипников;

Рис. 3-60. Выпрессовка наружных колец подшипников валов из картера коробки передач: 1 - картер; 2 - оправка 80-П162; 3 - задний подшипник первичного вала; 4 - задний подшипник ведущей шестерни главной передачи; А - выемки в стенке картера, в которые вводится оправка для выпрессовки кольца

- отвернув фиксаторы 4 (см. рис. 3-58) вилок на штоках 5, 9 и 10, удалить штоки из картера и из вилок 6, 7 и 3 в следующем порядке: 1-й - 2-й передачи, 3-й - 4-й передачи, задний ход. Удалить из синхронизаторов вилки 1-й - 2-й и 3-й - 4-й передач. Удалить из штока 3-й - 4-й передач толкатель замков;

- удерживая картер 7 (рис. 3-61) от осевого перемещения, вынуть из него одновременно (соединенные вместе) первичный 1 и вторичный 2 валы. Следите при этом, чтобы не повреждались подшипники валов в картере;

Рис. 3-61. Извлечение из картера глиной передачи соединенных вместе первичного и вторичного валов: 1 - первичный вал в сборе с шестернями; 2 - ведущая шестерня главной передачи (вторичный вал) в сборе с шестернями; 3 - переднее кольцо подшипника; 4 - упорная шайба 4-й передачи; 5 - переднее кольцо подшипника; 6 - регулировочная шайба; 7 - картер главной передачи; 8 - промежуточная шестерня заднего хода (зубчатым венцом обращена вниз к стенке картера); 9 - ось заднего хода; 10 - вилка включения заднего хода; 11 - деревянная подставка

- вынуть из полости картера главной передачи магнит и очистить его от продуктов износа стальных деталей.

Разборка вторичного вала

Разборку вторичного вала следует начинать со снятия внутреннего кольца подшипника и регулировочной шайбы.

Снимать шестерни 3-й и 4-й передач (рис. 3-62) необходимо специальным съемником 3, соединяемым с шестернями посредством болтов 2.

Рис. 3-62. Снятие и установка стопорного кольца ступицы синхронизатора 1-й - 2-й передач с ведущей шестерни главной передачи (снятие и установка стопорных колец ведомой шестерни 3-й передачи, ступицы синхронизатора 3-й - 4-й передач, ведомой шестерни заднего хода производится аналогично): 1 - шестерня 1-й передачи; 2 - разжимные щипцы 80-П107; 3 - укороченные (и утолщенные) шлицы, за которые осуществляется захват рабочих частей съемника при снятии ступицы с вала; 4 - ступица; 5 - стопорное кольцо; 6 - вторичный вал

Снять стопорное кольцо 5 (рис. 3-63) шестерни 3-й передачи с вала можно специальными щипцами 2, не допуская при этом излишней деформации кольца. Аналогично снимаются стопорные кольца, фиксирующие ступицу синхронизатора и ведомую шестерню заднего хода.

Рис. 3-63. Снятие и установка стопорного кольца ступицы синхронизатора 1-й - 2-й передач с ведущей шестерни главной передачи (снятие и установка стопорных колец ведомой шестерни 3-й передачи, ступицы синхронизатора 3-й - 4-й передач, ведомой шестерни заднего хода производится аналогично): 1 - шестерня 1-й передачи; 2 - разжимные щипцы; 3 - укороченные (и утолщенные) шлицы, за которые осуществляется захват рабочих частей съемника при снятии ступицы с вала; 4 - ступица; 5 - стопорное кольцо; 6 - вторичный вал

Снимать игольчатые подшипники шестерен с вала следует только их осевым перемещением вдоль вала. При этом подшипник шестерни 1-й передачи с раскрытым замком сепаратора игольчатого подшипника 3 (рис. 3-64) передвигают поверх шейки вала увеличенного диаметра, не допуская излишней деформации сепаратора.

Рис. 3-64. Раскрытый замок сепаратора подшипника шестерни при снятии (установке) с вала (снятие подшипника шестерни 3-й передачи с первичного вала производится аналогично): 1 - передний подшипник ведущей шестерни главной передачи; 2 - ведомая шестерня заднего хода; 3 - игольчатый подшипник; 4 - вторичный вал

Снимать ступицу 3 (рис. 3-65) синхронизатора 1-й-2-й передачи с вала 2 следует специальным съемником 1, имеющим на внутренней части захватов 4 выступы, которые при снятии ступицы упираются в укороченные внешние шлицы 3 (см. рис. 3-63) ступицы 4.

Рис. 3-65. Снятие ступицы синхронизатора 1-й - 2-й передач специальным съемником со вторичного вала (снятие ступицы синхронизатора 3-й - 4-й передач с первичного вала производится аналогично): 1 - съемник; 2 - вторичный вал; 3 - ступица; 4 - захваты, на внутренней части которых выполнено три выступа для упора в укороченные внешние птицы; 5 - болты, соединяющие захваты между собой

Спрессовать ведомую шестерню 3 (рис. 3-66) заднего хода с вторичного вала 2 необходимо на прессе, для чего через стакан 1 следует выпрессовать вал 2 из шестерни 3.

Рис. 3-66. Снятие ведомой шестерни заднего хода: 1 - стакан, опирающийся на шлицевый торец вала; 2 - вторичный вал; 3 - шестерня; 4 - опорный стакан

Разборка первичного вала

Разборку первичного вала начинают со снятия внутреннего кольца подшипника и упорной шайбы шестерни 4-й передачи. Щипцы, применяемые для снятия стопорного кольца ступицы 3-й - 4-й передач, и съемник для снятия ступицы с вала принципиально такие же, как для снятия аналогичных деталей со вторичного вала (см. рис. 3-63 и 3-65). Указания по снятию игольчатых подшипников шестерен 3-й и 4-й передач с первичного вала те же, что и для снятия игольчатых подшипников со вторичного вала (см. рис. 3-64).

Проверка технического состояния деталей коробки передач

Предельно допустимые износы, зазоры и геометрические отклонения формы основных сопряженных деталей и узлов коробки передач, а также требования к состоянию их поверхностей приведены в табл. 3-7.

Таблица 3-7. Предельно допустимые износы, зазоры и геометрические отклонения формы основных сопряженных деталей и узлов коробки передач, а также требования к состоянию их поверхностей

Детали и сопряженные пары

Износ на диаметр, мм

Овальность, мм

Диаметральный зазор, мм

Осевой зазор, мм

Место замера и инструмент

Требования к состоянию поверхности*

Подшипники средний и задний первичного вала, передний и задний ведущей шестерни и картера

-

-

0,05

-

Индикатором, закрепленным на картере

Не должно быть глубоких борозд

Подшипник задний первичного вала (вал первичный)

-

-

-

0,4

Внутренние кольца относительно наружного; индикатором

Не должно быть следов задиров

Подшипник задний ведущей шестерни главной передачи (вал ведущей шестерни)

-

-

-

0,2

Внутренние кольца относительно наружного; индикатором

Не должно быть следов задиров

Вал первичный

0,05

-

-

-

Шейки под средний и задний подшипники;

Не должно быть продольных борозд (следов бриннелирования)

0,15

-

-

-

Шестерни 3-й и 4-й передачи, сальник; микрометром

Шестерня ведущая главной передачи

0,05

-

-

-

Шейки под передний и задний подшипники; Шестерни 1-й и 2-й передач; микрометром

Не должно быть следов задиров. Не должно быть следов бриннелирования

Шестерни 1-й, 2-й передач ведомые, 3-й, 4-й, 5-й передач ведущие

0,03

-

0,09

0,7

Пассиметром, индикатором

Не должно быть следов задиров и бриннелирования.
Не должно быть кольцевых следов от резьбы кольца

-

-

-

1,5**

Индикатором

Шестерни 1-й, 2-й передач ведомые, 3-й, 4-й, 5-й передач ведущие - кольцо синхронизатора

0,3***

-

-

1,5**

В резьбе не должно быть вкраплений стальных частиц и иных повреждений

Ось промежуточной шестерни заднего хода

-

0,1

-

-

Микрометром

-

Шестерня промежуточная заднего хода - ось

-

-

0,12

-

Индикатором, закрепленным на картере

-

Шестерня промежуточная заднего хода - вилка

-

-

-

1

Щупом

-

Муфта синхронизатора - вилка

-

-

-

1

Щупом

-

Штоки вилок - отверстия картера

-

-

0,15

-

Индикатором, закрепленным на картере

-

Замки штоков - толкатель

-

-

-

0,5****

Микрометром

-

Штоки - переключатель передач

-

-

-

1,5

Щупом

-

Переключатель передач - втулки крышки

-

-

0,15

-

Индикатором, закрепленным на крышке

Не должно быть глубоких продольных борозд

Переключатель передач - упор включения заднего хода

-

-

-

1*****

Индикатором, закрепленным на крышке

-

Оси переднего шарнира вала управления - втулки

-

0,5

0,5

-

Индикатором

-

Крестовина переднего шарнира вала управления - втулки

-

-

-

1

Индикатором

-

Ось рычага управления (штифт) - втулки

-

0,5

0,5

-

Индикатором

-

Рычаг управления - втулки

-

-

-

1

Индикатором

-

* Более подробные требования к состоянию поверхностей см. "Проверка технического состояния деталей коробки передач".

** Заглубление торца кольца относительно торца шестерни.

*** Ширина площадки притупления резьбы.

**** Осевой износ.

***** Суммарный окружной зазор при упоре переключателя в плунжер 2141-1702116.

Перед осмотром детали коробки передач необходимо очистить от грязи, промыть и обдуть струей сжатого воздуха. Особенно тщательно продуть подшипники, направляя струю воздуха так, чтобы не возникало быстрого вращения колец.

Картеры коробки передач, редуктора главной передачи и крышки. На этих деталях не должно быть трещин, сколов; на поверхностях расточек для подшипников и штоков - чрезмерных износов, глубоких рисок и повреждений. На поверхностях их сопряжений не должно быть забоин, приводящих к потере герметичности стыков и к появлению несоосности валов. Незначительные повреждения торцов привалочных поверхностей устранить притиркой на плите. Если детали сильно повреждены и изношены - заменить их новыми.

Предупреждение. В связи с тем, что картер главной передачи и картер коробки передач для получения соосности и перпендикулярности осей главных отверстий обрабатываются совместно и составляют комплект, разукомплектовывать их не допускается.

Картеры, входящие в комплект, маркируются на днище общей цифровой меткой.

Проверить наличие штифтов в картере главной передачи, используемых для установки по ним картера коробки передач. При необходимости запрессовать их в картер главной передачи таким образом, чтобы они выступали на 5 мм над плоскостью разъема.

Сальники, уплотнительные прокладки и кольцо. Проверить сальники и уплотнительное резиновое кольцо в крышке. Износ рабочих кромок этих деталей допускается по ширине не более 1 мм. Даже при незначительных повреждениях сальники и кольцо необходимо заменить новыми.

Уплотнительные прокладки рекомендуется заменять новыми.

Валы. Проверить состояние зубьев шестерен первичного вала и ведущей шестерни главной передачи и убедиться, что зубья не имеют сколов, забоин и повышенного износа. Проверить состояние шеек под подшипники и сальник. Шлицы под ступицы синхронизаторов и шестерни, а также канавки под стопорные кольца не должны иметь следов задиров и износа. В осевом отверстии ведущей шестерни переднего моста должны находиться и плотно удерживаться маслонаправляющие пластина и шайба. Очистить радиальные отверстия в зоне шеек под шестерни 1-й и 2-й передач и наклонное отверстие в зоне шейки под сальник первичного вала. При наличии повреждений необходимо заменить валы.

Шестерни. На зубчатом венце шестерен не должно быть сколов и питтинга, пятно контакта с сопряженным венцом должно располагаться на всей рабочей поверхности зубьев. При проверке шестерен в специальном картере с окнами или на специальном стенде монтажная величина бокового зазора пар сопряженных зубчатых венцов, измеренного индикатором, должна быть в пределах 0,06-0,1 мм, а при предельном износе - не более 0,2 мм. На шлицевом венце не должно быть сколов, смятий, износов. При наличии повреждений необходимо заменить шестерню. Новая шестерня должна быть проверена по шуму и контакту со спариваемой шестерней.

Примечание. Разукомплектовывать парные шестерни коробки передач не рекомендуется, так как на заводе они подбираются в комплекты по шуму и контакту.

Подшипники. Все подшипники должны быть в хорошем состоянии. На поверхностях их тел качения, на беговых дорожках колец, на сепараторах повреждения не допускаются. Поврежденные подшипники заменить новыми.

Штоки, вилки, переключатель передач. Деформация штоков, вилок, переключателя передач не допускается. Проверить состояние пазов штоков, лапок вилок и выступов переключателя. Штоки и переключатель должны свободно скользить в отверстиях картеров и крышки. Проверить состояние замков, толкателя, пружин и шариков фиксаторов. Детали, имеющие следы заедания или повышенного износа, заменить новыми.

Стопорные кольца и пружинные шайбы. Деформация и износы стопорных колец и пружинных шайб не допускаются. Деформированные и изношенные детали заменить новыми.

Ступицы синхронизаторов. Шлицы ступиц на должны иметь повреждений. Особое внимание следует обратить на утолщенные (и укороченные) шлицы, на торцах которых не должно быть сколов, а на их боковых поверхностях - смятия и износов. Поврежденные и изношенные детали заменить новыми.

Синхронизаторы. Торцы шлицев муфт не должны иметь сколов и смятий, а боковые поверхности - смятий и износов. Муфты должны легко и без заеданий перемещаться по шлицам ступиц. Пальцы и муфты синхронизаторов не должны иметь износов блокирующих фасок. Пружины синхронизаторов не должны быть изношены в зонах контакта с пальцами и с муфтой. У колец синхронизатора следует проконтролировать состояние резьбы и конуса. Комплексной оценкой износа конусов

кольца и шестерни может являться заглубление торца кольца относительно торца шестерни при совмещении их конусов в узле. Поверхности, по которым производится замер индикатором, показаны на рис. 3-84. Предельное значение контролируемого параметра приведено в табл. 3-7. Из резьбы колец необходимо удалить вкрапления стальных частиц. Синхронизаторы, имеющие повреждения и износ, заменить новыми.

Механизм блокировки заднего хода. Ось механизма блокировки должна плотно удерживаться на основании, а рычаг после его поворота в каждое из крайних положений - возвращаться в исходное среднее положение под воздействием пружины. Рычаг в исходном положении, при окружном покачивании его рукой, не должен иметь свободного хода (рис. 3-67).

Рис. 3-67. Контроль свободного хода рычага механизма блокировки заднего хода при выключении 5-й передачи: 1 - основание; 2 - ось; 3 - возвратная пружина; 4 - рычаг

Механизм управления. Проверить состояние всех пластмассовых втулок, вкладышей и сопряженных с ними осей и деталей механизма. Пластмассовые детали не должны иметь трещин. При замене (после запрессовки в корпуса) новые пластмассовые втулки необходимо развернуть, а торцы осей раздать, не допуская их разрыва. Втулки и оси должны плотно удерживаться в своих гнездах. Проверить состояние опоры механизма. Резиновый элемент опоры не должен иметь трещин, разрывов и отслоений от арматуры. Арматура не должна быть деформированной. Резиновые чехлы, втулки и уплотнитель кожуха не должны иметь потертостей и разрывов. Пластмассовый кожух не должен иметь трещин и деформаций. Рычаг, вал управления и тяга основания не должны иметь деформаций. Деформированные вал управления и тягу выправить. Сфера рычага и вкладышей не должна иметь глубоких рисок, разрывов, а также отслаиваться от стебля рычага. Вкладыши должны легко и без заеданий скользить по сфере рычага. Палец тяги основания не должен иметь деформаций и износов. Изношенные, поврежденные и деформированные детали необходимо заменить.