РЕМКОМПЛЕКТ
эксплуатация, техническое обслуживание, ремонт автомобиля ВАЗ 2115, ВАЗ 2115-01, ВАЗ 2115-20, ВАЗ 2114, ВАЗ 2114-20
ВАЗ 2115







Электростеклоподъемники передних дверей

Электростеклоподъемниками для опускания и подъема стекол передних дверей комплектуется часть выпускаемых автомобилей.

В механизме стеклоподъемника вместо зубчатого редуктора, применяемого в механических стеклоподъемниках, имеется только барабан, в отверстие которого вставляется выходной вал моторедуктора.

Моторедуктор состоит из червячного редуктора и электродвигателя постоянного тока с возбуждением от постоянных магнитов. Его конструкция аналогична конструкции моторедуктора очистителя ветрового стекла. Моторедуктор - реверсивный, направление вращения выходного вала зависит от направления тока в обмотке якоря. Для защиты от перегрузок он имеет встроенный термобиметаллический предохранитель.

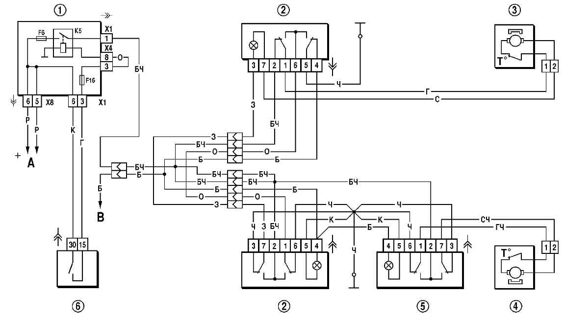
Схема включения электростеклоподъемников приведена на рис. 7-27. Моторедукторы 3 и 4 включаются переключателями 2 и 5, расположенными на ручках подлокотников. Напряжение питания подается к переключателям при включении зажигания через предохранитель F6 и реле электростеклоподъемников К5, расположенные в монтажном блоке 1.

Если электростеклоподъемники не работают, то необходимо снять обивки дверей и проверить, подается ли напряжение к моторедукторам, проверить предохранитель и реле электростеклоподъемников, восстановить нарушенные соединения в проводах, неисправный моторедуктор заменить новым.

Рис. 7-27. Схема включения электростеклоподъемников дверей: 1 - монтажный блок; 2 - переключатель электростеклоподъемника правой передней двери; 3 - моторедуктор электростеклоподъемника правой передней двери; 4 - моторедуктор электростеклоподъемника левой передней двери; 5 - переключатель электростеклоподъемника левой передней двери; 6 - выключатель зажигания; К5 - реле включения электростеклоподъемников; А - к источникам питания; В - к выключателю наружного освещения

Данные для проверки моторедуктора

Частота вращения вала моторедуктора на холостом ходу при напряжении питания 13,5+0,1 В и температуре окружающей среды 25+10°С, мин-1:

56-90

Потребляемая сила тока при указанной выше нагрузке и частоте вращения, А:

1,2-5,0