РЕМКОМПЛЕКТ
эксплуатация, техническое обслуживание, ремонт автомобиля ВАЗ 2115, ВАЗ 2115-01, ВАЗ 2115-20, ВАЗ 2114, ВАЗ 2114-20
ВАЗ 2115







Очиститель ветрового стекла

Особенности устройства

Комплект очистителя ветрового стекла состоит из моторедуктора (электродвигателя с редуктором), рычагов и щеток. Движение щеток - параллельное.

Электродвигатель очистителя - с возбуждением от постоянных магнитов, трехщеточный, с двумя скоростями вращения. Для зашиты электродвигателя от перегрузок при примерзании щеток к стеклу или большом сопротивлении их движению, в очистителе устанавливается термобиметаллический предохранитель.

Рис. 7-23. Схема включения очистителя и омывателя ветрового стекла: 1 - электродвигатель омывателя ветрового стекла; 2 - электродвигатель очистителя ветрового стекла; 3 - монтажный блок; 4 - выключатель зажигания; 5 - реле разгрузки выключателя зажигания; 6 - переключатель очистителя и омывателя ветрового стекла; КЗ - реле очистителя ветрового стекла; А - к источникам питания; В - порядок условной нумерации штекеров в колодке электродвигателя очистителя

Схема включения очистителя показана на рис. 7-23. Очиститель имеет три режима работы.

I режим - прерывистый, осуществляется в положениях II и III рычага переключателя 3. Этот режим обеспечивается электронным реле КЗ типа 525.3747, установленным в монтажном блоке. Это реле также включает моторедуктор очистителя (малую скорость) при включении омывателя ветрового стекла.

II режим - постоянный, с малой скоростью движения щеток, осуществляется в положении IV рычага переключателя 6. При этом напряжение питания подается на щетку электродвигателя, находящуюся в геометрической нейтрали.

III режим - постоянный, с высокой скоростью движения щеток. Имеет место в положении V рычага переключателя 6. При этом напряжение питания подается на щетку, смещенную с геометрической нейтрали.

Для разгрузки контактов выключателя зажигания применяется реле 5.

ВОЗМОЖНЫЕ НЕИСПРАВНОСТИ, ИХ ПРИЧИНЫ И МЕТОДЫ УСТРАНЕНИЯ

Причина неисправности

Метод устранения

Электродвигатель очистителя не работает, биметаллический предохранитель не срабатывает, и не перегорает предохранитель F16 в монтажном блоке

1 . Повреждены провода питания моторедуктора, окислены наконечники проводов в соединительных колодках

1. Проверьте провода, поврежденные замените. Зачистите наконечники

2. Поврежден переключатель очистителя

2. Замените переключатель очистителя в подрулевом переключателе

3. Зависание щеток электродвигателя, сильное загрязнение или подгорание коллектора

3. Проверьте, устраните зависание щеток или замените поврежденные детали; зачистите коллектор

4. Обрыв провода в обмотке якоря электродвигателя

4. Замените якорь или моторедуктор

Электродвигатель очистителя не работает, биметаллический предохранитель срабатывает, или перегорает предохранитель F16 в монтажном блоке

1. Рычаги механизма очистителя деформированы и задевают за детали кузова

1. Проверьте, выправьте рычаги или замените очиститель

2. Щетки примерзли к стеклу

2. Оторвите щетки от стекла, не допуская повреждения резиновой ленты

3. В механизм очистителя попал посторонний предмет

3. Проверьте, извлеките предмет

4. Короткое замыкание в обмотке якоря электродвигателя

4. Замените моторедуктор или якорь электродвигателя

Электродвигатель очистителя не работает в прерывистом режиме

1. Поврежден переключатель очистителя

1. Замените переключатель очистителя в подрулевом переключателе

2. Повреждено реле очистителя

2. Замените реле

Электродвигатель очистителя не останавливается в прерывистом режиме

1. Повреждено реле очистителя

1. Замените реле очистителя

2. Кулачок шестерни моторедуктора не отгибает пружинную пластину концевого выключателя

2. Подогните пластину выключателя, чтобы кулачок отгибал пластину, или подогните контакты концевого выключателя

3. Загрязнение контактов концевого выключателя в моторедукторе

3. Зачистите контакты выключателя

Электродвигатель очистителя работает, щетки не движутся

1. Поломаны зубья шестерни моторедуктора

1. Замените шестерню

2. Слабое крепление кривошипа на оси шестерни моторедуктора

2. Проверьте, затяните гайку крепления кривошипа, установив его в конечном положении

Снятие и установка очистителя ветрового стекла

Ремонт очистителя заключается, в основном, в правке деформированных тяг и рычагов или замене их новыми. Неисправный моторедуктор рекомендуется заменять новым. Из ремонтных работ по моторедуктору допускается только замена шестерни редуктора, зачистка коллектора и регулировка концевого выключателя.

Для снятия очистителя:

- снимите щетки с рычагами, откройте капот и отсоедините провода от аккумуляторной батареи, моторедуктора очистителя и вентилятора отопителя;

- снимите крышку монтажного блока и выньте из него все реле;

- снимите вентилятор отопителя;

- отверните гайки осей (штуцеров) рычагов и снимите шайбы с уравнительными прокладками;

- отверните болт крепления кронштейна привода моторедуктора и снимите очиститель.

Если необходимо, то на верстаке снимите моторедуктор с кронштейна и отсоедините тяги.

Устанавливайте очиститель в последовательности, обратной снятию.

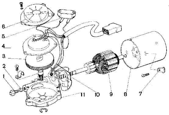
Разборка, сборка и проверка технического состояния моторедуктора очистителя

Рис. 7-24. Детали моторедуктора очистителя ветрового стекла: 1 - упорный винт; 2 - подпятник; 3 - шестерня редуктора; 4 - панель; 5 - термобиметаллический предохранитель; 6 - крышка; 7 - сухарь; 8 - корпус электродвигателя; 9 - якорь; 10 - щеткодержатель; 11 - корпус редуктора

Для разборки моторедуктора отверните винты крепления крышки 6 (рис. 7-24) редуктора и снимите ее вместе с панелью 4 концевого выключателя. Затем отверните винты крепления корпуса 11 редуктора к корпусу 8 электродвигателя и разъедините их. Выньте якорь 9 электродвигателя.

Чтобы снять шестерню 3 редуктора, отверните гайку крепления кривошипа, снимите стопорное кольцо с оси и выньте из корпуса ось с шестерней и шайбами.

После разборки продуйте внутренние полости электродвигателя сжатым воздухом для удаления отложений угольной пыли и проверьте состояние щеток и коллектора.

Щетки должны свободно, без заеданий перемещаться в щеткодержателях, а пружины должны быть целыми и иметь достаточную упругость. Коллектор зачистите мелкозернистой шлифовальной шкуркой, а затем протрите чистой тряпкой, слегка смазанной техническим вазелином. Если коллектор сильно обгорел или изношен, то моторедуктор лучше замените новым.

Проверьте, нет ли следов заедания на шейках вала якоря. При необходимости зачистите их мелкозернистой шлифовальной шкуркой.

При сборке отводите щетки от коллектора, чтобы не поломать их и не повредить их кромок, а якорь в корпус вставляйте с особой осторожностью, избегая ударов якоря о полюса, чтобы не разбить их.

После сборки, для центровки подшипников, постучите деревянным молотком по корпусу моторедуктора, а затем проверьте его на стенде.

При установке кривошипа располагайте его так, чтобы в конечном положении он был параллелен короткой тяге очистителя и был направлен в сторону электродвигателя.

Данные для проверки моторедуктора

Частота вращения вала моторедуктора при напряжении питания 14 В, моменте нагрузки 1,47 Н·м (0,15 кгс·м) и температуре окружающей среды 25+10°С, мин-1:

- первая (малая)

30-40

- вторая (большая)

55-70

Потребляемая сила тока при указанном выше моменте нагрузки, А, не более:

- на первой скорости

3,5

- на второй скорости

5

Реле очистителя ветрового стекла

Схема подсоединений выводов реле показана на рис. 7-23.

Реле должно обеспечивать включение электродвигателя очистителя с частотой 14+4 цикла в минуту в диапазоне работы от холостого хода (нагрузка только тягами) до нагрузки максимальным эффективным моментом 3,92 Н·м (0,4 кгс·м), при частоте вращения вала моторедуктора не менее 20 мин-1, при температуре окружающей среды 20+5°С и напряжении питания 14+0,2 В.

Реле должно обеспечивать переключение режима работы очистителя на малую скорость при включении омывателя ветрового стекла (если очиститель работал на прерывистом режиме или был выключен). После выключения омывателя ветрового стекла очиститель должен сделать 2-4 полных цикла очистки на малой скорости при температуре окружающей среды 20+5°С и напряжении питания 14+0,2 В.