РЕМКОМПЛЕКТ
эксплуатация, техническое обслуживание, ремонт автомобиля ВАЗ 2115, ВАЗ 2115-01, ВАЗ 2115-20, ВАЗ 2114, ВАЗ 2114-20
ВАЗ 2115







Система охлаждения

ОСОБЕННОСТИ УСТРОЙСТВА

Устройство системы охлаждения показано на рис. 2-57.

Рис. 2-57. Система охлаждения: 1 - пробка расширительного бачка; 2 - датчик указателя уровня охлаждающей жидкости; 3 - расширительный бачок; 4 - датчик температуры охлаждающей жидкости; 5 - отводящий патрубок водяной рубашки; 6 - шланг подвода охлаждающей жидкости к дроссельному патрубку; 7 - пароотводящий шланг; 8 - подводящий шланг радиатора; 9 - левый бачок радиатора; 10 - крыльчатка электровентилятора; 11 - трубки радиатора; 12 - правый бачок радиатора; 13 - сливная пробка радиатора; 14 - кожух электровентилятора; 15 - электровентилятор; 16 - ремень привода газораспределительного механизма; 17 - шкив насоса охлаждающей жидкости; 18 - крыльчатка насоса охлаждающей жидкости; 19 - отводящий шланг радиатора; 20 - подводящая труба насоса охлаждающей жидкости; 21 - шланг отвода охлаждающей жидкости от дроссельного патрубка; 22 - отводящий шланг радиатора отопителя; 23 - подводящий шланг радиатора отопителя; 24 - термостат; 25 - заправочный шланг

Система охлаждения жидкостная, закрытого типа, с принудительной циркуляцией жидкости, с расширительным бачком.

Насос охлаждающей жидкости центробежного типа приводится в действие зубчатым ремнем 17 привода механизма газораспределения.

Электровентилятор имеет пластмассовую четырехлопастную крыльчатку 13, установленную на валу электродвигателя 14, включение и выключение которого осуществляется контроллером.

Термостат 26 с твердым термочувствительным наполнителем имеет основной и дополнительный клапаны. Начало открытия основного клапана при температуре охлаждающей жидкости 85+2°С, ход основного клапана при достижении температуры 102°С не менее 8 мм.

Радиатор трубчато-пластинчатый, алюминиевый, с пластмассовыми бачками 6 и 9, двухходовой, с перегородкой в левом бачке. Охлаждающая жидкость заливается через наливную горловину расширительного бачка 2, пробка 1 которого имеет впускной и выпускной клапаны. Давление начала открытия выпускного клапан не менее НО кПа (1,1 кгс/см2), впускного - 3-13 кПа (0,03-0,13 кгс/см2).

ПРОВЕРКА УРОВНЯ И ПЛОТНОСТИ ОХЛАЖДАЮЩЕЙ ЖИДКОСТИ

В полностью заправленной системе охлаждения уровень жидкости в расширительном бачке на холодном двигателе должен быть на 25-30 мм выше метки "MIN", нанесенной на расширительном бачке.

ПРЕДУПРЕЖДЕНИЕ. Уровень охлаждающей жидкости рекомендуется проверять на холодном двигателе, так как при ее нагревании объем увеличивается и у прогретого двигателя уровень жидкости может значительно подняться.

При необходимости проверьте ареометром плотность охлаждающей жидкости, которая должна быть 1,078-1,085 г/см3.

Если уровень в бачке ниже нормы, а плотность жидкости выше указанной, то доливайте дистиллированную воду. Если плотность нормальная, доливайте жидкость той марки, которая находится в системе охлаждения. Если плотность жидкости ниже нормы, доливайте жидкость Тосол-А.

ЗАМЕНА ОХЛАЖДАЮЩЕЙ ЖИДКОСТИ

Замену производите в следующем порядке.

Отверните пробку 1 (см. рис. 2-57) расширительного бачка 2.

Снимите брызговик двигателя, вывернув болты крепления его к кузову.

Поставьте под двигатель емкость для слива жидкости, отверните сливные пробки радиатора и блока цилиндров и слейте жидкость. По окончании слива заверните пробки.

Залейте охлаждающую жидкость через наливную горловину расширительного бачка 2, предварительно отсоединив шланг 3 от дроссельного патрубка. При появлении жидкости в дроссельном патрубке поставьте шланг на место, долейте жидкость до уровня верхней кромки крепежного ремня и заверните пробку.

Запустите двигатель и дайте ему поработать 1-2 мин. на холостом ходу для удаления воздушных пробок.

Остановите двигатель, проверьте уровень жидкости. Если уровень ниже нормального, а в системе нет следов подтекания, то долейте охлаждающую жидкость.

НАСОС ОХЛАЖДАЮЩЕЙ ЖИДКОСТИ

Разборка. Для разборки насоса сделайте следующее:

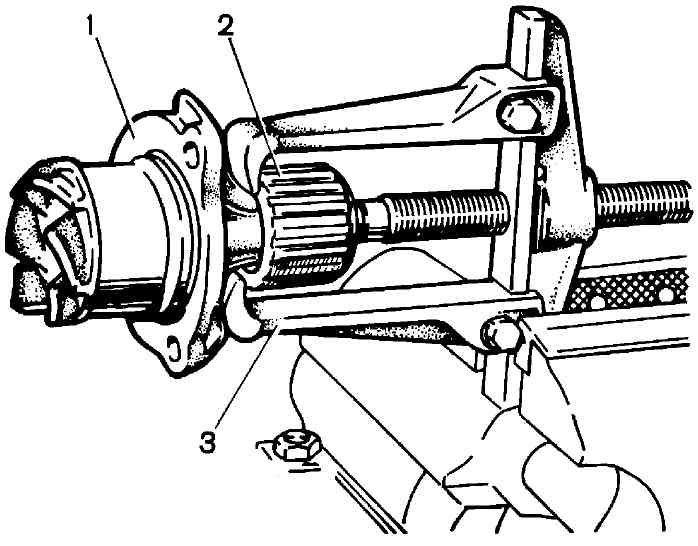
- спрессуйте съемником 3 (рис. 2-58), закрепленным в тисках, шкив 2;

- выверните стопорный винт и выпрессуйте оправкой 67.7853.9569 валик в сборе с подшипником, крыльчаткой и сальником. Усилие прикладывайте к обойме подшипника;

- спрессуйте с валика крыльчатку и снимите сальник.

Рис. 2-58. Снятие зубчатого шкива привода насоса: 1 - корпус насоса; 2 - зубчатый шкив; 3 - съемник

Контроль. Проверьте осевой зазор в подшипнике. Эту операцию надо делать обязательно, если отмечался значительный шум насоса. Зазор не должен превышать 0,13 мм при нагрузке 49 H (5 кгс). При большем зазоре подшипник с валиком замените новыми.

Сальник насоса и прокладку между насосом и блоком цилиндров при ремонте рекомендуется заменять новыми.

Трещины и деформации корпуса не допускаются.

Рис. 2-59. Насос охлаждающей жидкости с контрольными размерами для сборки: 1 - стопорный винт подшипника; 2 - корпус насоса; 3 - блок цилиндров; 4 - крыльчатка; 5 - валик подшипника; 6 - упорное уплотнительное кольцо сальника; 7 - резиновая манжета сальника; 8 - подшипник; 9 - зубчатый шкив

Сборка. Сборку выполняйте в следующем порядке:

- с помощью оправки 67.7853.9568 установите в корпус сальник, не допуская его перекоса;

- запрессуйте, прилагая усилие к обойме подшипника, подшипник с валиком так, чтобы совпали отверстия под стопорный винт 1 (рис. 2-59);

- заверните стопорный винт подшипника и зачеканьте контуры его гнезда для предотвращения самоотвертывания;

- с помощью приспособления 67.7820.9527 напрессуйте крыльчатку, а затем новый зубчатый шкив 9, выдержав размеры 52+0,5 мм и 39,8+0,1 мм, показанные на рис. 2-59;

ПРЕДУПРЕЖДЕНИЕ. Повторное использование зубчатого шкива не допускается.

- проверьте надежность соединения шкива на валике, приложив к шкиву момент 24,5 Н·м (2,5 кгс·м). Шкив не должен провернуться.

ТЕРМОСТАТ

У термостата следует проверять температуру начала открытия основного клапана и ход клапана. Термостат установите на стенде и опустите в бак с техническим глицерином. В основной клапан 4 (рис. 2-60) уприте рычажок кронштейна, связанный с ножкой индикатора.

Рис. 2-60. Термостат: 1 - перепускной клапан; 2 - выходной патрубок (к насосу); 3 - пружина основного клапана; 4 - основной клапан; 5 - держатель поршня; 6 - поршень; 7 - входной патрубок (от радиатора); 8 - резиновая вставка; 9 - твердый термочувствительный наполнитель; 10 - пружина перепускного клапана; 11 - входной патрубок (от двигателя)

Начальная температура жидкости в баке должна быть 78-80°С. Температуру жидкости постепенно увеличивайте примерно на 1°С в минуту при постоянном перемешивании, чтобы она во всем объеме глицерина была одинаковой.

За температуру начала открытия клапана принимается та, при которой ход основного клапана составит 0,1 мм.

Термостат необходимо заменять, если температура начала открытия основного клапана не соответствует 85+2°С, или в случае, если при достижении температуры 102°С не происходит касания клапана 1 седла патрубка 11. Простейшая проверка исправности термостата может быть осуществлена на ощупь непосредственно на автомобиле. После запуска холодного двигателя при исправном термостате нижний патрубок радиатора должен нагреваться, когда температура охлаждающей жидкости достигнет 85-92°С.

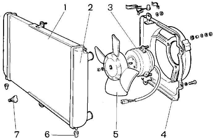
РАДИАТОР И РАСШИРИТЕЛЬНЫЙ БАЧОК

Снятие и установка их на автомобиль выполняется на холодном двигателе в следующем порядке (см. рис. 2-61).

Рис. 2-61. Детали радиатора и электровентилятора: 1 - радиатор; 2 - бачок радиатора; 3 - электродвигатель; 4 - кожух; 5 - крыльчатка; 6 - резиновая подушка; 7 - сливная пробка

Отверните пробку расширительного бачка. Отвернув сливные пробки радиатора и блока цилиндров, слейте охлаждающую жидкость.

Отсоедините электрические провода от электровентилятора. Отсоедините шланги от радиатора 1 и расширительного бачка.

Отверните гайки и болты крепления кожуха 4 и, придерживая радиатор, выньте кожух в сборе с электровентилятором. Выньте радиатор из моторного отсека.

При необходимости отверните гайки крепления, снимите вентилятор и электродвигатель вентилятора.

Снимите ремень крепления и выньте расширительный бачок.

Установку радиатора и расширительного бачка выполняйте в обратном порядке.

Проверка герметичности радиатора. Герметичность радиатора проверяется в ванне с водой. Заглушив патрубки радиатора, подведите к нему воздух под давлением 0,2 МПа (2 кгс/см2) и опустите в ванну с водой не менее чем на 30 с. При этом не должно наблюдаться появления из радиатора пузырьков воздуха.

При повреждениях или негерметичности замените радиатор новым.