РЕМКОМПЛЕКТ
эксплуатация, техническое обслуживание, ремонт автомобиля Москвич 2141, 2335
Москвич 2141, 2335







Система зажигания двигателя ВАЗ модели 2106

Система зажигания батарейная, с номинальным напряжением в первичной цепи 12В, состоит из катушки зажигания, распределителя, свечей зажигания, свечных наконечников, выключателя (замка) зажигания и проводов цепи низкого и высокого напряжения. Надежность и экономичность работы двигателя в значительной степени зависит от состояния приборов системы зажигания. При проверке системы зажигания на автомобиле обратить внимание на состояние контактных соединений в цепи низкого и высокого напряжения, а также на состояние поверхности пластмассовых деталей крышек распределителя зажигания и катушки, корпусов свечных наконечников. Загрязнение указанных поверхностей может привести к утечке тока цепи высокого напряжения и вызвать перебои в работе двигателя.

Для снижения уровней радиопомех, создаваемых системой зажигания при работе, на двигатель установлены высоковольтные провода с равнораспределением по длине.

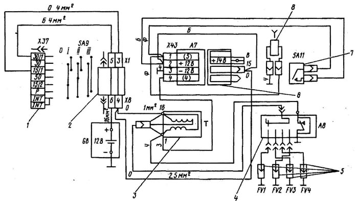
Электрическая схема контактной системы зажигания показана на рис. 7-18.

Рис. 7-18. Схема контактной системы зажигания двигателя ВАЗ-2106-70: 1 - замок зажигания; 2 - монтажный блок; 3 - катушка зажигания; 4 - датчик-распределитель; 5 - свечи; 6 - блок управления экономайзером; 7 - микропереключатель карбюратора; 8 - электромагнитный клапан

Возможные неисправности системы зажигания, их причины и методы устранения приведены в табл. 7-10.

Таблица 7-10. Возможные неисправности системы зажигания двигателей ВАЗ-2106, их причины и методы устранения

Причина неисправности

Методы устранения

Двигатель не запускается

1. Ток не проходит через контакты прерывателя:

- загрязнены, окислены или пригорели контакты прерывателя; образовался бугорок и кратер на контактах (эрозия); чрезмерно большой зазор между контактами или ослабление прижимной пружины;

- зачистить контакты и отрегулировать зазор между ними; при ослаблении прижимной пружины заменить контактную группу;

- ослаблено крепление или окислены наконечники проводов в цепи низкого напряжения, обрыв в проводах или замыкание их с "массой";

- проверить провода и соединения, заменить поврежденные провода;

- неисправен выключатель зажигания: не замыкаются контакты "15/1" и "30/1";

- проверить и при необходимости заменить выключатель или его контактную часть;

- пробит конденсатор (короткое замыкание);

- заменить конденсатор;

- обрыв в первичной обмотке катушки зажигания.

- заменить катушку зажигания.

2. Не размыкаются контакты прерывателя:

- нарушена регулировка зазора между контактами прерывателя;

- отрегулировать зазор между контактами;

- сильно изношена текстолитовая подушечка или втулка рычажка прерывателя.

- заменить контактную группу.

3. Не подается высокое напряжение к свечам зажигания:

- неплотно посажены в гнездах, оторвались или окислены наконечники проводов высокого напряжения, провода сильно загрязнены или повреждена их изоляция;

- проверить и восстановить соединения, очистить или заменить провода;

- износ или повреждение контактного уголька, зависание его в крышке распределителя зажигания;

- проверить, при необходимости заменить крышку;

- утечка тока через трещины или прогары в крышке распределителя зажигания, через нагар или влагу на внутренней поверхности крышки;

- проверить, очистить крышку от влаги и нагара, заменить крышку, если на ней имеются трещины;

- утечка тока через трещины или прогары в роторе распределителя зажигания;

- проверить, при необходимости заменить ротор;

- сгорел резистор в роторе распределителя зажигания;

- заменить резистор;

- обрыв или замыкания на "массу" вторичной обмотки катушки зажигания.

- заменить катушку зажигания.

4. Нарушен порядок присоединения проводов высокого напряжения к контактам крышки распределителя зажигания.

4. Проверить, присоединить провода в порядке работы цилиндров 1-3-4-2.

5. Зазор между электродами свечей не соответствует норме или замаслились свечи зажигания.

5. Очистить свечи и отрегулировать, зазор между их электродами.

6. Повреждены свечи зажигания (трещины на изоляторе).

6. Заменить свечи новыми.

7. Неправильная установка момента зажигания.

7. Проверить и отрегулировать установку момента зажигания.

Двигатель работает неустойчиво или глохнет на холостом ходу

1. Слишком раннее зажигание в цилиндрах двигателя.

1. Проверить и отрегулировать установку момента зажигания.

2. Большой зазор между электродами свечи зажигания.

2. Проверить и отрегулировать зазор между электродами свечи.

3. Малый зазор между контактами прерывателя.

3. Проверить и отрегулировать зазор между контактами.

4. Сгорел резистор в роторе распределителя зажигания*.

4. Заменить резистор.

Двигатель неравномерно и неустойчиво работает при большой частоте вращения коленчатого вала

1. Ослаблена пружина подвижного контакта прерывателя.

1. Заменить контактную группу.

2. Большой зазор между контактами прерывателя.

2. Проверить и отрегулировать зазор между контактами.

3. Ослабли пружины грузиков регулятора опережения зажигания.

3. Заменить пружины, проверить работу центробежного регулятора на стенде.

Перебои в работе двигателя при любой частоте вращения

1. Повреждены провода в системе зажигания, ослаблено крепление проводов или окислены их наконечники.

1. Проверить провода и соединения. Поврежденные провода заменить.

2. Загрязнены, окислены, пригорели или смещены контакты прерывателя.

2. Зачистить контакты и отрегулировать зазор между ними.

3. Снижение емкости конденсатора или обрыв в нем.

3. Проверить конденсатор и при необходимости заменить.

4. Износ или повреждение контактного уголька в крышке распределителя зажигания, ослабление пружины уголька.

4. Заменить крышку распределителя зажигания.

5. Сильное подгорание центрального контакта ротора распределителя зажигания.

5. Зачистить центральный контакт.

6. Трещины, загрязнения или прогары в роторе или крышке распределителя зажигания.

6. Проверить, заменить ротор или крышку.

7. Чрезмерно большое биение валика распределителя зажигания, повышенный износ втулки валика.

7. Заменить распределитель зажигания.

8. Износ электродов или замасливание свечи зажигания; трещины на изоляторе свечи.

8. Проверить свечи, очистить от нагара, отрегулировать зазор между электродами, поврежденную свечу заменить.

Двигатель не развивает полной мощности и не обладает достаточной приемистостью

1. Неправильная установка момента зажигания.

1. Проверить и отрегулировать установку момента зажигания.

2. Заедание грузиков регулятора опережения зажигания, ослабли пружины грузиков.

2. Проверить и заменить поврежденные детали.

3. Большой износ втулки подвижного контакта прерывателя.

3. Проверить и заменить контактную группу.

* Только для двигателя модели 2106

Установка момента зажигания

Для проверки установки момента зажигания имеются три метки 2, 3, 4 (см. рис. 2-20) на крышке привода механизма газораспределения и метка 1 на шкиве коленчатого вала. Совмещение меток 1 и 4 соответствует ВМТ поршня в первом и четвертом цилиндре.

Проверить и установить момент зажигания можно с помощью стробоскопа в следующем порядке:

- соединить зажим "плюс" стробоскопа с клеммой "плюс Б" катушки зажигания, а затем "массы" - с неокрашенной частью кузова проверяемого автомобиля;

- вставить между проводом свечи первого цилиндра и свечой переходник для подключения стробоскопической лампы и обозначить мелом для большей видимости метку на шкиве коленчатого вала;

- пустить двигатель, направляя мигающий поток света стробоскопа на метку на шкиве; если момент зажигания установлен правильно, при холостом ходе двигателя видимая на шкиве метка 1 должна находиться против метки 3. Если момент зажигания установлен неправильно, следует остановить двигатель, ослабить гайку крепления распределителя и повернуть его на необходимый угол. Для увеличения угла опережения зажигания корпус распределителя следует повернуть против часовой стрелки, а для уменьшения - по часовой стрелке. Затем снова проверить установку момента зажигания.

Если имеется диагностический стенд с осциллографом, то с его помощью тоже можно легко проверить установку момента зажигания, руководствуясь инструкцией на стенд. После проверки на стенде снятый с двигателя распределитель зажигания необходимо установить на место следующим образом:

- снять крышку с распределителя, проверить и при необходимости отрегулировать зазор между контактами прерывателя;

- провернуть коленчатый вал до начала такта сжатия в первом цилиндре, а затем, продолжая проворачивать коленчатый вал, совместить метку 1 с меткой 3;

- провернуть ротор в такое положение, при котором его наружный контакт будет направлен в сторону контакта первого цилиндра на крышке распределителя;

- удерживая вал распределителя от проворачивания, вставить его в гнездо на блоке цилиндров так, чтобы произошло сцепление валика с приводной шестерней;

- закрепить распределитель на блоке цилиндров, установить крышку, присоединить провода, проверить и отрегулировать установку момента зажигания.

Проверка и регулировка зазора между контактами прерывателя в распределителе зажигания

Проверить зазор между контактами прерывателя необходимо в следующем порядке:

- поставив рычаг переключателя передач в нейтральное положение, затормозить автомобиль рукояткой механизма ручного привода стояночной тормозной системы;

- вращая коленчатый вал, установить кулачок прерывателя в такое положение, при котором контакты прерывателя будут максимально разомкнуты;

- проверить щупом величину зазора; если она выходит за пределы 0,35-0,45 мм, то ослабив винты 4 (рис. 7-19), вставить лезвие отвертки в паз 3 и повернуть стойку прерывателя на нужную величину.

После регулирования затянуть винты 4 до упора.

Рис. 7-19. Распределитель зажигания 30.3706: 1 - корпус распределителя зажигания; 2 - конденсатор; 3 - паз; 4 - винт крепления контактной группы; 5 - подвижная пластина прерывателя; 6 - контактная группа; 7 - кулачок прерывателя; 8 - грузик; 9 - пластина центробежного регулятора; 10 - наружный контакт ротора; 11 - резистор; 12 - уголёк центрального электрода; 13 - центральный электрод с клеммой; 14 - крышка; 15 - боковой электрод с клеммой; 16 - ротор распределителя зажигания; 17 - опорная пластина центробежного регулятора; 18 - тяга вакуумного регулятора; 19 - крышка вакуумного регулятора; 20 - мембрана; 21 - корпус вакуумного регулятора; 22 - фильц; 23 - маслоотражательная муфта; 24 - валик