![]() |
![]() |
![]() |
|||
| РЕМКОМПЛЕКТ эксплуатация, техническое обслуживание, ремонт автомобиля Москвич 2141, 2335 |
|||||
|
|
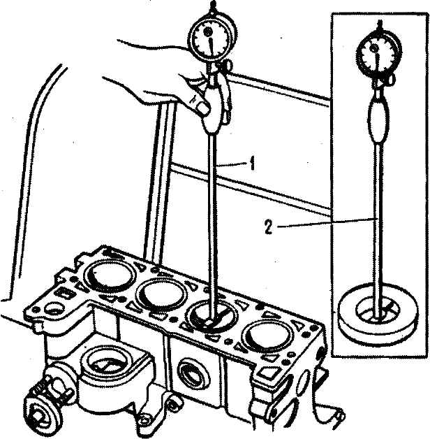
Блок цилиндровДля подготовки блока цилиндров к ремонту и оценки его технического состояния необходимо произвести общую очистку и осмотр блока цилиндров. Вымыть блок цилиндров, погрузив его в ванну с моющим раствором. Затем промыть его струей того же раствора под давлением, чтобы очистить масляные каналы. Тщательно продуть и просушить сжатым воздухом весь блок цилиндров, особенно систему масляных каналов. Осмотреть блок цилиндров. Если в опорах или других местах блока цилиндров имеются трещины, то блок цилиндров следует заменить. Основные размеры блока цилиндров приведены в табл. 2-3. Если имеется подозрение на попадание охлаждающей жидкости в картер двигателя, то надо проверить герметичность блока цилиндров на специальном стенде. Для этого необходимо заглушить все отверстия охлаждающей рубашки блока цилиндров и нагнетать в нее воду комнатной температуры под давлением 300 кПа (3 кгс/см2), при этом в течение двух минут не должно наблюдаться утечки воды из блока цилиндров. При обнаружении негерметичности блок цилиндров следует заменить. Проверить, не превышает ли зазор между цилиндром и поршнем 0,15 мм. Зазор определяется промером цилиндров и поршней. Диаметр цилиндра (рис. 2-21) измеряется в трех поясах как в продольном, так и в поперечном направлении двигателя (рис. 2-22). Диаметр поршня измеряется в плоскости, перпендикулярной поршневому пальцу, на расстоянии 52,4 мм от днища поршня. Примечание. Цилиндры блока по диаметру разбиты через 0,01 мм на пять классов: А, В, С, D, Е. Класс цилиндра помечен на нижней плоскости блока (рис. 2-23). На этой же плоскости, а также на крышках коренных подшипников клеймится условный номер блока цилиндров, который указывает на принадлежность крышек подшипников к данному блоку.
Рис. 2-21. Измерение цилиндров двигателя ВАЗ нутромером: 1 - нутромер; 2 - установка нутромера на ноль по калибру А.96137
Рис. 2-22. Схема измерения цилиндров двигателя ВАЗ: 1, 2 и 3 - номера поясов; А и В - направления измерений
Рис. 2-23. Маркировка размерной группы цилиндров на блоке (белые стрелки) и условного номера блока цилиндров (черная метка) двигателя ВАЗ Если максимальная величина зазора больше 0,15 мм, надо расточить и отхонинговать цилиндры под ремонтный диаметр поршней (увеличенный на 0,2; 0,4; 0,6 мм) с учетом монтажного зазора 0,05-0,07 мм между поршнем и цилиндром. Проверить состояние плоскости разъема блока цилиндров с головкой цилиндров. На плоскости разъема блока цилиндров с головкой могут быть деформации. Поэтому необходимо проверить плоскость разъема с помощью линейки и набора щупов. Линейка устанавливается по диагоналям плоскости и в середине в продольном и поперечном направлении. Если неплоскостность превышает 0,1 мм, блок цилиндров следует заменить. |
||||