РЕМКОМПЛЕКТ
эксплуатация, техническое обслуживание, ремонт автомобиля Москвич 2141, 2335
Москвич 2141, 2335







Контрольные проверки генератора

Проверка обмотки возбуждения ротора. Если обмотка не имеет короткозамкнутых витков, то ее сопротивление должно быть 3,7+0,2 Ом при температуре 20°C. При измерении необходимо следить за надежностью контакта между кольцами ротора и присоединенными к ним проводниками.

Проверка статора. Статор проверяется отдельно после разборки генератора. Выводы его обмотки должны быть отсоединены от вентилей выпрямительного блока.

В первую очередь следует проверить омметром или с помощью контрольной лампы и аккумуляторной батареи, нет ли обрывов в обмотке статора и не замыкаются ли ее витки на "массу".

Изоляция проводов обмотки должна быть без следов перегрева, который происходит при коротком замыкании в вентилях выпрямителя. Статор с такой поврежденной обмоткой заменить.

Проверить специальным дефектоскопом, нет ли в обмотке статора короткозамкнутых витков.

Проверка вентилей выпрямительного блока. Исправный вентиль пропускает ток только в одном направлении. Неисправный - может вообще не пропускать ток (обрыв цепи) или пропускать ток в обоих направлениях (короткое замыкание).

В случае повреждения одного из вентилей выпрямительного блока необходимо заменить целиком выпрямительный блок. Короткое замыкание вентилей можно проверить, не снимая генератор с автомобиля, предварительно отсоединив провода от аккумуляторной батареи и генератора. Проверить можно омметром или с помощью лампы (25-40 Вт) и аккумуляторной батареи, как показано на рис. 7-11;

Примечание. С целью упрощения крепления деталей выпрямительного блока три вентиля имеют на корпусе "плюс" выпрямленного напряжения. Эти вентили "положительные", и они запрессованы в одну пластину выпрямительного блока. Другие три вентиля "отрицательные", имеют на корпусе "минус" выпрямленного напряжения и запрессованы в другую пластину выпрямительного блока.

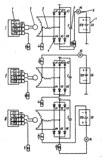
Сначала следует проверить, нет ли замыкания одновременно в "положительных" и "отрицательных" вентилях. Для этого "плюс" батареи через лампу подсоединить к зажимам "30" для Г-222 и "+" для 58.3701, а "минус" - к корпусу генераторов (см. рис. 7-11, I). Если лампа горит, то "отрицательные" и "положительные" вентили имеют короткое замыкание.

Рис. 7-11. Схема проверки вентиля выпрямительного блока: 1 - регулятор напряжения; 2 - ротор генератора; 3 - обмотка статора; 4 - вентили выпрямительного блока; 5 - конденсатор для защиты от перегрузок и радиопомех; 6 - контрольная лампа; 7 - аккумуляторная батарея; "15" и "30" - обозначение зажимов генератора; I - проверка одновременно "положительных" и "отрицательных" вентилей; II - проверка "отрицательных" вентилей; III - проверка "положительных" вентилей

Короткое замыкание "отрицательных" вентилей можно проверить соединив "плюс" батареи через лампу со штекером нулевого провода обмотки статора, а "минус" - с корпусом генератора (см. рис. 7-11, II).

Горение лампы означает короткое замыкание в одном или нескольких "отрицательных" вентилях.

Следует помнить, что в этом случае горение лампы может быть следствием замыкания витков обмотки статора на корпус генератора. Однако такая неисправность встречается реже, чем короткое замыкание вентилей. Для проверки короткого замыкания в "положительных" вентилях "плюс" батареи через лампу соединить с зажимами "30" для генератора Г-222 или "+" для 58.3701, а "минус" - со штекером вывода нулевой точки обмотки статора (см. рис. 7-11, III). Горение лампы укажет на короткое замыкание одного или нескольких "положительных" вентилей.

Обрыв в вентилях без разборки генератора можно обнаружить только косвенно при проверке генератора на стенде, по значительному снижению (на 20-30%) величины отдаваемого тока по сравнению с номинальным. Если обмотки генератора исправны, а в вентилях нет короткого замыкания, то причиной уменьшения отдаваемого тока является обрыв в вентилях.

Проверка регулятора напряжения. В генератор Г-222 встроен малогабаритный интегральный регулятор напряжения типа Я-112В (в генераторе 58.3701 - Я-112А). Он представляет собой неразборный нерегулируемый узел и расположен на крышке со стороны контактных колец генератора.

Работа регулятора заключается в непрерывном и автоматическом изменении силы тока возбуждения генератора таким образом, чтобы напряжение генератора поддерживалось в заданных пределах при изменении частоты вращения и тока нагрузки генератора.

Проверка регулятора на автомобиле. Для проверки необходимо иметь вольтметр постоянного тока со шкалой до 15-30 В, класса точности не ниже 1,0.

После 15 мин. работы двигателя на средней частоте вращения при включенных фарах и включенной аккумуляторной батарее замерить напряжение между клеммами "15" для Г-222 или "Ш" для 58.3701 и "массой" генератора. Напряжение должно находиться в пределах 13,5-14,6 В при температуре окружающего воздуха и генератора 25+10°C.

При температурах более высоких или более низких напряжение может быть соответственно несколько ниже или выше (на 0,2-0,3 В).

В этом случае, если наблюдается систематический недозаряд или перезаряд аккумуляторной батареи и регулируемое напряжение не укладывается в указанные пределы, регулятор напряжения необходимо заменить.

Проверка снятого регулятора. Регулятор, снятый с генератора, проверяется по схеме, приведенной на рис. 7-12.

Рис. 7-12. Проверка регулятора напряжения: 1 - аккумуляторная батарея; 2 - регулятор напряжения; 3 - контрольная лампа

Между выводами "Ш" и "В" регулятора включить лампу мощностью 1-3 Вт, 12 В. К выводам "Б", "В" и к "массе" присоединить батарею сначала напряжением 12 В, а затем напряжением 15-16 В.

Если регулятор исправен, то в первом случае лампа должна гореть, а во втором - гаснуть.

Если лампа не горит в обоих случаях, то в регуляторе имеется внутренний обрыв, а если горит в обоих случаях, следовательно, в регуляторе пробой.

Регулятор напряжения ремонту не подлежит.