![]() |
![]() |
![]() |
|||
| РЕМКОМПЛЕКТ эксплуатация, техническое обслуживание, ремонт автомобиля Москвич 2141, 2335 |
|||||
|
Охра цвет, имя которому стендовый моделизм. |
Контрольные проверки стартера на стендеЧтобы убедиться в эффективности работы стартера, необходимо проверить на стенде его электрические и механические данные. Электрическая схема соединений для проверки стартера на стенде показана на рис. 7-16. Присоединительные провода к источнику тока, амперметру и контактному болту тягового реле стартера должны иметь сечение не менее 16 мм2.
Рис. 7-16. Схема соединений для проверки стартера на стенде: 1 - вольтметр с пределом шкалы не менее 15 В; 2 - стартер; 3 - реостат на 800 А; 4 - амперметр с шунтом на 1000 А; 5 - выключатель; 6 - аккумуляторная батарея Стартер должен питаться от полностью заряженной аккумуляторной батареи или от специального источника тока, характеристика падения напряжения которого при нагрузке соответствует характеристике падения напряжения аккумуляторной батареи 6СТ-55. Температура при проверках должна быть 25+5°C, а щетки стартера должны быть хорошо притерты к коллектору. Испытания в режиме полного торможения. Затормозить зубчатый венец стенда, включить стартер и замерить ток, напряжение и тормозной момент, которые должны быть соответственно не более 500 А для 35.3708 или 425.3708 или 600 А для 4216.3708, не более 6,5 В и не менее 14 Н·м (1,4 кгс·м). Длительность включения стартера должна быть не более 5 с. Если тормозной момент ниже, а сила тока выше указанных величин, то причиной этого может быть межвитковое замыкание в обмотках статора и якоря или замыкание обмоток на "массу". Если тормозной момент и потребляемая сила тока ниже указанных величин, то причиной может быть окисление и загрязнение коллектора, сильный износ щеток или снижение упругости их пружин, зависание щеток в щеткодержателях, ослабление крепления выводов обмотки статора, окисление или подгорание контактных болтов тягового реле. При полном торможении шестерни якорь стартера не должен проворачиваться; если это происходит, то неисправна муфта свободного хода. Для устранения неисправностей разобрать стартер и заменить или отремонтировать поврежденные детали. Испытания на режиме холостого хода. Вывести зубчатый венец стенда из зацепления с шестерней стартера. Включить стартер и замерить потребляемый ток и частоту вращения якоря стартера, которые должны быть соответственно не более 35 А и (5000+500) мин-1 при напряжении на клеммах стартера 11-11,5 В. Если сила тока и частота вращения вала якоря отличаются от указанных значений, то причины могут быть те же, что и при предыдущем испытании. Проверка тягового реле стартера. В цепь питания обмотки тягового реле стартера ввести амперметр, установить между ограничительным кольцом 21 (см. рис. 7-14) и шестерней прокладку толщиной 12,8 мм для 35.3708, 425.3708 или 14,5 мм для 4216.3708 и включить реле. Сила тока питания обмотки не должна превышать 23 А. Если она больше, то это указывает на неисправность обмотки реле или привода стартера. Проверка механических данных (только для стартера СТ-221) Проверить динамометром усилие, с которым пружины давят на щетки. Это усилие для новых щеток должно составлять 10+1Н (1+1Н 0,1 кгс). Если щетки изношены по высоте до 12 мм, то заменить их, предварительно притерев к коллектору. Осевой свободный ход вала якоря должен быть 0,07-0,7 мм. Если он не находится в этом пределе, то разобрать стартер и подобрать толщину и количество регулировочных шайб 20 (рис. 7-17).
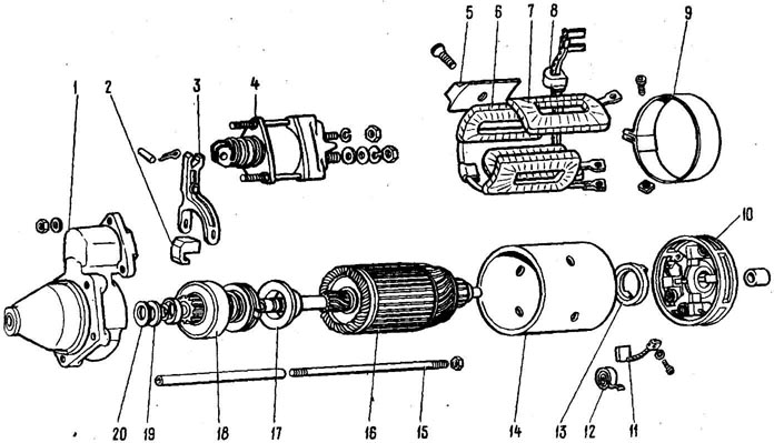
Рис. 7-17. Детали стартера: 1 - крышка стартера со стороны привода; 2 - резиновая заглушка; 3 - рычаг привода; 4 - тяговое реле; 5 - сердечная обмотка статора; 6 - шунтовая обмотка статора; 7 - полюс статора; 8 - резиновая заглушка; 9 - защитная лента; 10 - крышка со стороны коллектора; 11 - щетка; 12 - пружина щетки; 13 - тормозной диск крышки; 14 - корпус; 15 - стяжная шпилька; 16 - якорь; 17 - ограничитель юза шестерни; 18 - обгонная муфта с шестерней привода; 19 - упорная шайба; 20 - регулировочная шайба Привод стартера должен свободно, без заметных заеданий перемещаться по шлицевому валу и возвращаться из рабочего положения в исходное под действием возвратной пружины якоря реле. При повороте шестерни привода в направлении вращения якоря якорь вращаться не должен. Шестерня должна проворачиваться относительно вала якоря под действием момента не более 28 Н·м (2,8 кгс·см). |
||||